电脑桌面
添加小米粒文库到电脑桌面
安装后可以在桌面快捷访问

房建单位分部分项工程检验批质量检查记录表VIP免费

房建单位分部分项工程检验批质量检查记录表_第1页
1/35
房建单位分部分项工程检验批质量检查记录表_第2页
2/35
房建单位分部分项工程检验批质量检查记录表_第3页
3/35
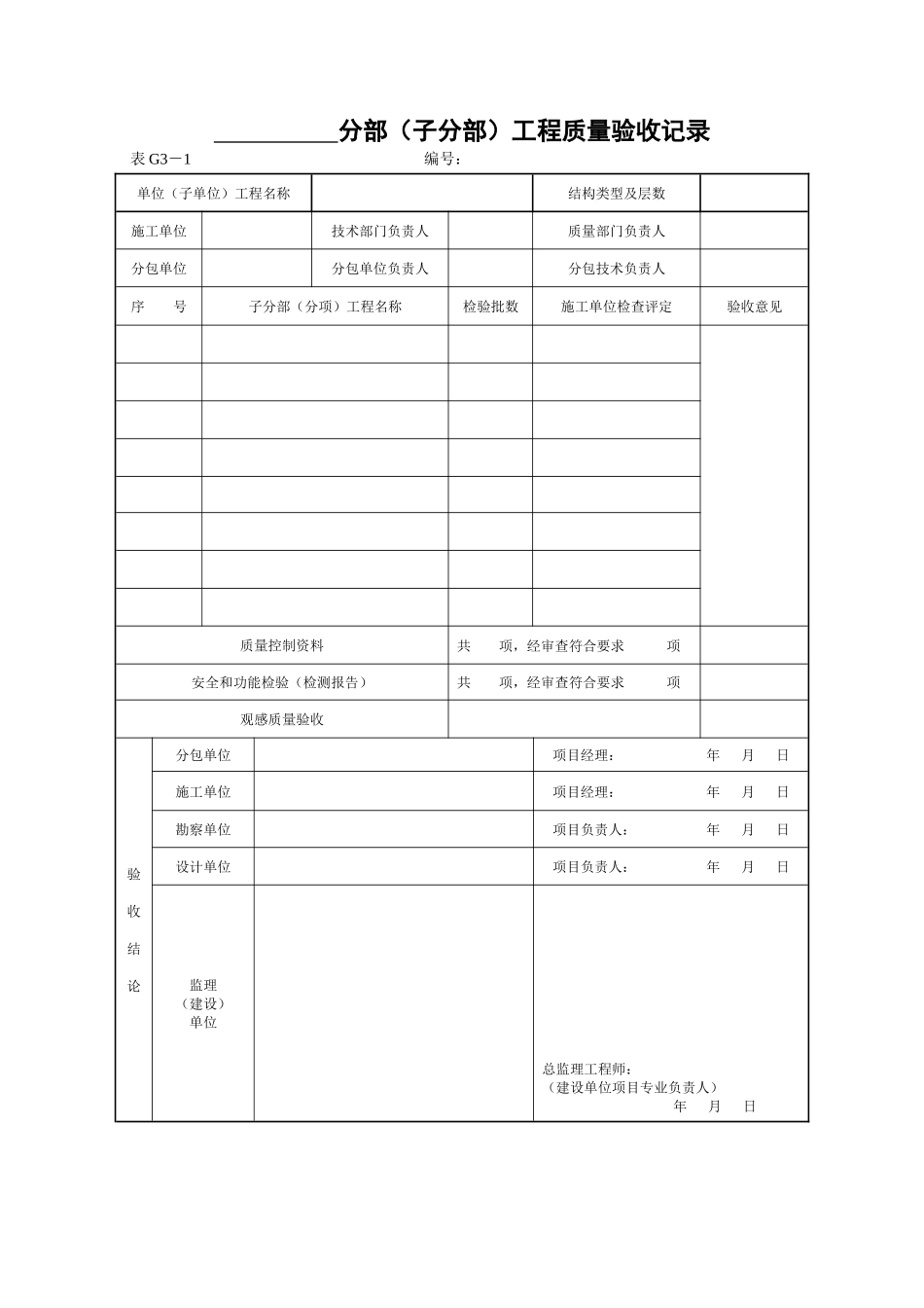
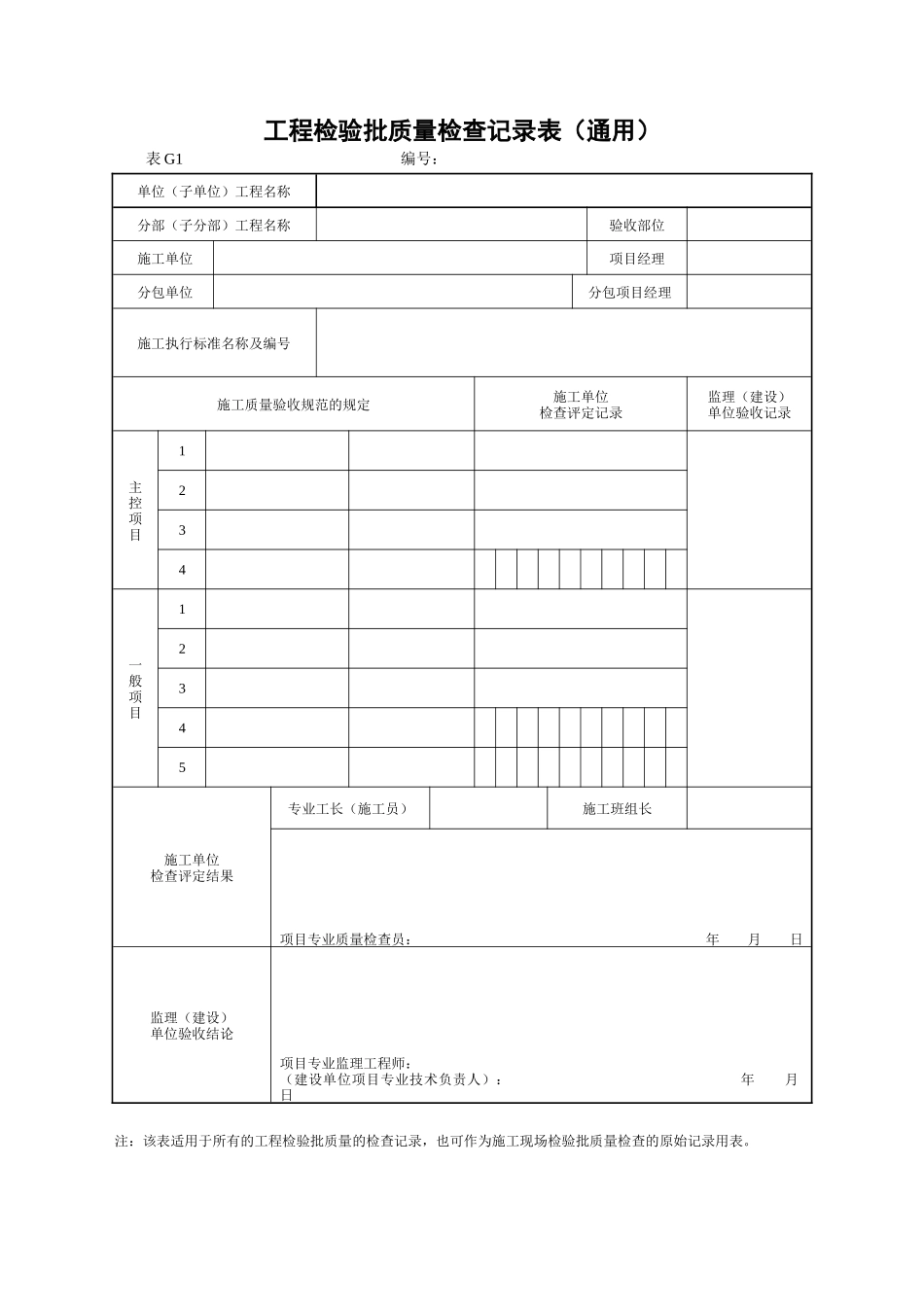
工程检验批质量检查记录表(通用)表G1编号:单位(子单位)工程名称分部(子分部)工程名称验收部位施工单位项目经理分包单位分包项目经理施工执行标准名称及编号施工质量验收规范的规定施工单位检查评定记录监理(建设)单位验收记录主控项目1234一般项目12345施工单位检查评定结果专业工长(施工员)施工班组长项目专业质量检查员:年月日监理(建设)单位验收结论项目专业监理工程师:(建设单位项目专业技术负责人):年月日注:该表适用于所有的工程检验批质量的检查记录,也可作为施工现场检验批质量检查的原始记录用表。分项工程质量验收记录表G2编号:单位(子单位)工程名称结构类型分部(子分部)工程名称检验批数施工单位项目经理序号检验批部位、区段施工单位检查评定结果监理(建设)单位验收结论检查结论项目专业技术负责人:年月日验收结论监理工程师:(建设单位项目专业技术负责人)年月日分部(子分部)工程质量验收记录表G3-1编号:单位(子单位)工程名称结构类型及层数施工单位技术部门负责人质量部门负责人分包单位分包单位负责人分包技术负责人序号子分部(分项)工程名称检验批数施工单位检查评定验收意见质量控制资料共项,经审查符合要求项安全和功能检验(检测报告)共项,经审查符合要求项观感质量验收验收结论分包单位项目经理:年月日施工单位项目经理:年月日勘察单位项目负责人:年月日设计单位项目负责人:年月日监理(建设)单位总监理工程师:(建设单位项目专业负责人)年月日分部(子分部)工程质量控制资料核查记录表G3-2编号:分部(子分部)工程名称地基与基础分部施工单位利川合力建筑安装有限责任公司序号资料名称份数核查意见核查人1图纸会审、设计变更、洽商记录2工程定位测量、放线记录3原材料出厂合格证及进场检(试验)报告4隐蔽工程验收记录5施工记录6预制混凝土合格证7地基基础检验及抽样检测资料8分项、分部工程质量验收记录结论:总监理工程师施工单位项目经理年月日(建设单位项目负责人)年月日分部(子分部)工程安全和功能检验资料核查及主要功能抽查记录表G3-3编号:分部(子分部)工程名称施工单位利川合力建筑安装有限责任公司序号安全和功能检查项目份数核查意见核查结果核查(抽查人)结论:总监理工程师施工单位项目经理年月日(建设单位项目负责人)年月日注:本表用于地基与基础、主体结构、建筑节能和设备安装等分部工程的检查,抽查项目由验收组协商确定。分部(子分部)工程观感质量检查记录表G3-4编号:分部(子分部)工程名称地基与基础分部施工单位利川合力建筑安装有限责任公司序号项目抽查质量状况质量评价好一般差,观感质量综合评价检查结论总监理工程师施工单位项目经理年月日(建设单位项目负责人)年月日注:质量评价为差的项目,应进行整改。单位(子单位)工程质量竣工验收记录表G4编号:单位(子单位)工程名称结构类型施工单位层数技术负责人项目经理建筑面积项目技术负责人开工日期竣工日期序号项目验收记录验收结论1分部工程共分部,经检分部符合标准及设计要求分部2质量控制资料核查共项,经审查符合要求项,经核定符合规范要求项,3安全和主要使用功能核查及抽查结果共核查项,符合要求项,共抽查项,符合要求项,经返工处理符合要求项,4观感质量验收共抽查项,符合要求项,不符合要求项,5综合验收结论参加验收单位建设单位监理单位施工单位设计单位(公章)单位(项目)负责人年月日(公章)总监理工程师年月日(公章)单位负责人年月日(公章)单位(项目)负责人年月日单位(子单位)工程质量控制资料核查记录表G5编号:单位(子单位)工程名称施工单位序号项目资料名称份数核查意见核查人1建筑与结构图纸会审、设计变更、洽商记录2工程定位测量、放线记录3原材料出厂合格证书及进场检(试)验报告4施工试验报告及见证检测报告5隐蔽工程验收记录6施工记录7预制构件、预拌混凝土合格证8地基基础、主体结构检验及抽样检测资料9分项、分部工程质量验收记录10工程质量事故调查处理资料11新材料、新工艺施工记录121给排水与采暖图纸会审、设计变更、洽商记录2材料、配件出厂合格证书及...

1、当您付费下载文档后,您只拥有了使用权限,并不意味着购买了版权,文档只能用于自身使用,不得用于其他商业用途(如 [转卖]进行直接盈利或[编辑后售卖]进行间接盈利)。
2、本站所有内容均由合作方或网友上传,本站不对文档的完整性、权威性及其观点立场正确性做任何保证或承诺!文档内容仅供研究参考,付费前请自行鉴别。
3、如文档内容存在违规,或者侵犯商业秘密、侵犯著作权等,请点击“违规举报”。

碎片内容

房建单位分部分项工程检验批质量检查记录表

您可能关注的文档

确认删除?
VIP
微信客服
  • 扫码咨询
会员Q群
  • 会员专属群点击这里加入QQ群
客服邮箱
回到顶部