电脑桌面
添加小米粒文库到电脑桌面
安装后可以在桌面快捷访问

公路工程管理用表范本-钢板梁制作质量检验报告单VIP免费

公路工程管理用表范本-钢板梁制作质量检验报告单_第1页
1/2
公路工程管理用表范本-钢板梁制作质量检验报告单_第2页
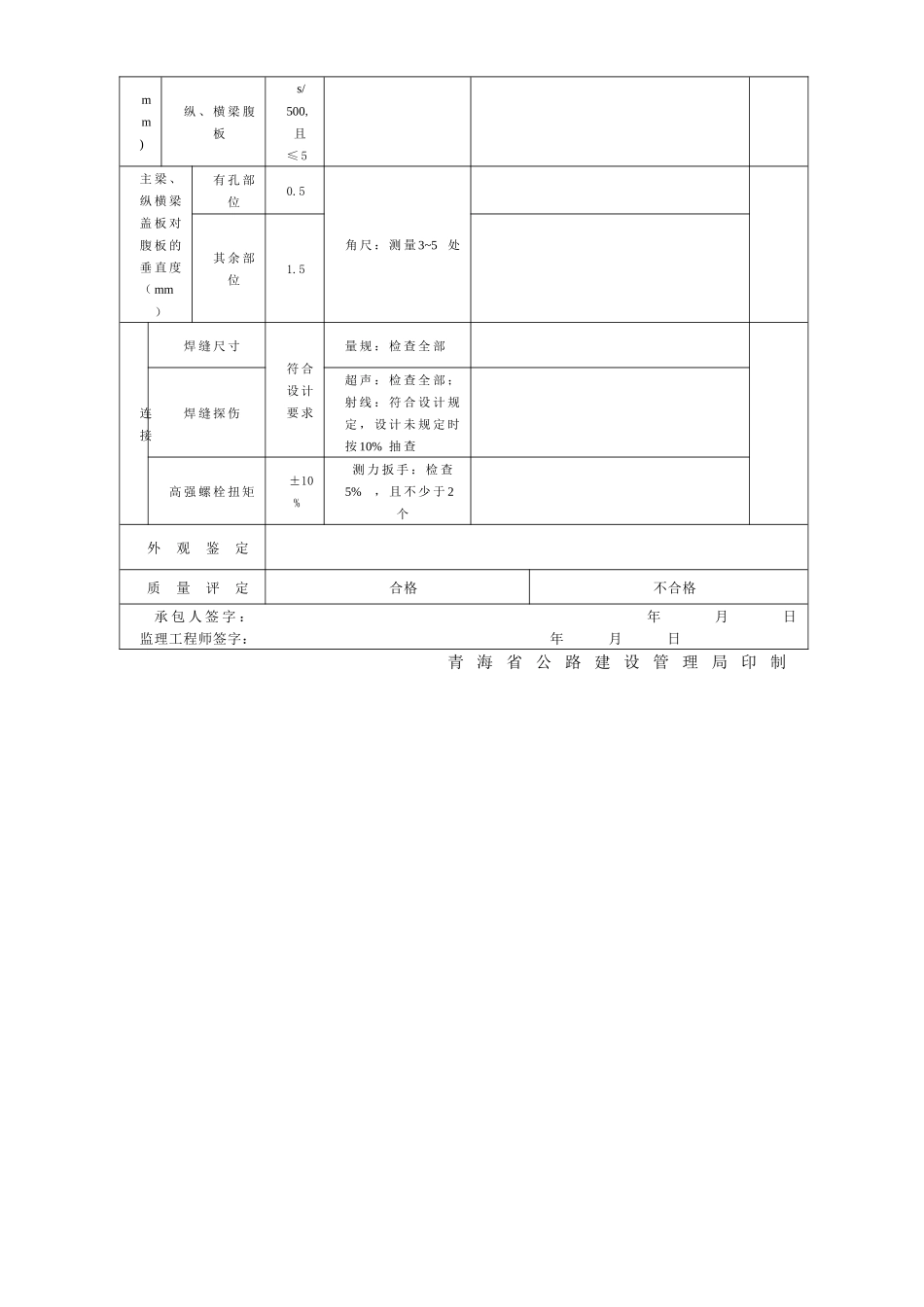
2/2
公路工程管理用表检验表106钢板梁制作质量检验报告单工程名称:合同号:承包单位:编号:监理单位:检验单位:分项工程名称工程部位施工时间桩号图纸号检验时间检查项目规定值或允许偏差检查方法和频率检验结果备注梁高(mm)主梁≤2m±2尺量:检查两端腹板处高度主梁>2m±4横梁±1.5纵梁±1.0跨度(mm)±8全站仪或尺量:测量两支座中心距离梁长(mm)全长±15全站仪或钢尺量:中心线处纵梁+0.5,-1.5尺量:检查两端角钢背与背之间的距离横梁±1.5纵、横梁旁弯(mm)3梁立置时在腹板一侧距主焊缝100mm处拉线测量:检查中部1处拱度(mm)主梁不设拱度+3,0梁卧置时在下盖板外侧拉线测量:检查中部1处设拱度+10,-3两片主梁拱度差4分别测量两片主梁拱度,求差值平面度(主梁腹板<s/350,且≤8平尺或拉线:测量中部1处mm)纵、横梁腹板s/500,且≤5主梁、纵横梁盖板对腹板的垂直度(mm)有孔部位0.5角尺:测量3~5处其余部位1.5连接焊缝尺寸符合设计要求量规:检查全部焊缝探伤超声:检查全部;射线:符合设计规定,设计未规定时按10%抽查高强螺栓扭矩±10%测力扳手:检查5%,且不少于2个外观鉴定质量评定合格不合格承包人签字:年月日监理工程师签字:年月日青海省公路建设管理局印制

1、当您付费下载文档后,您只拥有了使用权限,并不意味着购买了版权,文档只能用于自身使用,不得用于其他商业用途(如 [转卖]进行直接盈利或[编辑后售卖]进行间接盈利)。
2、本站所有内容均由合作方或网友上传,本站不对文档的完整性、权威性及其观点立场正确性做任何保证或承诺!文档内容仅供研究参考,付费前请自行鉴别。
3、如文档内容存在违规,或者侵犯商业秘密、侵犯著作权等,请点击“违规举报”。

碎片内容

公路工程管理用表范本-钢板梁制作质量检验报告单

您可能关注的文档

确认删除?
VIP
微信客服
  • 扫码咨询
会员Q群
  • 会员专属群点击这里加入QQ群
客服邮箱
回到顶部