电脑桌面
添加小米粒文库到电脑桌面
安装后可以在桌面快捷访问

路面基层施工防离析控制措施VIP专享VIP免费

路面基层施工防离析控制措施_第1页
1/8
路面基层施工防离析控制措施_第2页
2/8
路面基层施工防离析控制措施_第3页
3/8
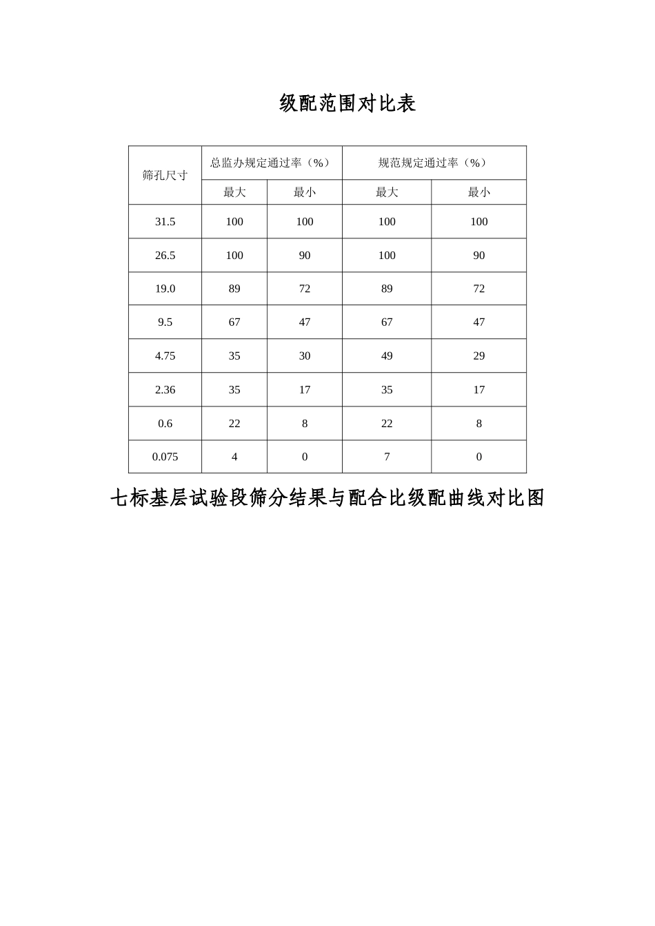
路面基层施工防离析控制措施水泥稳定碎石混合料作为半刚性材料,具备承载力高、整体性强、水稳性好等优点,在高速公路基层结构中得到了广泛的应用。而基层作为路面的主要承载结构,其质量好坏直接影响了公路的使用寿命。在水泥稳定碎石基层的施工过程中,由于所使用材料和设备的原因,以及人为失误等因素,很容易出现离析的现象。下面对水泥稳定碎石基层离析产生的危害进行说明,对离析产生的原因进行分析,并针对分析结果提出控制措施。一、水泥稳定碎石基层离析产生的危害:1、基层强度降低。离析改变了集料的连续级配,使骨料间的空隙得不到细集料的有效填充,致使基层强度变低。2、整体性差。形成离析的地方,粗骨料集中、孔隙率增大,碾压过程中容易破碎,难以形成整体。3、水稳性差。形成离析的地方,孔隙率大,密实度差,积水容易下渗,导致基层损坏。4、平整度降低。形成离析的地方,由于改变了集料级配,导致压实系数的改变,致使平整度降低。二、水泥稳定碎石基层离析产生的原因:水泥稳定碎石基层集料采用几种不同规格的碎石掺配而成,碎石粒径相差较大,拌合前处于原始混合状态;而水泥作为稳定剂,在施工期间骨料之间粘附性较小,导致离析倾向较大。所以说集料粒径的差别、级配的不合理是产生离析的内因;外力作用于碎石颗粒,其受力方向和大小的不同是产生离析的外因;水泥、水、温度等因素是产生离析的重要因素。从施工方面看,有机械等因素导致的有规则的离析,也有人为失误导致的离析。下面结合工程实际情况,对容易导致水泥稳定碎石基层发生离析的原因进行分析:1、原材料方面。随意更换碎石料源,导致级配发生变化。碎石堆放不合理,大粒径颗粒从高处滚落到料堆周围,导致粗骨料集中。不同规格的碎石料场隔墙高度不足,导致混料。碎石表面包裹了过多杂质,不能与水泥等胶凝材料很好的结合在一起,导致离析。水泥终凝时间过早,容易导致离析现象的发生。2、配合比设计问题。由于水泥稳定碎石基层存在收缩裂缝难以控制的问题,所以不少地区普遍采用了控制基层强度、降低水泥用量、限制4.75mm以下细集料的用量,采用嵌挤式紧密级配设计等方法。青临高速的基层配合比设计要求也采取了同样的方法,在规范规定的范围内进行了调整,这导致了基层拌合料出现离析的概率增大,相应对基层的施工提出了更高的要求。规范规定的级配范围与青临高速采用的级配范围对比图图中蓝线是青临高速采用的级配范围,红线是规范采用的级配范围。规范规定的4.75mm筛孔尺寸的通过率为29%-49%;青临高速采用的是30%-35%。规范规定的0.075mm筛孔尺寸的通过率为0-7%;青临高速采用的是0-4%。规范规定的级配范围与青临高速采用的级配范围对比表七标基层试验段筛分结果与配合比级配曲线对比图筛孔尺寸总监办规定通过率(%)规范规定通过率(%)最大最小最大最小31.510010010010026.5100901009019.0897289729.5674767474.75353049292.36351735170.62282280.0754070(图中蓝线是级配范围、绿线是设计曲线、棕线是试验段筛分曲线)从七标基层试验段施工情况看,强度等指标均满足设计要求,但外观一般,存在离析倾向。(因为当时基层试验段施工完成后即上覆盖土,所以没来得及拍摄细部相片)从试验段筛分情况看,集料4.75mm以下的筛孔尺寸(含4.75mm筛孔)的通过率均比设计配合比的低。七标基层试验段筛分结果与配合比级配曲线对比表3、拌合过程发生的离析。装载机从料堆底层装料,粗骨料较多。料斗间的隔板高度不足,导致串料。皮带输送机倾角不合适,输送皮带线速度过大,导致大粒径粒料滚落到一侧,造成粗骨料集中。拌合控制不严,含水量偏差过大、水泥剂量偏低产生离析。含水量过大将导致拌合过程中出浆;在压实过程中沾轮、唧浆,导致水泥等胶结材料的减少,增大离析的概率。含水量偏小时导致搅拌不匀。成品料斗与车厢落差偏大,加大了离析发生的概率。4、运输过程发生的离析。从下料斗向车厢装料时,车厢内混合料呈锥形,部分大颗粒骨料跌落,造成粗集料集中。便道不平整,车辆颠簸导致粗集料集中。运输车向摊铺机料斗卸料时,骨料滚落到摊铺机料斗周围,造成粗集料集中。车厢升起速度过慢,产生...

1、当您付费下载文档后,您只拥有了使用权限,并不意味着购买了版权,文档只能用于自身使用,不得用于其他商业用途(如 [转卖]进行直接盈利或[编辑后售卖]进行间接盈利)。
2、本站所有内容均由合作方或网友上传,本站不对文档的完整性、权威性及其观点立场正确性做任何保证或承诺!文档内容仅供研究参考,付费前请自行鉴别。
3、如文档内容存在违规,或者侵犯商业秘密、侵犯著作权等,请点击“违规举报”。

碎片内容

路面基层施工防离析控制措施

海纳百川+ 关注
实名认证
内容提供者

热爱教学事业,对互联网知识分享很感兴趣

确认删除?
VIP
微信客服
  • 扫码咨询
会员Q群
  • 会员专属群点击这里加入QQ群
客服邮箱
回到顶部