电脑桌面
添加小米粒文库到电脑桌面
安装后可以在桌面快捷访问

第四章电子产品的装配VIP免费

第四章电子产品的装配_第1页
1/10
第四章电子产品的装配_第2页
2/10
第四章电子产品的装配_第3页
3/10
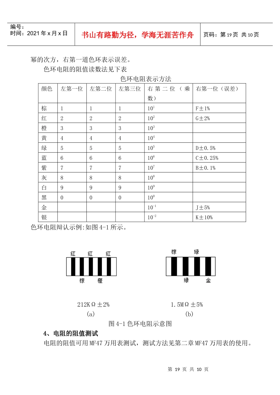
第18页共10页编号:时间:2021年x月x日书山有路勤为径,学海无涯苦作舟页码:第18页共10页第四章电子产品的装配装配一个电子产品,必须具备以下几方面知识:识别元器件、理解电路原理、看懂电路原理图、电路装配图、印刷电路板图、整机总装图等,作为电气类工程师,对电子产品的设计与生产的各个环节必须非常熟悉。电子产品的安装与焊接也是必备的基本技能。本章以实践产品为对象,介绍电子产品的安装和焊接知识。第一节元器件识别及基本参数测试装配前识别不同的元器件,以及判别所装配的元器件性能的好坏,是保证装配电子产品质量的重要步骤。识别元器件及参数,需要具备相关知识;而判别元器件性能的好坏可通过外观检查、仪器测试来完成。一般情况下,是运用万用表进行元器件好坏的粗略判别。一、电阻1、电阻的主要参数a.电阻的阻值:单位有Ω、KΩ、MΩ.b.电阻的功率:电阻有额定功率,P=I2R,设计电路时要考虑电阻的功率,即I2≤P/Rc.电阻的温度特性:温度的改变电阻的阻值也会发生改变。2、电阻的分类a.固定电阻b.可变电阻(电位器)3、电阻值大小的识别电阻的阻值标注有两种方法,一是直接在电阻上标出数据;二是用色环表示阻值。色环表示阻值可在任意角度识别其阻值大小,不受电阻体积限制,使用方便,被广泛运用。色环电阻紧靠电阻头的第一道色环表示阻值的第一位数字,第二道色环表示阻值的第二位数字,第三道色环表示阻值的第三位数字,右第二道色环表示第19页共10页第18页共10页编号:时间:2021年x月x日书山有路勤为径,学海无涯苦作舟页码:第19页共10页幂的次方,右第一道色环表示误差。色环电阻的阻值读数法见下表色环电阻表示方法颜色左第一位左第二位左第三位右第二位(乘数)右第一位(误差)棕111101F±1%红222102G±2%橙333103黄444104绿555105D±0.5%蓝666106C±0.25%紫777107B±0.1%灰888108白999109黑000100金10-1J±5%银10-2K±10%色环电阻辩认示例:如图4-1所示。212KΩ±2%1.5MΩ±5%(a)(b)图4-1色环电阻示意图4、电阻的阻值测试电阻的阻值可用MF47万用表测试,测试方法见第二章MF47万用表的使用。第20页共10页第19页共10页编号:时间:2021年x月x日书山有路勤为径,学海无涯苦作舟页码:第20页共10页二、电容1、电容的主要参数a.电容的容量瓷介质电容容量小,容量范围一般在1PF--1uF之间。形似圆饼状,其表示方法有:(1)直接表示法用uF=10-6F,nF=10-9F,pF=10-12F来表示电容容量级单位。举例:“3p”,“0.01u”,“4n7”=4.7nF=470pF(2)不标单位的直接表示法举例:“3”=3pF,“27”=27pF,“0.047”=0.047uF(3)数码表示法一般用三位数表示,前两位表示容量有效数字,第三位表示幂指数。即“0”的个数,默认单位为pF。举例:“203”=20×103=0.02uF“221”=22×101=220pF“104”=10×104=0.1uF“103”=10×103=0.01uFb.电容的耐压电容的耐压是一个非常重要的指标,加在电容两端电压必须小于额定耐压值,有些电容参数标注在塑封外壳上。例如:“1uF50V”代表:容量1uF,耐压值50Vc.电容的耐温特性:电容的耐温特性也是一个非常重要的指标,电容的使用环境主要是对温度的要求,特别是电解电容,一般使用温度是-40℃~+85℃2、电容的分类:电容的种类很多,可按介质分类、极性分类、可变和不可变分类等,最常用的电容有瓷介质电容、电解电容。如图4-2所示。电解电容容量较大,一般在0.1uF~999uF之间,形似圆柱状,具有极性区分:⑴新电解电容以管脚为标志:长脚为正极,短脚为负极。⑵在外壳封装上有极性标志。3、电容的识别:第21页共10页第20页共10页编号:时间:2021年x月x日书山有路勤为径,学海无涯苦作舟页码:第21页共10页图4-2电容的识别4、电容的容量测试电容的容量可用MF47万用表测试,测试方法见第二章MF47万用表的使用。5、电容的电气特性电容的电气特性是“隔直通交”。6、四联可变电容器四联可变电容器共有八个电容器,其中四个可变电容器,四个半可变电容器。四个可变电容器的含义就是四个可变电容器的动轴是装在一根轴上的,当转动轴时,组电容同步变化。AM和FM波段分别有2个可变电容器和2个半可变电容器,其结构示意图如图4-3(...

1、当您付费下载文档后,您只拥有了使用权限,并不意味着购买了版权,文档只能用于自身使用,不得用于其他商业用途(如 [转卖]进行直接盈利或[编辑后售卖]进行间接盈利)。
2、本站所有内容均由合作方或网友上传,本站不对文档的完整性、权威性及其观点立场正确性做任何保证或承诺!文档内容仅供研究参考,付费前请自行鉴别。
3、如文档内容存在违规,或者侵犯商业秘密、侵犯著作权等,请点击“违规举报”。

碎片内容

第四章电子产品的装配

精品中小学资料+ 关注
实名认证
内容提供者

精品文档

确认删除?
VIP
微信客服
  • 扫码咨询
会员Q群
  • 会员专属群点击这里加入QQ群
客服邮箱
回到顶部