电脑桌面
添加小米粒文库到电脑桌面
安装后可以在桌面快捷访问

电子元件抽样方案VIP免费

电子元件抽样方案_第1页
1/8
电子元件抽样方案_第2页
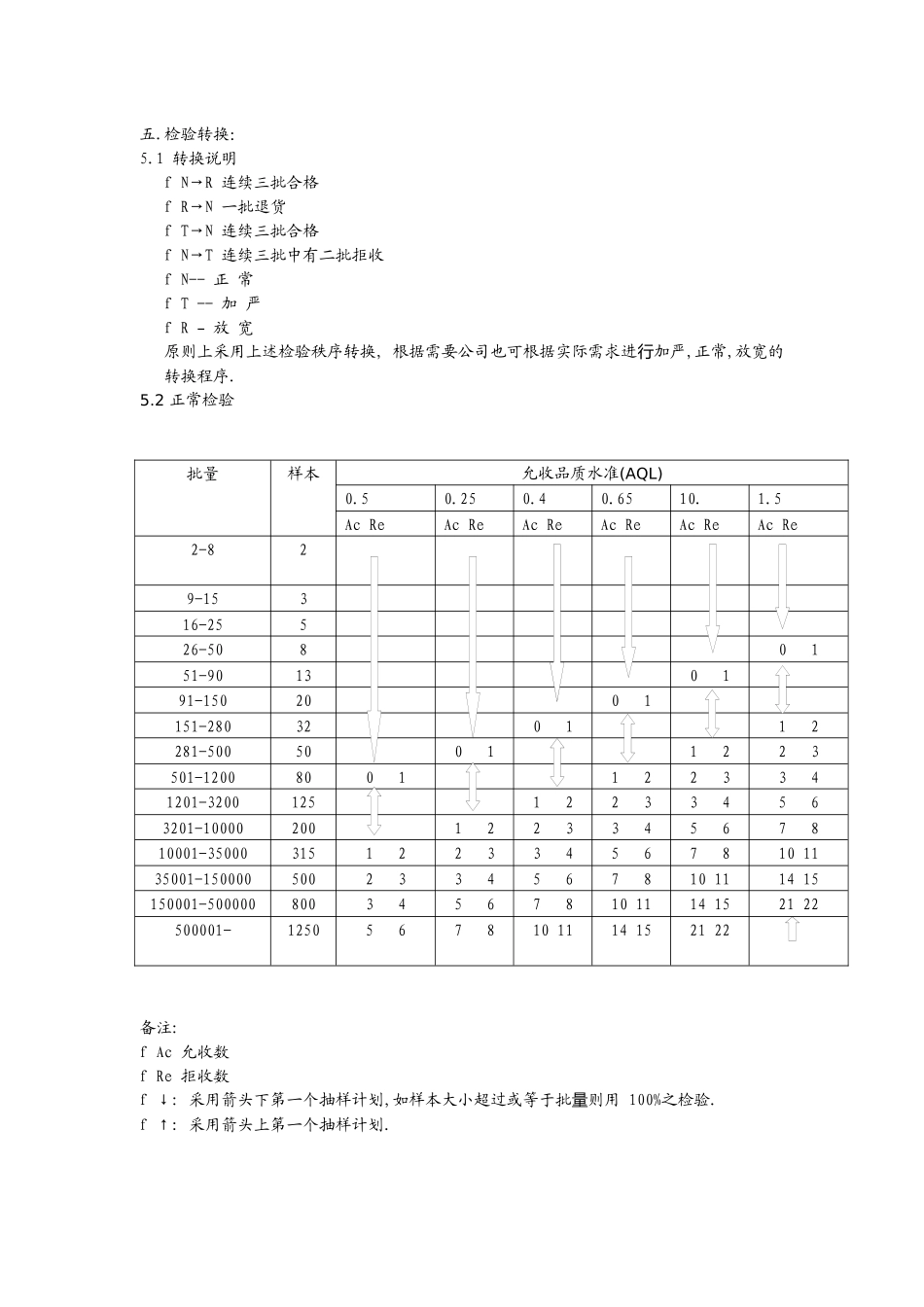
2/8
电子元件抽样方案_第3页
3/8
元器件的抽样方案1.目的本标准为制定计划及检验程序的基准,并为未来抽样计划之多样化提供资料上的支持,保留持续的文件适用性。2.适用范围本文件适用于公司范围内质量保证部所进行的检验活动。3.抽样水准:3.1除书面规定的厂商采用固定抽样检验计划外,其它,一般采用本文件给出的动态检验转换抽样表,抽样样本数通常以批量数量为准,一个批量的数量通常为一个单据的记录数量.这样的单据有:进货验收单,入库验收单等.3.2依据产品质量特性(含结构,尺寸,电气特性,机械性能,功能等)决定抽验计划,抽验数量及允收品质.水准(AQL).依据物料类别区分,各产品质量特性抽检数量3.3新产品之初次(批)成品,贵重的进货品等,当无特别规定时,通常需全数检验.产品材料类别CRIMAJMIN备注电容00.25%0.65%三极管00.25%0.65%二极管00.25%0.65%芯片00.25%0.65%电阻00.25%0.65%4.检验依据4.1工程图纸4.2检验指示43产品规格书4.4检验计划4.5样品对照4.6评估报告和承认书4.7客户订单五.检验转换:5.1转换说明fN→R连续三批合格fR→N一批退货fT→N连续三批合格fN→T连续三批中有二批拒收fN--正常fT--加严fR–放宽原则上采用上述检验秩序转换,根据需要公司也可根据实际需求进行加严,正常,放宽的转换程序.5.2正常检验批量样本允收品质水准(AQL)0.50.250.40.6510.1.5AcReAcReAcReAcReAcReAcRe2-829-15316-25526-5080151-90130191-1502001151-280320112281-50050011223501-120080011223341201-3200125122334563201-10000200122334567810001-350003151223345678101135001-1500005002334567810111415150001-500000800345678101114152122500001-12505678101114152122备注:fAc允收数fRe拒收数f↓:采用箭头下第一个抽样计划,如样本大小超过或等于批量则用100%之检验.f↑:采用箭头上第一个抽样计划.5.3放宽检验批量样本允收品质水准(AQL)0.50.250.40.6510.1.5AcReAcReAcReAcReAcReAcRe2-829-15216-25226-5030151-9050191-150801151-280130102281-50020010213501-120032010213141201-320050021314253201-1000080021314253610001-3500012502131425365835001-1500002001314253658710150001-500000315142536587101013500001-5002536587101013备注:fAc允收数fRe拒收数f↓:采用箭头下第一个抽样计划,如样本大小超过或等于批量则用100%之检验.f↑:采用箭头上第一个抽样计划.f如二个次数样本已超过允收数,但尚未达到拒收数时,可允收此批,惟以后须恢复正常检验.5.4加严检验批量样本允收品质水准(AQL)0.50.250.40.6510.1.5AcReAcReAcReAcReAcReAcRe2-829-15316-25526-50851-90130191-1502001151-2803201281-500500112501-1200800112231201-3200125011223343201-100002001223345610001-35000315122334568935001-15000050013233456891213150001-5000008001434568912131819500001-125025568912131819备注:fAc允收数fRe拒收数f↓:采用箭头下第一个抽样计划,如样本大小超过或等于批量则用100%之检验.f↑:采用箭头上第一个抽样计划.6.0C=0抽样计划說明:本节内容变仅供参考,不作为其它文件的引用参考依据.指示数值(相关联的AQLS).010.015.025040.065.10.15.25.40.551.01.52.54.06.510.0批量数样本数2~89~1526~25******************************138*2013853225322532226~5051~9091~150******************8050*125805032201383220138322013125553765411765151~280281~500501~1200*******315*8005003152001258050200125805032202019484720217347342713107616119719151181201~32003201~1000010001~3500012508005003151250800500315200125120116200192189116735342358668503810877604623181392922159352915935001~150000150001~500000500001~125080050049012508007504762942181704763452701239674561561199064189143402915940291594029159715200102备注:f“*"表示整批都须检验f允收数均为零第7页共8页编号:时间:2021年x月x日书山有路勤为径,学海无涯苦作舟页码:第7页共8页7.0较完整MIL-STD-105E单次抽样计划摘录说明:除非特别指出,本章节为本公司抽样检验计划的基准,为标准的抽样计划表.相关联的(AQLS)一般检验水准(Ⅱ)批量數样本大小允收品质水...

1、当您付费下载文档后,您只拥有了使用权限,并不意味着购买了版权,文档只能用于自身使用,不得用于其他商业用途(如 [转卖]进行直接盈利或[编辑后售卖]进行间接盈利)。
2、本站所有内容均由合作方或网友上传,本站不对文档的完整性、权威性及其观点立场正确性做任何保证或承诺!文档内容仅供研究参考,付费前请自行鉴别。
3、如文档内容存在违规,或者侵犯商业秘密、侵犯著作权等,请点击“违规举报”。

碎片内容

电子元件抽样方案

您可能关注的文档

确认删除?
VIP
微信客服
  • 扫码咨询
会员Q群
  • 会员专属群点击这里加入QQ群
客服邮箱
回到顶部