电脑桌面
添加小米粒文库到电脑桌面
安装后可以在桌面快捷访问

混凝土灌注桩检验批质量验收记录VIP免费

混凝土灌注桩检验批质量验收记录_第1页
1/4
混凝土灌注桩检验批质量验收记录_第2页
2/4
混凝土灌注桩检验批质量验收记录_第3页
3/4
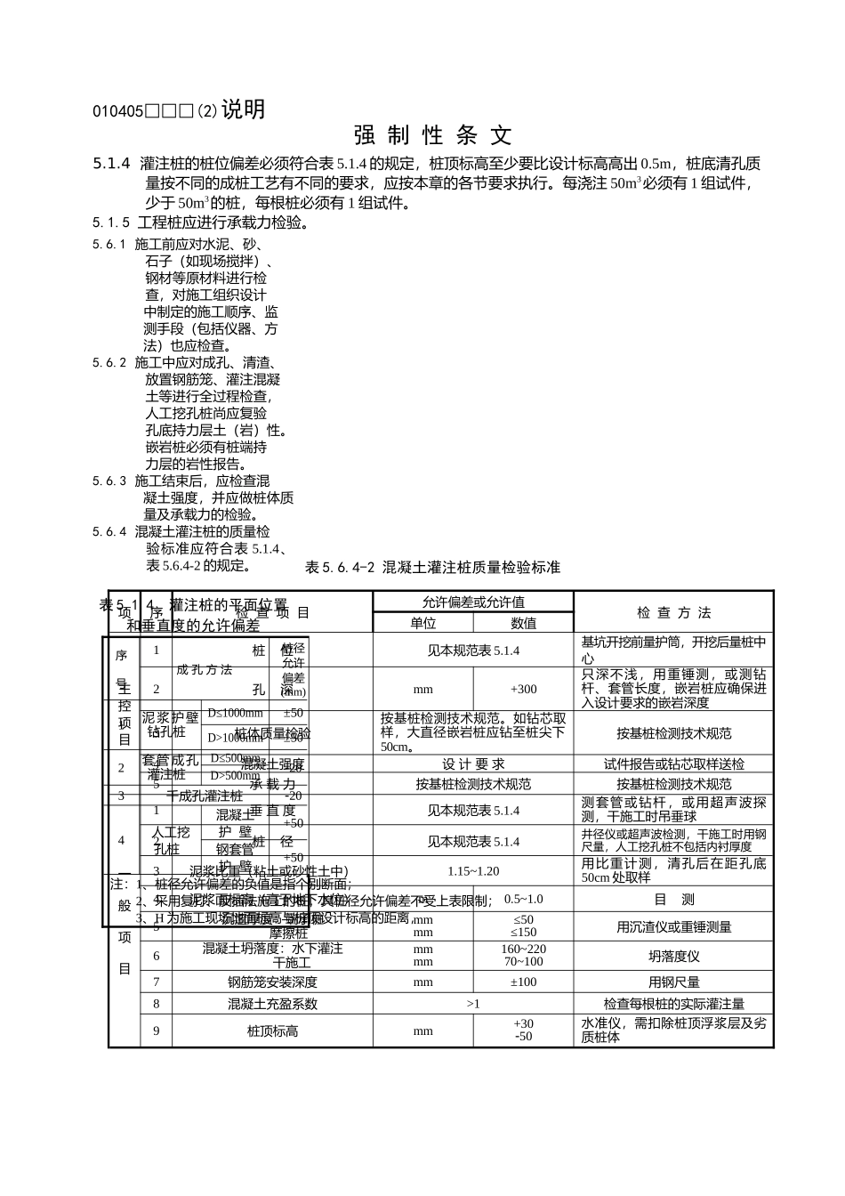
混凝土灌注桩检验批质量验收记录(GB50202-2002)表5.6.4-2编号:010405□□□(2)工程名称分项工程名称项目经理施工单位验收部位施工执行标准名称及编号专业工长(施工员)分包单位分包项目经理施工班组长质量验收规范的规定施工单位自检记录监理(建设)单位验收记录检查项目质量要求单位数值主控项目1桩位偏差见规范表5.1.42孔深偏差mm+3003桩体质量检验按基桩检测技术规范。如钻芯取样,大直径嵌岩桩应钻至桩尖下50cm4混凝土强度符合设计要求5承载力按基桩检测技术规范一般项目1桩垂直度见规范表5.1.42桩径见规范表5.1.43泥浆比重(粘土或砂性土中)1.15~1.204泥浆面标高(高于地下水位)m0.5~1.05沉渣厚度端承桩mm≤50摩擦桩mm≤1506混凝土坍深度水下灌注mm160~220干施工mm70~1007钢筋笼安装深度mm±1008混凝土充盈系数>19桩顶标高mm+3050施工操作依据质量检查记录施工单位检查结果评定项目专业项目专业质量检查员:技术负责人:年月日监理(建设)单位验收结论专业监理工程师:(建设单位项目专业负责人)年月日010405□□□(2)说明强制性条文5.1.4灌注桩的桩位偏差必须符合表5.1.4的规定,桩顶标高至少要比设计标高高出0.5m,桩底清孔质量按不同的成桩工艺有不同的要求,应按本章的各节要求执行。每浇注50m3必须有1组试件,少于50m3的桩,每根桩必须有1组试件。5.1.5工程桩应进行承载力检验。5.6.1施工前应对水泥、砂、石子(如现场搅拌)、钢材等原材料进行检查,对施工组织设计中制定的施工顺序、监测手段(包括仪器、方法)也应检查。5.6.2施工中应对成孔、清渣、放置钢筋笼、灌注混凝土等进行全过程检查,人工挖孔桩尚应复验孔底持力层土(岩)性。嵌岩桩必须有桩端持力层的岩性报告。5.6.3施工结束后,应检查混凝土强度,并应做桩体质量及承载力的检验。5.6.4混凝土灌注桩的质量检验标准应符合表5.1.4、表5.6.4-2的规定。表5.1.4灌注桩的平面位置和垂直度的允许偏差序号成孔方法桩径允许偏差(mm)1泥浆护壁钻孔桩D≤1000mm±50D>1000mm±502套管成孔灌注桩D≤500mm20D>500mm3千成孔灌注桩204人工挖孔桩混凝土护壁+50钢套管护壁+50注:1、桩径允许偏差的负值是指个别断面;2、采用复打、反插法施工的桩,其桩径允许偏差不受上表限制;3、H为施工现场地面标高与桩顶设计标高的距离,项序检查项目允许偏差或允许值检查方法单位数值主控项目1桩位见本规范表5.1.4基坑开挖前量护筒,开挖后量桩中心2孔深mm+300只深不浅,用重锤测,或测钻杆、套管长度,嵌岩桩应确保进入设计要求的嵌岩深度3桩体质量检验按基桩检测技术规范。如钻芯取样,大直径嵌岩桩应钻至桩尖下50cm。按基桩检测技术规范4混凝土强度设计要求试件报告或钻芯取样送检5承载力按基桩检测技术规范按基桩检测技术规范一般项目1垂直度见本规范表5.1.4测套管或钻杆,或用超声波探测,干施工时吊垂球2桩径见本规范表5.1.4井径仪或超声波检测,干施工时用钢尺量,人工挖孔桩不包括内衬厚度3泥浆比重(粘土或砂性土中)1.15~1.20用比重计测,清孔后在距孔底50cm处取样4泥浆面标高(高于地下水位)m0.5~1.0目测5沉渣厚度:端承桩摩擦桩mmmm≤50≤150用沉渣仪或重锤测量6混凝土坍落度:水下灌注干施工mmmm160~22070~100坍落度仪7钢筋笼安装深度mm±100用钢尺量8混凝土充盈系数>1检查每根桩的实际灌注量9桩顶标高mm+3050水准仪,需扣除桩顶浮浆层及劣质桩体表5.6.4-2混凝土灌注桩质量检验标准注:①人工挖孔桩、嵌岩桩的质量检验应按上述二表验收。②本表由施工项目专业质量检查员填写,专业监理工程师(建设单位项目专业技术负责人)组织项目专业质量(技术)负责人等进行验收。

1、当您付费下载文档后,您只拥有了使用权限,并不意味着购买了版权,文档只能用于自身使用,不得用于其他商业用途(如 [转卖]进行直接盈利或[编辑后售卖]进行间接盈利)。
2、本站所有内容均由合作方或网友上传,本站不对文档的完整性、权威性及其观点立场正确性做任何保证或承诺!文档内容仅供研究参考,付费前请自行鉴别。
3、如文档内容存在违规,或者侵犯商业秘密、侵犯著作权等,请点击“违规举报”。

碎片内容

混凝土灌注桩检验批质量验收记录

您可能关注的文档

海纳百川+ 关注
实名认证
内容提供者

热爱教学事业,对互联网知识分享很感兴趣

相关文档

确认删除?
VIP
微信客服
  • 扫码咨询
会员Q群
  • 会员专属群点击这里加入QQ群
客服邮箱
回到顶部