电脑桌面
添加小米粒文库到电脑桌面
安装后可以在桌面快捷访问

铁矿制酸设立评价报告VIP免费

铁矿制酸设立评价报告_第1页
1/96
铁矿制酸设立评价报告_第2页
2/96
铁矿制酸设立评价报告_第3页
3/96
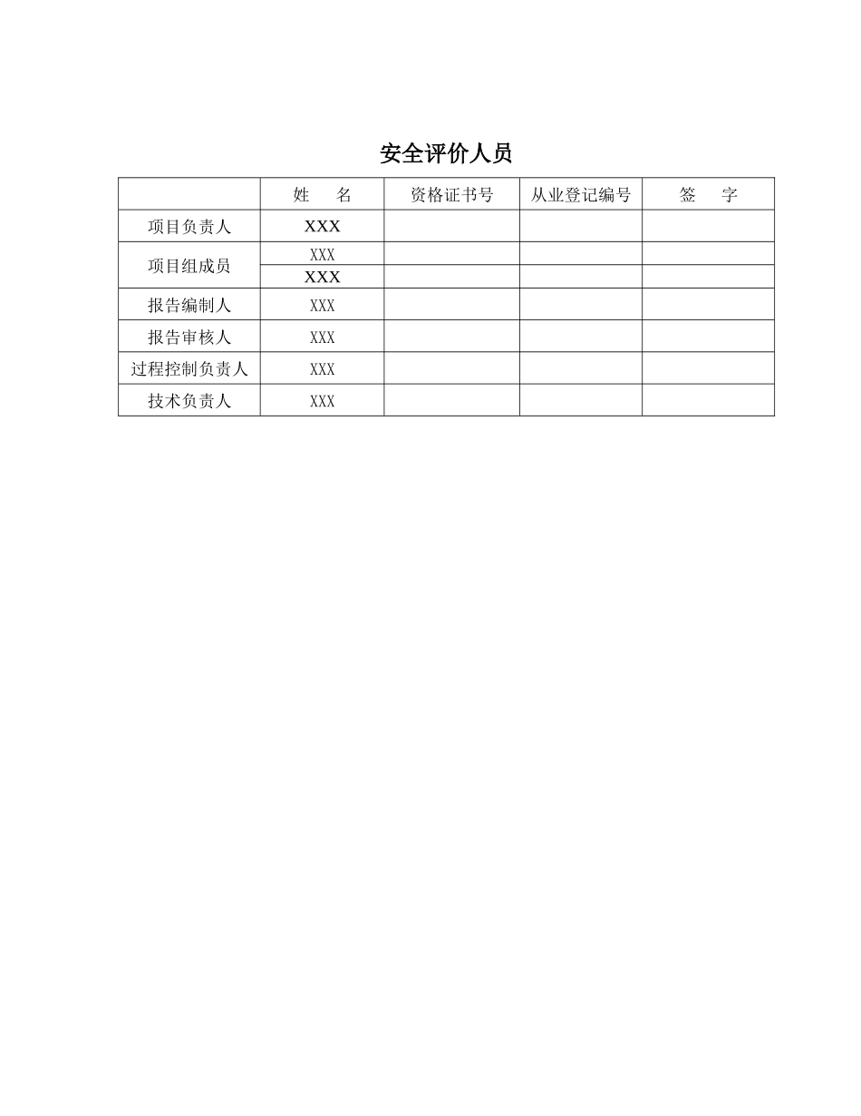
XXXXX化工有限公司XXXkt/a硫铁矿制酸工程项目设立安全评价报告建设单位:XXXXXXX化工有限公司建设单位法定代表人:XXX建设项目单位:XXXXXX化工有限公司建设项目单位主要负责人:XXX建设项目单位联系人:XXX建设项目单位联系电话:XXXXXXXXX(建设单位公章)2008年7月20日XXXXX化工有限公司XXXkt/a硫铁矿制酸工程项目设立安全评价报告评价机构名称:XXXXXX安全生产技术服务中心资质证书编号:APJ-(乙)-026-2006法定代表人:XXX审核定稿人:XXX评价负责人:XXX评价机构联系电话:XXXXXXX(安全评价机构公章)2008年7月20日安全评价人员姓名资格证书号从业登记编号签字项目负责人XXX项目组成员XXXXXX报告编制人XXX报告审核人XXX过程控制负责人XXX技术负责人XXXXXXXX化工有限公司XXXkt/a硫铁矿制酸工程项目设立安全评价报告前言XXXXXX化工有限公司的硫铁矿制酸工程项目位于XXXXXXX双炉台村,项目占地25亩,总投资为5617万元。设计生产规模为年产硫酸XXX万吨。主要建设内容包括成品原料的贮存、硫铁矿焙烧、炉气净化与干燥、二氧化硫转化、三氧化硫吸收及成品硫酸贮存、各种公辅设施等。项目生产过程中的SO2气体、SO3气体、硫酸等均被列入《危险化学品名录》(2002年版)中,因此该建设项目为新建的危险化学品生产项目。根据《中华人民共和国安全生产法》关于建设项目的安全设施“三同时”的规定、《危险化学品建设项目安全许可证实施办法》和XX省安全生产监督管理局关于贯彻落实《危险化学品建设项目安全许可证实施办法》及其配套文件的意见的要求,XXXXXX化工有限公司的XXXkt/a硫铁矿制酸工程需进行项目设立安全评价。受XXXXXX化工有限公司的委托,我中心承担了对该建设项目的设立安全评价工作,并签订了安全评价委托书。中心于二00八年六月组成评价组,认真了解项目情况并审核资料,在查阅了相关法律、法规和标准规范的基础上,按照《安全预评价导则》和《危险化学品建设项目安全评价细则》要求编制完成了《XXXXXX化工有限公司XXXkt/a硫铁矿制酸工程项目设立安全评价报告》,为下一阶段工程设计和安全生产监督管理部门设立安全审查提供依据。该硫铁矿制酸项目选用沸腾炉氧化焙烧、封闭酸洗净化、“3+2”两转两吸、尾气用石灰水清液吸收的技术方案。项目中使用的原料是硫铁矿,产品为硫酸,中间产物包括二氧化硫、三氧化硫,使用的辅助材料有轻柴油、钒催化剂、石灰等。硫酸生产过程中存在的主要危险有害因素是物料的腐蚀性、毒性和易爆性,可能出现的事故主要有化学灼伤、中毒、火灾爆炸、高温烫伤、触电、机械伤害、高处坠落、化学腐蚀、静电雷电、粉尘、噪声、起重伤害、物体打击、车辆伤害等14种。其中化学灼伤、中毒、火灾爆炸、高温烫伤、高处坠落是主要危险有害因素,需重点防范。本报告根据企业情况和生产工艺,采用了安全检查表、预先危险分析法和作业条件危险性评价法进IXXXXX化工有限公司XXXkt/a硫铁矿制酸工程项目设立安全评价报告行评价。XXXXXX化工有限公司XXXkt/a硫铁矿制酸工程项目由XXXX市建设招标咨询有限责任公司编制可行性研究报告,本报告依据该报告进行编制。我单位承诺保守被评价对象的技术和商业秘密,除法律要求外,不向第三方泄露委托评价单位的经营、技术等方面的任何内容。若因企业提供了虚假资料而导致本报告有误,引起的一切不良后果由被评价企业自己负责。本报告在编制过程中,得到XXXX市安全生产监督管理局和XXX安全生产监督管理局的大力支持以及XXXXXX化工有限公司的积极协作,在此一并表示衷心的感谢!XXXX市安全生产技术服务中心2008.7IIXXXXX化工有限公司XXXkt/a硫铁矿制酸工程项目设立安全评价报告目录术语和定义.................................................................................................................3第一章安全评价工作经过.....................................................................................3第一节建设项目安全评价的目的和评价前期准备情况...............................3第二节评价对象及范围...................................................................................

1、当您付费下载文档后,您只拥有了使用权限,并不意味着购买了版权,文档只能用于自身使用,不得用于其他商业用途(如 [转卖]进行直接盈利或[编辑后售卖]进行间接盈利)。
2、本站所有内容均由合作方或网友上传,本站不对文档的完整性、权威性及其观点立场正确性做任何保证或承诺!文档内容仅供研究参考,付费前请自行鉴别。
3、如文档内容存在违规,或者侵犯商业秘密、侵犯著作权等,请点击“违规举报”。

碎片内容

铁矿制酸设立评价报告

您可能关注的文档

确认删除?
VIP
微信客服
  • 扫码咨询
会员Q群
  • 会员专属群点击这里加入QQ群
客服邮箱
回到顶部