电脑桌面
添加小米粒文库到电脑桌面
安装后可以在桌面快捷访问

汽车修理工高级操作-评分记录表VIP免费

汽车修理工高级操作-评分记录表_第1页
1/7
汽车修理工高级操作-评分记录表_第2页
2/7
汽车修理工高级操作-评分记录表_第3页
3/7
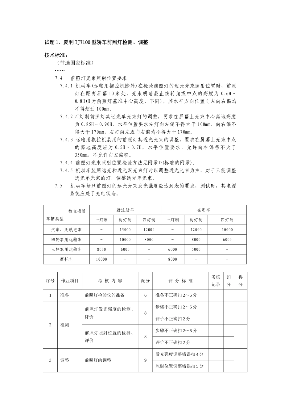
总成绩表统分人:年月日序号试题名称配分(权重)得分备注1夏利TJ7100型轿车前照灯检测、调整352北京BJ2020型越野汽车发动机水温过高的故障诊断与排除403拆画分析东风EQ1090型载货汽车发动机充电系电路图154公爵V30GL系列轿车发动机化油器检修10合计100试题1、夏利TJ7100型轿车前照灯检测、调整技术标准:(节选国家标准)……7.4前照灯光束照射位置要求7.4.1机动车(运输用拖拉机除外)在检验前照灯的近光光束照射位置时,前照灯在距离屏幕10米处,光束明暗截止线转角或中点的高度为0.6H~0.8H(H为前照灯基准中心高度,下同),其水平方向位置向左向右偏均不得超过100mm。7.4.2四灯制前照灯其远光单光束灯的调整,要求在屏幕上光束中心离地高度为0.85H~0.90H,水平位置要求左灯向左偏不得大于100mm,向右偏不得大于170mm,右灯向左或向右偏均不得大于170mm。7.4.3运输用拖拉机装用的前照灯其近光光束的调整,要求在屏幕上光束中点的离地高度应为0.5H~0.7H,水平位置要求,允许向右偏移不大于350mm,不允许向左偏移。7.4.4前照灯光束照射位置检验方法见附录D(标准的附录)。7.4.5机动车装用远光和近光双光束灯时以调整近光光束为主,对于只能调整远光单光束的灯,调整远光单光束。7.5机动车每只前照灯的远光光束发光强度应达到表的要求,测试时,其电源系统应处于充电状态。检查项目车辆类型新注册车在用车一灯制两灯制四灯制一灯制两灯制四灯制汽车、无轨电车-1500012000-1200010000四轮农用运输车-100008000-80006000三轮农用运输车80006000-60005000-摩托车10000--8000--序号作业项目考核内容配分评分标准考核记录扣分得分1准备前照灯检验仪的准备6准备不正确扣2~6分2检测前照灯发光强度的检测、评价8步骤不正确扣2~6分评价不正确扣2分前照灯照射位置的检测、评价8步骤不正确扣2~6分评价不正确扣2分3调整前照灯的调整9发光强度调整错误扣4分照射位置调整错误扣5分4安全文明生产遵守安全操作规程,正确使用工量具,操作现场整洁4每项扣1分,扣完为止安全用电,防火,无人身、设备事故因违规操作发生重大人身或设备事故,此题按0分计5总计35评分人:年月日核分人:年月日试题2、北京BJ2020型越野汽车发动机水温过高的故障诊断与排除技术标准:(1)发动机点火提前角为8°~12°;(2)节温器初开温度80℃,全开温度90℃,全开升程8mm以上。技术要求:(1)发动机在各种工况下运转时,其水温表应显示正常;(2)发动机的节温器应工作正常;(3)散热器散热良好,表面不得粘有过多脏物,内部水垢不能太多;(4)冷却风扇工作正常;(5)点火提前角符合原厂规定。序号考核内容配分评分标准考核记录扣分得分1正确使用工具、仪表4使用错误扣4分个别使用不当酌情扣分2根据故障现象分析故障原因14检查方法错误扣5分检查程序错误扣5分检查结果错误扣4分3明确故障部位(口述)4不能明确的扣4分4排除发动机水温过高的故障10不能排除故障的扣10分排除不彻底酌情扣分5验证排除效果4不验证的扣4分6遵守安全操作规程,正确使用工量具,操作现场整洁4每项扣1分,扣完为止安全用电,防火,无人身、设备事故因违规操作发生重大人身或设备事故,此题按0分计7总计40评分人:年月日核分人:年月日试题3、拆画分析东风EQ1090型载货汽车发动机充电系电路图技术标准:(1)见充电系电路图;R1(助振电阻)1Ω;R2(附加电阻)8。5Ω;R3(温度补偿电阻)13ΩK1上触点K2下触点(2)闭合点火开关SW,蓄电池电流同时流经调节器磁化线圈和发电机的磁场绕组。磁化线圈的电路为:蓄电池正极→电流表→点火开关SW→调节器“火线”(B)接线柱→R1→磁化线圈→R3→搭铁→蓄电池负极。由于电流流入磁化线圈产生的电磁力不能克服弹簧拉力,所以低速触点K1仍保持闭合。此时,磁场电流的电路为:蓄电池正极→电流表A→点火开关SW→调节器火线接线柱“B”→静触点支架→低速触点K1→衔铁→磁轭→调节器“磁场”接线柱(F)→发电机“F”接线柱→电刷和滑环→磁场绕组→滑环和电刷→发电机“一”接线柱→搭铁→蓄电池负极。发电机低速运转时,由于磁场电流由蓄电池供给,使转子磁场增强,于是...

1、当您付费下载文档后,您只拥有了使用权限,并不意味着购买了版权,文档只能用于自身使用,不得用于其他商业用途(如 [转卖]进行直接盈利或[编辑后售卖]进行间接盈利)。
2、本站所有内容均由合作方或网友上传,本站不对文档的完整性、权威性及其观点立场正确性做任何保证或承诺!文档内容仅供研究参考,付费前请自行鉴别。
3、如文档内容存在违规,或者侵犯商业秘密、侵犯著作权等,请点击“违规举报”。

碎片内容

汽车修理工高级操作-评分记录表

您可能关注的文档

确认删除?
VIP
微信客服
  • 扫码咨询
会员Q群
  • 会员专属群点击这里加入QQ群
客服邮箱
回到顶部