电脑桌面
添加小米粒文库到电脑桌面
安装后可以在桌面快捷访问

课题二 基本控制指令应用之任务3 三相异步电动机Y-△降压启动控制VIP免费

课题二  基本控制指令应用之任务3 三相异步电动机Y-△降压启动控制_第1页
1/34
课题二  基本控制指令应用之任务3 三相异步电动机Y-△降压启动控制_第2页
2/34
课题二  基本控制指令应用之任务3 三相异步电动机Y-△降压启动控制_第3页
3/34
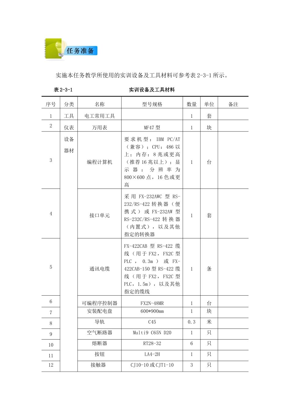
课题二基本控制指令应用任务3三相异步电动机Y-△降压启动控制知识目标:1.掌握主控指令MC、MRC的功能及应用,同时了解主控指令与多重输出指令的异同点。2.掌握主控指令在PLC的软件系统及梯形图的编程原则。能力目标:1.会根据控制要求,能灵活地运用经验法,通过主控指令或多重输出指令实现三相异步电动机Y-△降压启动控制的梯形图程序设计。2.能通过三菱GX-Developer编程软件,采用梯形图输入法或指令语句表输入法进行编程,并通过仿真软件采用软元件测试的方法,进行仿真;然后将仿真成功后的程序下载写入到事先接好外部接线的PLC中,完成控制系统的调试。如图2-3-1所示是三相异步电动机Y—△降压启动的继电控制电路。本次任务就是:用PLC控制系统来实现如图2-3-1所示的三相交流异步电动机的Y—△降压启动控制,其控制的时序图如图2-3-2所示。图2-3-1三相异步电动机Y—△降压启动的继电控制电路图2-3-2三相异步电动机Y—△降压启动控制时序图任务控制要求:(1)能够用按钮控制三相交流异步电动机的Y-△降压启动和停止。(2)具有短路保护和过载保护等必要的保护措施。(3)利用PLC基本指令中的主控指令或多重输出指令来实现上述控制。实施本任务教学所使用的实训设备及工具材料可参考表2-3-1所示。表2-3-1实训设备及工具材料序号分类名称型号规格数量单位备注1工具电工常用工具1套2仪表万用表MF47型1块3设备器材编程计算机要求机型:IBMPC/AT(兼容);CPU:486以上;内存:8兆或更高(推荐16兆以上);显示器:分辨率为800×600点,16色或更高1台4接口单元采用FX-232AWC型RS-232/RS-422转换器(便携式)或FX-232AW型RS-232C/RS-422转换器(内置式),以及其他指定的转换器1套5通讯电缆FX-422CAB型RS-422缆线(用于FX2,FX2C型PLC,0.3m)或FX-422CAB-150型RS-422缆线(用于FX2,FX2C型PLC,1.5m),以及其他指定的缆线1条6可编程序控制器FX2N-48MR1台7安装配电盘600*900mm1块8导轨C450.3米9空气断路器Multi9C65ND201只10熔断器RT28-326只11按钮LA4-2H1只12接触器CJ10-10或CJT1-103只13接线端子D-2020只14三相异步电动机△接法,自定1台15消耗材料铜塑线BV1/1.37mm210米主电路16铜塑线BV1/1.13mm215米控制电路17软线BVR7/0.75mm210米18紧固件M4*20螺杆若干只19M4*12螺杆若干只20Φ4平垫圈若干只21Φ4弹簧垫圈及Φ4螺母若干只22号码管若干米23号码笔1支通过对如图2-3-1所示的继电器控制线路图和如图2-3-2所示的控制时序图分析,可知三相异步电动机的Y—△降压启动控制原理为:启动时,首先合上总电源开关QF,按下启动按钮SB2,接触器KM1线圈得电,其辅助常开触头闭合自锁,主触头闭合;接触器KM3和时间继电器KT线圈同时得电,辅助常闭触头断开联锁;主触头闭合,电动机Y形启动。5S后,时间继电器KT的延时断开瞬时闭合常闭触头延时断开,接触器KM3线圈失电,其主触头断开,Y形启动结束。而KM3辅助常闭触头复位,时间继电器KT的延时闭合瞬时断开常开触头延时闭合,接触器KM2线圈得电,KM2主触头闭合,其辅助常开触头闭合自锁,电动机△形运行;KM2辅助常闭触头断开联锁,时间继电器KT线圈失电,其延时断开瞬时闭合常闭触头复位为下次启动作准备。需要停止时,按下停止按钮SB1即可。在进行本次任务学习时,应首先了解实现本次任务PLC控制的主控指令的功能及应用,以及主控指令在PLC的软件系统及梯形图的编程原则。然后根据控制要求,能灵活地运用经验法,按照梯形图的设计原则,运用主控指令将三相异步电动机Y—△降压启动的继电控制电路转换成梯形图。同时通过三菱GX-Developer编程软件,采用梯形图输入法或指令表输入法,输入控制程序,并通过仿真软件采用软元件测试的方法,进行模拟仿真运行;最后将仿真成功后的程序下载,并写入到事先接好外部接线的PLC中,完成控制系统的调试。一、主控移位和复位指令(MC、MRC)在编程时常遇到具有主控点的电路,使用主控触点移位和复位指令往往会使编程简化。1.指令的助记符和功能主控移位和复位指令的助记符和功能如下表2-3-2所示。表2-3-2主控移位和复位指令的助记符及功能指令助记符、名称功能可作用的软元件程序步MC(主控移位)公共...

1、当您付费下载文档后,您只拥有了使用权限,并不意味着购买了版权,文档只能用于自身使用,不得用于其他商业用途(如 [转卖]进行直接盈利或[编辑后售卖]进行间接盈利)。
2、本站所有内容均由合作方或网友上传,本站不对文档的完整性、权威性及其观点立场正确性做任何保证或承诺!文档内容仅供研究参考,付费前请自行鉴别。
3、如文档内容存在违规,或者侵犯商业秘密、侵犯著作权等,请点击“违规举报”。

碎片内容

课题二 基本控制指令应用之任务3 三相异步电动机Y-△降压启动控制

海纳百川+ 关注
实名认证
内容提供者

热爱教学事业,对互联网知识分享很感兴趣

确认删除?
VIP
微信客服
  • 扫码咨询
会员Q群
  • 会员专属群点击这里加入QQ群
客服邮箱
回到顶部