电脑桌面
添加小米粒文库到电脑桌面
安装后可以在桌面快捷访问

混凝土预制U型槽单元工程质量评定表VIP免费

混凝土预制U型槽单元工程质量评定表_第1页
1/67
混凝土预制U型槽单元工程质量评定表_第2页
2/67
混凝土预制U型槽单元工程质量评定表_第3页
3/67
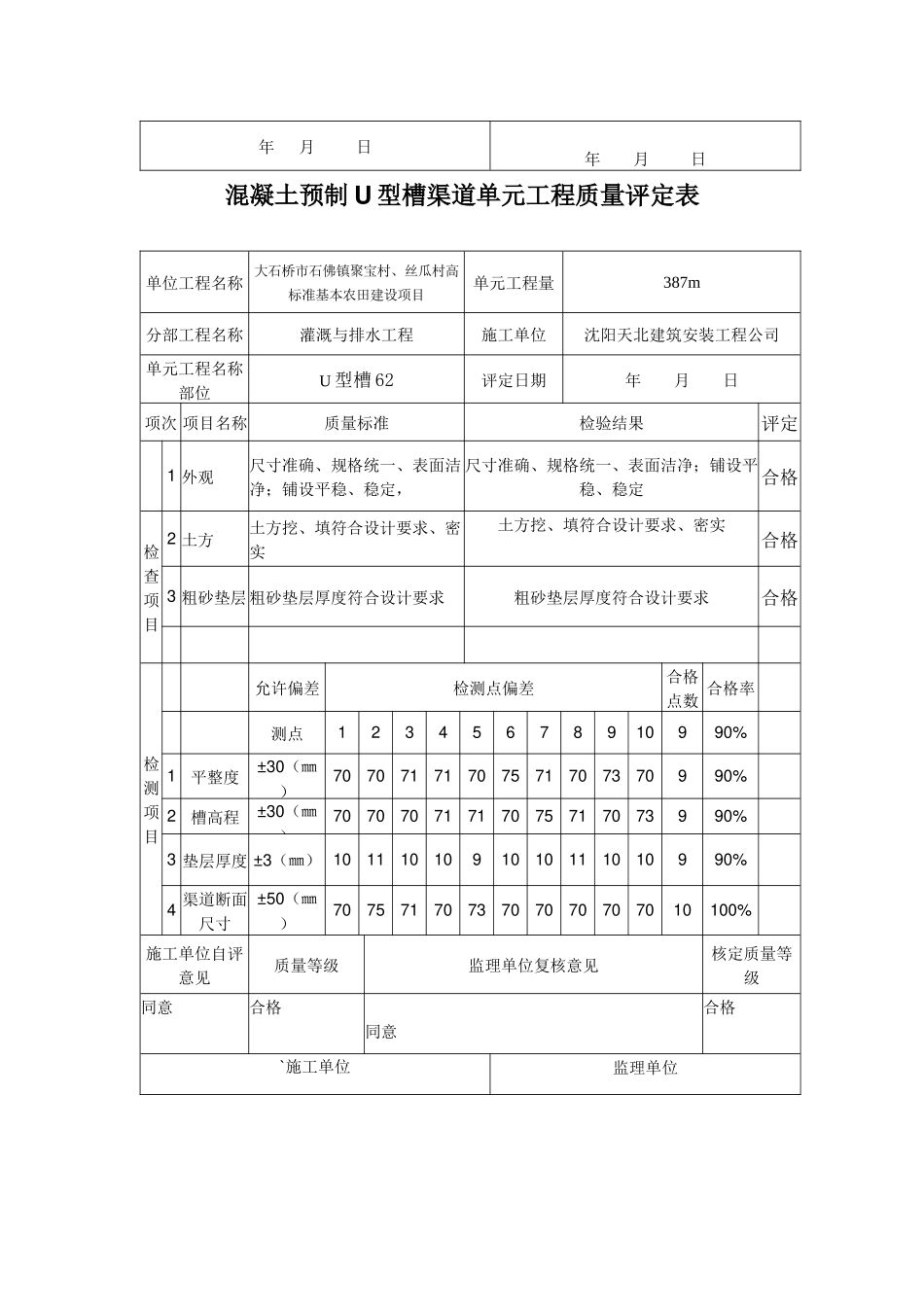
混凝土预制U型槽渠道单元工程质量评定表单位工程名称大石桥市石佛镇聚宝村、丝瓜村高标准基本农田建设项目单元工程量188m分部工程名称灌溉与排水工程施工单位沈阳天北建筑安装工程公司单元工程名称部位U型槽59评定日期年月日项次项目名称质量标准检验结果评定1外观尺寸准确、规格统一、表面洁净;铺设平稳、稳定,尺寸准确、规格统一、表面洁净;铺设平稳、稳定合格检查项目2土方土方挖、填符合设计要求、密实土方挖、填符合设计要求、密实合格3粗砂垫层粗砂垫层厚度符合设计要求粗砂垫层厚度符合设计要求合格检测项目允许偏差检测点偏差合格点数合格率测点12345678910990%1平整度±30(㎜)70707071707471707370990%2槽高程±30(㎜)70707071717075717073990%3垫层厚度±3(㎜)1011101091010111010990%4渠道断面尺寸±50(㎜)7075717073707070707010100%施工单位自评意见质量等级监理单位复核意见核定质量等级同意合格同意合格`施工单位监理单位年月日年月日混凝土预制U型槽渠道单元工程质量评定表单位工程名称大石桥市石佛镇聚宝村、丝瓜村高标准基本农田建设项目单元工程量426m分部工程名称灌溉与排水工程施工单位沈阳天北建筑安装工程公司单元工程名称部位U型槽61评定日期年月日项次项目名称质量标准检验结果评定1外观尺寸准确、规格统一、表面洁净;铺设平稳、稳定,尺寸准确、规格统一、表面洁净;铺设平稳、稳定合格检查项目2土方土方挖、填符合设计要求、密实土方挖、填符合设计要求、密实合格3粗砂垫层粗砂垫层厚度符合设计要求粗砂垫层厚度符合设计要求合格检测项目允许偏差检测点偏差合格点数合格率测点12345678910990%1平整度±30(㎜)70707171707571707370990%2槽高程±30(㎜)70707071717075717073990%3垫层厚度±3(㎜)1011101091010111010990%4渠道断面尺寸±50(㎜)7075717073707070707010100%施工单位自评意见质量等级监理单位复核意见核定质量等级同意合格同意合格`施工单位监理单位年月日年月日混凝土预制U型槽渠道单元工程质量评定表单位工程名称大石桥市石佛镇聚宝村、丝瓜村高标准基本农田建设项目单元工程量387m分部工程名称灌溉与排水工程施工单位沈阳天北建筑安装工程公司单元工程名称部位U型槽62评定日期年月日项次项目名称质量标准检验结果评定1外观尺寸准确、规格统一、表面洁净;铺设平稳、稳定,尺寸准确、规格统一、表面洁净;铺设平稳、稳定合格检查项目2土方土方挖、填符合设计要求、密实土方挖、填符合设计要求、密实合格3粗砂垫层粗砂垫层厚度符合设计要求粗砂垫层厚度符合设计要求合格检测项目允许偏差检测点偏差合格点数合格率测点12345678910990%1平整度±30(㎜)70707171707571707370990%2槽高程±30(㎜)70707071717075717073990%3垫层厚度±3(㎜)1011101091010111010990%4渠道断面尺寸±50(㎜)7075717073707070707010100%施工单位自评意见质量等级监理单位复核意见核定质量等级同意合格同意合格`施工单位监理单位年月日年月日混凝土预制U型槽渠道单元工程质量评定表单位工程名称大石桥市石佛镇聚宝村、丝瓜村高标准基本农田建设项目单元工程量399m分部工程名称灌溉与排水工程施工单位沈阳天北建筑安装工程公司单元工程名称部位U型槽63评定日期年月日项次项目名称质量标准检验结果评定1外观尺寸准确、规格统一、表面洁净;铺设平稳、稳定,尺寸准确、规格统一、表面洁净;铺设平稳、稳定合格检查项目2土方土方挖、填符合设计要求、密实土方挖、填符合设计要求、密实合格3粗砂垫层粗砂垫层厚度符合设计要求粗砂垫层厚度符合设计要求合格检测项目允许偏差检测点偏差合格点数合格率测点12345678910990%1平整度±30(㎜)70707171707571707370990%2槽高程±30(㎜)70707071717075717073990%3垫层厚度±3(㎜)1011101091010111010990%4渠道断面尺寸±50(㎜)7075717073707070707010100%施工单位自评意见质量等级监理单位复核意见核定质量等级同意合格同意合格`施工单位监理单位年月日年月日混凝土预制U型槽渠道单元工程质量评定表单位工程名称大石桥市石佛镇聚宝村、丝瓜村高标准基本农田建设项目单元工程量328m分部工程名称...

1、当您付费下载文档后,您只拥有了使用权限,并不意味着购买了版权,文档只能用于自身使用,不得用于其他商业用途(如 [转卖]进行直接盈利或[编辑后售卖]进行间接盈利)。
2、本站所有内容均由合作方或网友上传,本站不对文档的完整性、权威性及其观点立场正确性做任何保证或承诺!文档内容仅供研究参考,付费前请自行鉴别。
3、如文档内容存在违规,或者侵犯商业秘密、侵犯著作权等,请点击“违规举报”。

碎片内容

混凝土预制U型槽单元工程质量评定表

确认删除?
VIP
微信客服
  • 扫码咨询
会员Q群
  • 会员专属群点击这里加入QQ群
客服邮箱
回到顶部