电脑桌面
添加小米粒文库到电脑桌面
安装后可以在桌面快捷访问

空调水系统安装检验批质量验收记录表VIP免费

空调水系统安装检验批质量验收记录表_第1页
1/1
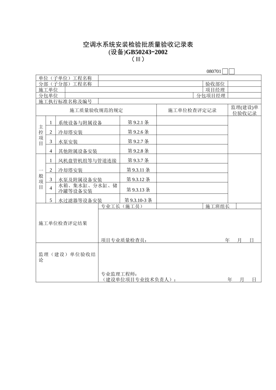
空调水系统安装检验批质量验收记录表(设备)GB50243-2002(Ⅲ)080701单位(子单位)工程名称分部(子分部)工程名称验收部位施工单位项目经理分包单位分包项目经理施工执行标准名称及编号施工质量验收规范的规定施工单位检查评定记录监理(建设)单位验收记录主控项目1系统设备与附属设备第9.2.1条2冷却塔安装第9.2.6条3水泵安装第9.2.7条4其他附属设备安装第9.2.8条一般项目1风机盘管机组等与管道连接第9.3.7条2冷却塔安装第9.3.11条3水泵及附属设备安装第9.3.12条4水箱、集水缸、分水缸、储冷罐等设备安装第9.3.13条5水过滤器等设备安装第9.3.10-3条施工单位检查评定结果专业工长(施工员)施工班组长项目专业质量检查员:年月日监理(建设)单位验收结论专业监理工程师:(建设单位项目专业技术负责人):年月日

1、当您付费下载文档后,您只拥有了使用权限,并不意味着购买了版权,文档只能用于自身使用,不得用于其他商业用途(如 [转卖]进行直接盈利或[编辑后售卖]进行间接盈利)。
2、本站所有内容均由合作方或网友上传,本站不对文档的完整性、权威性及其观点立场正确性做任何保证或承诺!文档内容仅供研究参考,付费前请自行鉴别。
3、如文档内容存在违规,或者侵犯商业秘密、侵犯著作权等,请点击“违规举报”。

碎片内容

空调水系统安装检验批质量验收记录表

您可能关注的文档

确认删除?
VIP
微信客服
  • 扫码咨询
会员Q群
  • 会员专属群点击这里加入QQ群
客服邮箱
回到顶部