电脑桌面
添加小米粒文库到电脑桌面
安装后可以在桌面快捷访问

铁矿石(磁铁矿)及铁铜矿石 矿石加工技术性能VIP免费

铁矿石(磁铁矿)及铁铜矿石 矿石加工技术性能_第1页
1/35
铁矿石(磁铁矿)及铁铜矿石 矿石加工技术性能_第2页
2/35
铁矿石(磁铁矿)及铁铜矿石 矿石加工技术性能_第3页
3/35
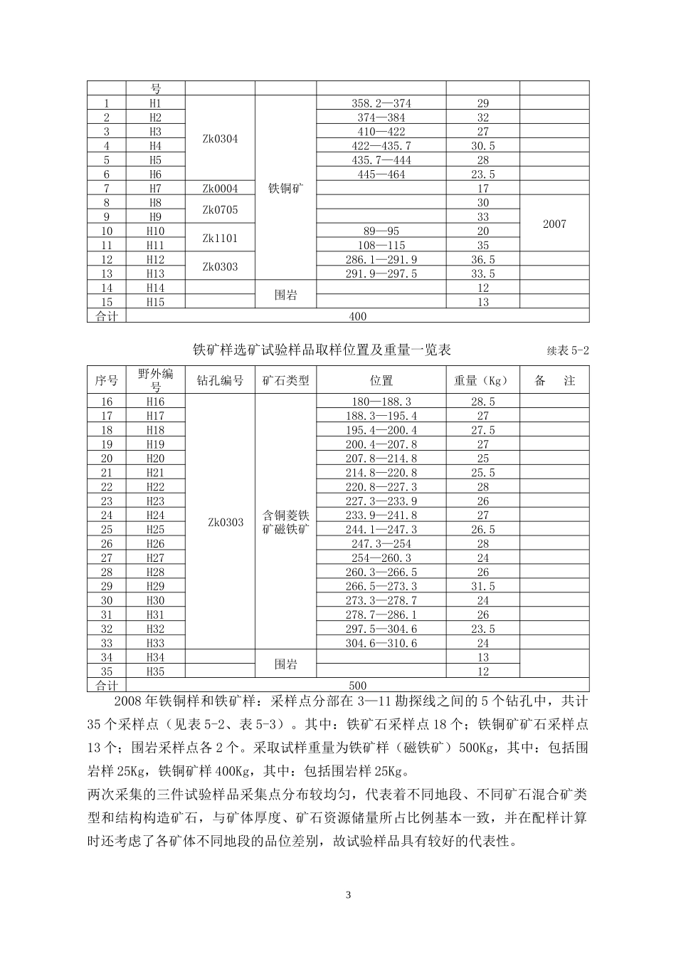
1第五章矿石加工技术性能5.1采样种类、方法及其代表性5.1.1采样目的本次采样目的是对矿区首采地段(即Ⅰ、Ⅱ矿体群)的铁矿石(磁铁矿)及铁铜矿石进行试验采样,进行可选性试验,确定主要金属矿物的选矿方法,对矿石的可选性作出初步评价。5.1.2采样方法及代表性本次试样全部在Ⅰ、Ⅱ矿(体)群的钻孔中采取,样品重量根据各钻孔见矿的矿石类型及见矿厚度比例计算配样,样品采集是在钻孔岩心劈心采取的化学分析样的副样当中称取。共采集试样三件,即:混合样(2007年)、铁铜样和铁矿样(2008年)。2007年混合样:根据各勘探线见矿钻孔中的见矿厚度以及见矿层数配样。采样点分部在11线—36线7个勘探线中的16个钻孔中,共计72个采样点(见表5-1)。其中:铜矿石采样点18个;铁矿石采样点19个;铁铜矿石采样点24个;围岩采样点12个。采取试验样品共计489.37kg,其中围岩样25kg,铁矿石样207.2kg、铁铜矿石样218.2kg、铜矿石样38.97kg。样选矿试验样品取样位置及重量一览表表5-1勘探线工程号FeCu(kg)Fe(kg)Cu(kg)围岩合计11线Zk11O116.185.9722.1507线Zk07024.5111.112.518.12Zk070313.981.56.9822.46Zk0705341.258.2503线Zk030126.526.5Zk030237.5615.443.96Zk03034.5724.5810线Zk000546.6146.6104线Zk040141.67445.67Zk040249.078.652.560.22Zk04032.524.5Zk0404221.4823.48Zk04071811908线Zk08056.531.0910.0247.6136线Zk3604121.3513.35Zk36056.496.49合计218.2207.238.9725.489.37铁铜矿选矿试验样品取样位置及重量一览表表5-2序号野外编钻孔编号矿石类型位置重量(Kg)备注2号1H1Zk0304铁铜矿358.2—374292H2374—384323H3410—422274H4422—435.730.55H5435.7—444286H6445—46423.57H7Zk0004178H8Zk07053020079H93310H10Zk110189—952011H11108—1153512H12Zk0303286.1—291.936.513H13291.9—297.533.514H14围岩1215H1513合计400铁矿样选矿试验样品取样位置及重量一览表续表5-2序号野外编号钻孔编号矿石类型位置重量(Kg)备注16H16Zk0303含铜菱铁矿磁铁矿180—188.328.517H17188.3—195.42718H18195.4—200.427.519H19200.4—207.82720H20207.8—214.82521H21214.8—220.825.522H22220.8—227.32823H23227.3—233.92624H24233.9—241.82725H25244.1—247.326.526H26247.3—2542827H27254—260.32428H28260.3—266.52629H29266.5—273.331.530H30273.3—278.72431H31278.7—286.12632H32297.5—304.623.533H33304.6—310.62434H34围岩1335H3512合计5002008年铁铜样和铁矿样:采样点分部在3—11勘探线之间的5个钻孔中,共计35个采样点(见表5-2、表5-3)。其中:铁矿石采样点18个;铁铜矿矿石采样点13个;围岩采样点各2个。采取试样重量为铁矿样(磁铁矿)500Kg,其中:包括围岩样25Kg,铁铜矿样400Kg,其中:包括围岩样25Kg。两次采集的三件试验样品采集点分布较均匀,代表着不同地段、不同矿石混合矿类型和结构构造矿石,与矿体厚度、矿石资源储量所占比例基本一致,并在配样计算时还考虑了各矿体不同地段的品位差别,故试验样品具有较好的代表性。3混匀缩分细碎筛分(3mm)试样选矿试验用样图5-1样品制备流程+3mm-3mm分析副样化学分析粗碎中碎5.2选矿流程试验种类及试验样品制备本次采取的2007年混合矿样品进行了可选性试验,2008年的铁矿样和铁铜样进行了小型实验室选矿试验。样品制备:试验用矿样到达后先取出工艺矿物学研究样,然后将其余矿样破碎、混匀。试样破碎缩分流程见图5-1。试样中除缩分出多元素化学分析样和物相分析样外,其余矿样均装袋用于进行选矿试验。5.3磨矿粒度试验5.3.1主要目的矿物的嵌布粒度矿石中主要目的矿物的粒度组成及其分布特点对确定磨矿粒度和制订合理的选矿工艺流程有着直接的影响。为此,在显微镜下对矿石中铁矿物(包括磁铁矿、半假象~假象赤铁矿)和铜矿物的嵌布粒度进行了统计,结果列于表5-4。由表5-4可以看出,矿石中铜矿物和铁矿物均具不均匀细粒~微细粒嵌布的特征。相对而言,铁矿物的粒度略粗。当粒级为+0.15mm时,正累计分布率铁矿物为75.12%~86.18%、铜矿物为70.38%~76.41%。单纯从嵌布粒度来看,欲使90%以上的铁矿物...

1、当您付费下载文档后,您只拥有了使用权限,并不意味着购买了版权,文档只能用于自身使用,不得用于其他商业用途(如 [转卖]进行直接盈利或[编辑后售卖]进行间接盈利)。
2、本站所有内容均由合作方或网友上传,本站不对文档的完整性、权威性及其观点立场正确性做任何保证或承诺!文档内容仅供研究参考,付费前请自行鉴别。
3、如文档内容存在违规,或者侵犯商业秘密、侵犯著作权等,请点击“违规举报”。

碎片内容

铁矿石(磁铁矿)及铁铜矿石 矿石加工技术性能

精品中小学资料+ 关注
实名认证
内容提供者

精品文档

确认删除?
VIP
微信客服
  • 扫码咨询
会员Q群
  • 会员专属群点击这里加入QQ群
客服邮箱
回到顶部