电脑桌面
添加小米粒文库到电脑桌面
安装后可以在桌面快捷访问

某电力公司生产经营财务分析报告VIP专享VIP免费

某电力公司生产经营财务分析报告_第1页
1/23
某电力公司生产经营财务分析报告_第2页
2/23
某电力公司生产经营财务分析报告_第3页
3/23
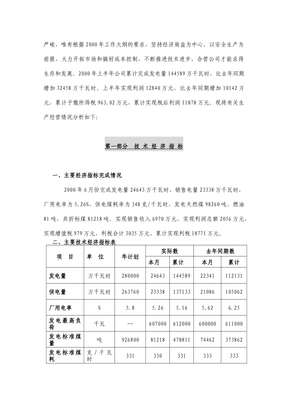
徐州华润电力有限公司生产经营财务分析报告(迄2000年6月30日止)财务管理部目录第一部分技术经济指标一、主要技术经济指标完成情况二、技术经济指标表三、指标完成情况说明1、发电量2、厂用电率3、上网电量4、发电煤耗率5、燃料消耗情况第二部分利润增减情况分析一、主要财务状况表二、影响利润增减的因素分析1、增加利润的因素分析2、减少利润的因素分析三、敏感性分析四、盈亏平衡分析第三部分生产成本分析第四部分资金运作第五部分竞价上网情况分析第六部分财务管理指标分析第七部分经营情况预测第八部分存在的问题及改进措施2000年,整个国民经济仍处于恢复性增长阶段,全社会用电需求不会有较大幅度的增长,合资、集资电厂将进一步受到影响,机组平均利用小时在99年不足4500小时的基础上还会有所下降;江苏省竞价上网改革力度加大,还本付息电价仍有下调可能。这些都说明合营公司在新的一年里面临的经营形势更加严峻,唯有根据2000年工作大纲的要求,坚持经济效益为中心,以安全生产为前提,大力开拓市场和搞好成本控制,不断推进技术进步,合营公司才能求得生存和发展。2000年上半年公司累计完成发电量144589万千瓦时,比去年同期增加32458万千瓦时。上半年实现利润12840万元,比去年同期增加10142万元,累计予缴所得税963.02万元,累计实现税后利润11878万元。现将有关生产经营情况分析如下:第一部分技术经济指标一、主要经济指标完成情况2000年6月份完成发电量24643万千瓦时,销售电量23338万千瓦时,厂用电率为5.26%,供电煤耗率为348克/千瓦时,发电天然煤98260吨、燃油81吨,共折标煤81218吨。实现销售收入6970万元,实现利润总额2056万元,实现增值税979万元,利税合计3035万元,累计实现利税18771万元。二、主要技术经济指标表项目单位年计划实际数去年同期数本月累计本月累计发电量万千瓦时2800002464314458922341112131供电量万千瓦时2637602333813713321086105062厂用电率%5.85.265.165.626.25发电最高负荷千瓦--607000612000600000611000发电标准煤量吨9268008121847881174462373862发电标准煤耗克/千瓦时331330331333333供电标准煤耗克/千瓦时349348349353356发电用原煤量吨11768009826059799892609478444发电用燃油量吨180081596178541标煤单价元/吨233.04199.38200.73241.06252.26发电燃料费万元215981619.329611.3517959431实现增值税万元1116597959319704683销售收入万元79741697042552715835682销售成本万元558944081.1924295448724947财务费用万元10282823.34535912677769利润总额万元134612055.911284015762699三、主要技术经济指标完成情况说明①发电量2000年上半年,合营公司基本发电量实绩126509万千瓦时,完成基本发电量计划119353万千瓦时的94.35%;竞价发电量计划为18200万千瓦时,实际完成竞价电量18078.99万千瓦时,占竞价电量计划的99.34%。上半年累计完成发电量144589万千瓦时,比去年同期增加32458万千瓦时。五月份发电量计划为23904万千瓦时,实际完成发电量22589万千瓦时,占月度计划电量的94.50%,是上半年唯一没有完成发电任务的月份。图一:97年-2000年(1-6月)累计电量比较示意图②厂用电率2000年6月,综合厂用电率为5.26%,与年度计划的5.8%相比下降0.54个百分点,与上年同期的5.62%相比下降0.36个百分点,增加上网电量1478.58万千瓦时,增加售电收入489.32万元;本年累计厂用电率为5.16%,比去年同期的6.25%降低1.09个百分点,增加上网电量24580.13万千瓦时,增加售电收入7340万元。图二:华润电力97年—2000年1-6月累计厂用电率(%)示意图③上网电量2000年6月,合营公司完成上网电量23338万千瓦时(其中竞价上网电量4736.97万千瓦时),完成月度计划上网电量的112%,与去年同期相比增加2252万千瓦时,增加售电收入745.27万元,增加利润198.40万元;上半年上网电量137133万千瓦时(其中竞价电量17150.56万千瓦时),比去年同期增加32071万千瓦时,增加售电收入9576万元,增加经营利润2825.46万元.④发电煤耗率2000年6月,发电煤耗为330g/kWh,与上年同期相比下降3克,节约标煤739.29吨;累计发电煤耗比去年同期下降2克,节约标煤289...

1、当您付费下载文档后,您只拥有了使用权限,并不意味着购买了版权,文档只能用于自身使用,不得用于其他商业用途(如 [转卖]进行直接盈利或[编辑后售卖]进行间接盈利)。
2、本站所有内容均由合作方或网友上传,本站不对文档的完整性、权威性及其观点立场正确性做任何保证或承诺!文档内容仅供研究参考,付费前请自行鉴别。
3、如文档内容存在违规,或者侵犯商业秘密、侵犯著作权等,请点击“违规举报”。

碎片内容

某电力公司生产经营财务分析报告

确认删除?
VIP
微信客服
  • 扫码咨询
会员Q群
  • 会员专属群点击这里加入QQ群
客服邮箱
回到顶部