电脑桌面
添加小米粒文库到电脑桌面
安装后可以在桌面快捷访问

连接管路敷设安装工程检验批质量验收记录表VIP免费

连接管路敷设安装工程检验批质量验收记录表_第1页
1/3
连接管路敷设安装工程检验批质量验收记录表_第2页
2/3
连接管路敷设安装工程检验批质量验收记录表_第3页
3/3
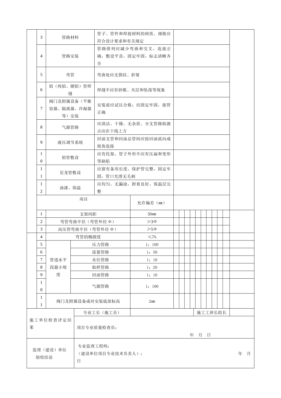
连接管路敷设安装工程检验批质量验收记录表单位(子单位)工程名称分部(子分部)工程名称验收部位施工单位项目经理分包单位分包项目经理施工执行标准名称及编号项别项目质量施工单位检查评定记录监理(建设)单位验收记录主控项目1坡度管路的水平段应保持一定的坡度,倾斜方向必须正确2管路试压管路的强度、严密性和真空度试验必须符合设计院要求和有关规定3焊接焊缝表面及热影响区不得有裂纹;焊缝表面不得有气孔和夹渣等缺陷。有特殊要求的焊口必须符合规定4不锈钢焊缝不锈钢管道自焊缝表面及热影响区,不得有裂纹和过烧;焊缝表面不得有气孔和夹渣等缺陷氩弧焊的焊缝表面不得有发黑、发渣和钨的飞溅物等缺陷5铜(紫铜、黄铜)管焊缝表面不提有裂缝、气孔和未熔合等缺陷钎焊的焊缝表面应光洁,不应有较大焊瘤及焊接边缘被熔化等缺陷6铝(纯铝、合金铝)管道焊缝管道的焊缝及影响区不得有裂纹和过烧;焊缝表面不得有气孔和夹渣等缺陷氩弧焊的焊缝表面不得有发黄、发黑、发渣或花斑和钨的飞溅物等缺陷7分析器放空管位置和高度必须符合设计要求8清洗、脱脂需要清洗、脱脂的管道、仪表、阀门、部件、附件、垫片和填料等,必须按规定严格进行清洗脱脂一般项目1支(桥)架安装支架应平正、牢固,排列整齐,间距均匀2线槽和桥架应外形完整,,横平竖直,固定牢固,连接处不应错口,不同宽度的线槽和桥回相接应平缓过渡3管路材料管子、管件和焊接材料的材质、规格应符合设计要求和有关规定4管路安装管路排列应减少弯曲和交叉,连接正确,敷设平直,固定牢固,标志清晰齐全5弯管弯曲处应无裂纹、折皱6铅(纯铅、硬铅)管焊缝焊缝不应有砂眼、夹层和坠落等现象7阀门及附属设备(平衡容器、隔离器、冷凝器等)安装安装前应试压合格;应固定牢固,接管正确8气源管路应清洁、干燥、无杂质。分支管路取源点应在干线上方9液压调节系统回油支管和回油总管间应按回油流向成锐角连接10铅管敷设应有托架,管子外形不应有压扁和变形等缺陷11尼龙管敷设应留有备用长度,保护管完整,固定牢固,管口光滑无毛刺12油漆、保温应均匀、无漏涂,附着良好。保温层完整项目允许偏差(㎜)1支架间距50㎜2弯管弯曲半径(弯管外径Φ)≥3Φ3高压管弯曲半径(弯管外径Φ)≥5Φ4弯管的椭圆度≤7%5管道水平段最小坡度压力管路1:1006流量管路1:507水位管路1:108取样管路1:209回油管路1:1010气源管路1:10011阀门及附属设备成对安装底部标高2㎜施工单位检查评定结果专业工长(施工员)施工工班长组长项目专业质量检查员:年月日监理(建设)单位验收结论专业监理工程师:(建设单位项目专业技术负责人):年月日

1、当您付费下载文档后,您只拥有了使用权限,并不意味着购买了版权,文档只能用于自身使用,不得用于其他商业用途(如 [转卖]进行直接盈利或[编辑后售卖]进行间接盈利)。
2、本站所有内容均由合作方或网友上传,本站不对文档的完整性、权威性及其观点立场正确性做任何保证或承诺!文档内容仅供研究参考,付费前请自行鉴别。
3、如文档内容存在违规,或者侵犯商业秘密、侵犯著作权等,请点击“违规举报”。

碎片内容

连接管路敷设安装工程检验批质量验收记录表

海纳百川+ 关注
实名认证
内容提供者

热爱教学事业,对互联网知识分享很感兴趣

相关文档

确认删除?
VIP
微信客服
  • 扫码咨询
会员Q群
  • 会员专属群点击这里加入QQ群
客服邮箱
回到顶部