电脑桌面
添加小米粒文库到电脑桌面
安装后可以在桌面快捷访问

第一届全国数控技能大赛数控铣工理论知识竞赛题VIP免费

第一届全国数控技能大赛数控铣工理论知识竞赛题_第1页
1/8
第一届全国数控技能大赛数控铣工理论知识竞赛题_第2页
2/8
第一届全国数控技能大赛数控铣工理论知识竞赛题_第3页
3/8
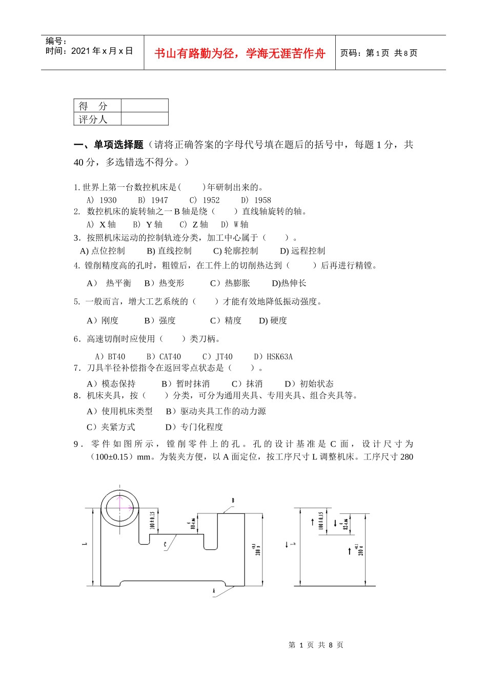
第1页共8页编号:时间:2021年x月x日书山有路勤为径,学海无涯苦作舟页码:第1页共8页得分评分人一、单项选择题(请将正确答案的字母代号填在题后的括号中,每题1分,共40分,多选错选不得分。)1.世界上第一台数控机床是()年研制出来的。A)1930B)1947C)1952D)19582.数控机床的旋转轴之一B轴是绕()直线轴旋转的轴。A)X轴B)Y轴C)Z轴D)W轴3.按照机床运动的控制轨迹分类,加工中心属于()。A)点位控制B)直线控制C)轮廓控制D)远程控制4.镗削精度高的孔时,粗镗后,在工件上的切削热达到()后再进行精镗。A)热平衡B)热变形C)热膨胀D)热伸长5.一般而言,增大工艺系统的()才能有效地降低振动强度。A)刚度B)强度C)精度D)硬度6.高速切削时应使用()类刀柄。A)BT40B)CAT40C)JT40D)HSK63A7.刀具半径补偿指令在返回零点状态是()。A)模态保持B)暂时抹消C)抹消D)初始状态8.机床夹具,按()分类,可分为通用夹具、专用夹具、组合夹具等。A)使用机床类型B)驱动夹具工作的动力源C)夹紧方式D)专门化程度9.零件如图所示,镗削零件上的孔。孔的设计基准是C面,设计尺寸为(100±0.15)mm。为装夹方便,以A面定位,按工序尺寸L调整机床。工序尺寸280第2页共8页第1页共8页编号:时间:2021年x月x日书山有路勤为径,学海无涯苦作舟页码:第2页共8页0+0.1mm、80−0.060mm在前道工序中已经得到,在本工序的尺寸链中为组成环。而本工序间接得到的设计尺寸(100±0.15)为尺寸链的封闭环,尺寸80−0.060mm和L为增环,2800+0.1mm为减环,那么工序尺寸L及其公差应该为()A)L=300−0.15+0.15B)L=300−0.150C)L=3000+0.1D)L=300+0.01+0.1510.长V形架对圆柱定位,可限制工件的()自由度。A)二个B)三个C)四个D)五个11.在磨一个轴套时,先以内孔为基准磨外圆,再以外圆为基准磨内孔,这是遵循()的原则。A)基准重合B)基准统一C)自为基准D)互为基准12.将钢加热到发生相变的温度,保温一定时间,然后缓慢冷却到室温的热处理叫()。A)退火B)回火C)正火D)调质13.球头铣刀的球半径通常()加工曲面的曲率半径。A)小于B)大于C)等于D)A,B,C都可以14.用水平仪检验机床导轨的直线度时,若把水平仪放在导轨的右端;气泡向右偏2格;若把水平仪放在导轨的左端,气泡向左偏2格,则此导轨是()状态。A)中间凸B)中间凹C)不凸不凹D)扭曲15.一般情况,制作金属切削刀具时,硬质合金刀具的前角()高速钢刀具的前角。A.大于B.等于C.小于D.都有可能16.刀具的选择主要取决于工件的结构、工件的材料、工序的加工方法和()。A)设备B)加工余量C)加工精度D)工件被加工表面的粗糙度17.下列形位公差符号中(B)表示同轴度位置公差。图-118.某轴直径为Ø30mm,当实际加工尺寸为Ø29.979mm时,允许的最大弯曲值为()mm。A)0B)0.01C)0.021D)0.01519.FANUC系统中,程序段G17G16G90X100.0Y30.0中,X指令是()A)X轴座标位置B)极坐标原点到刀具中心距离C)旋转角度D)时间参数第3页共8页第2页共8页编号:时间:2021年x月x日书山有路勤为径,学海无涯苦作舟页码:第3页共8页20.在数控铣床的()内设有自动松拉刀装置,能在短时间内完成装刀、卸刀,使换刀较方便。A)主轴套筒B)主轴C)套筒D)刀架21.FANUC系统中,程序段G51X0Y0P1000中,P指令是()A)子程序号B)缩放比例C)暂停时间D)循环参数22.数控机床由四个基本部分组成:()、数控装置、伺服机构和机床机械部分。A)数控程序B)数控介质C)辅助装置D)可编程控制器23.工件的一个或几个自由度被不同的定位元件重复限制的定位称为()。A)完全定位B)欠定位C)过定位D)不完全定位24.数控机床中把脉冲信号转换成机床移动部件运动的组成部分称为()。A)控制介质B)数控装置C)伺服系统D)机床本体25.()是液压系统的执行元件。A)电动机B)液压泵C)液压缸D)液压控制阀26.FANUC系统中,程序段G68X0Y0R45.0中,R指令是()A)半径值B)顺时针旋转45ºC)逆时针旋转45D)循环参数27.数控机床精度检验主要包括机床的几何精度检验和坐标精度及()精度检验。A)综合B)运动C)切削D)工作28.数控...

1、当您付费下载文档后,您只拥有了使用权限,并不意味着购买了版权,文档只能用于自身使用,不得用于其他商业用途(如 [转卖]进行直接盈利或[编辑后售卖]进行间接盈利)。
2、本站所有内容均由合作方或网友上传,本站不对文档的完整性、权威性及其观点立场正确性做任何保证或承诺!文档内容仅供研究参考,付费前请自行鉴别。
3、如文档内容存在违规,或者侵犯商业秘密、侵犯著作权等,请点击“违规举报”。

碎片内容

第一届全国数控技能大赛数控铣工理论知识竞赛题

您可能关注的文档

确认删除?
VIP
微信客服
  • 扫码咨询
会员Q群
  • 会员专属群点击这里加入QQ群
客服邮箱
回到顶部