电脑桌面
添加小米粒文库到电脑桌面
安装后可以在桌面快捷访问

绍兴市烟草局应急订单作业指导书VIP免费

绍兴市烟草局应急订单作业指导书_第1页
1/46
绍兴市烟草局应急订单作业指导书_第2页
2/46
绍兴市烟草局应急订单作业指导书_第3页
3/46
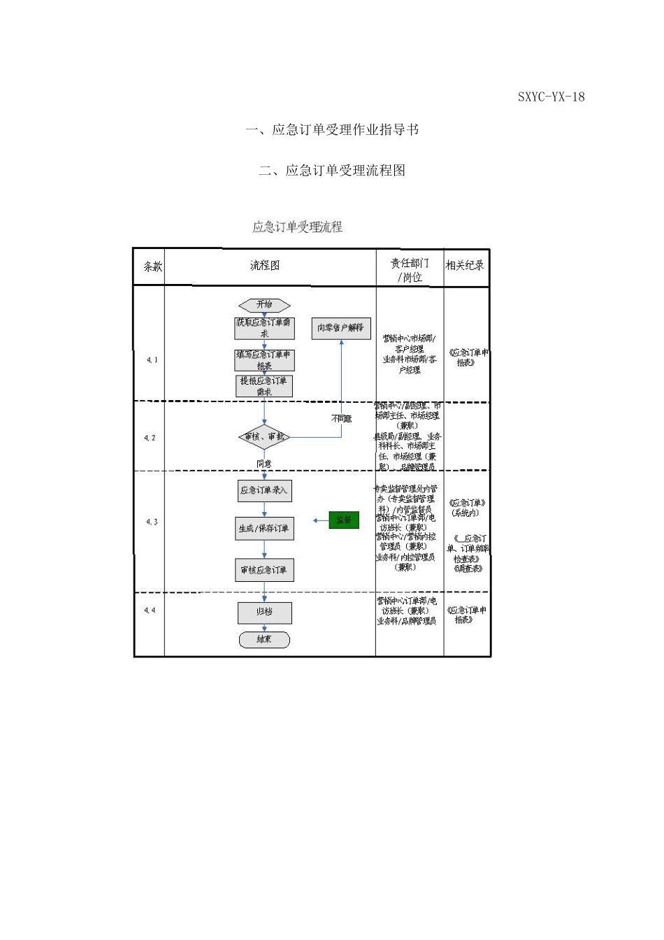
绍兴市烟草专卖局(公司)应急订单作业指导书绍兴市烟草专卖局(公司)二OO九年九月目录一、应急订单受理作业指导书................................................1二、应急订单受理流程图....................................................6三、浙江省烟草专卖、商业系统卷烟订单采集和货源供应管理规定................7四、业务部门内控检查标准.................................................12五、应急订单申报表.......................................................21六、月份应急订单、订单频率检查表.....................................22七、调查表...............................................................23八、业务部门内控检查表格.................................................24SXYC-YX-18一、应急订单受理作业指导书二、应急订单受理流程图三、浙江省烟草专卖、商业系统卷烟订单采集和货源供应管理规定第一章总则第一条为进一步规范行业内部经营行为,推进“按客户订单组织货源”工作,提升行业市场化水平,依据《国家烟草专卖局关于进一步规范卷烟订单采集和货源供应工作的意见》(国烟办[2008]20号)有关要求,结合我省实际,制定本规定。第二条本规定适用于我省烟草专卖、商业系统各直属单位卷烟订单采集和货源供应等卷烟经营活动的管理。第三条地市级公司应根据本规定,结合地区实际,制定相应实施细则。第二章零售客户类别管理第四条地市级公司在合理划分零售客户经营业态的基础上,建立以零售客户经营能力指标为评档依据,管理指标为升降档依据的零售客户分类管理办法。第五条经营能力指标主要包括进货量与进货均价等指标,由营销管理部门会同运行管理部门制定评档细则。第六条管理指标主要包括明码标价、电子结算、守法度、配合度、品牌推荐能力等,由营销管理、运行管理、专卖管理和物流管理等部门设定管理指标评分标准。第七条零售客户类别至少每半年调整一次,调整由营销管理部门组织,调整过程在10个工作日内完成,并由营销管理部门统一完成变更手续。第八条有下列情形之一的,经营销管理部门核实后,做出零售客户类别调整,并在5个工作日内完成。(一)新增零售客户初次定档的;(二)因违法违规需降档或降档到期需归档的;(三)经营业态发生变化已满一个月的;(四)零售客户月度进货量连续三个月超过类别总量供应标准的;(五)地市级公司另有规定的其他情形。第三章经营信息管理第九条地市级公司必须建立信息公开制度。信息公开的项目应包括客户分类标准、产品供应目录、卷烟供应政策、卷烟促销信息等。第十条客户分类标准信息包括类别划分标准、客户所属类别、升降档条件等内容。客户类别调整后,营销管理部门应及时告知零售客户,接受零售客户监督。第十一条产品供应目录包括在销卷烟品牌(规格)的名称、批发价格和零售指导价格等内容。新品牌在上市一个月内,应告知目标零售客户该卷烟产品的上市信息和供应策略。第十二条定期向零售客户公开卷烟供应定量信息,包括总量供应标准、卷烟品牌(规格)定量(或限量)信息。货源临时发生变化,导致定量标准无法实施的,应及时告知零售客户新的定量(或限量)供应标准。第十三条卷烟促销信息包括促销卷烟品牌(规格)、促销内容、促销时间等。营销管理部门在订单日前告知符合促销条件的零售客户相关卷烟促销信息。第四章需求预测管理第十四条地市级公司应成立以公司业务经理为组长的预测领导小组,全面领导预测工作。运行管理部门和营销管理部门是预测实施的直接责任部门。第十五条卷烟需求预测周期主要分为年度预测、半年预测、半年预测季度调整和月度预测。第十六条年度预测是制定年度销售计划的依据,由运行管理部门组织实施,营销管理部门参与。半年预测和半年预测季度调整是半年度卷烟集中交易、定向整合补签协议的依据,由营销管理部门组织实施。第十七条月度预测是月度货源采购的依据,营销管理部门是月度预测的主体。月度预测中客户经理负责为预测提供基础信息依据,品牌经理负责卷烟品牌(规格)预测的具体实施。营销管理部门在此基础上制定月度货源采购意...

1、当您付费下载文档后,您只拥有了使用权限,并不意味着购买了版权,文档只能用于自身使用,不得用于其他商业用途(如 [转卖]进行直接盈利或[编辑后售卖]进行间接盈利)。
2、本站所有内容均由合作方或网友上传,本站不对文档的完整性、权威性及其观点立场正确性做任何保证或承诺!文档内容仅供研究参考,付费前请自行鉴别。
3、如文档内容存在违规,或者侵犯商业秘密、侵犯著作权等,请点击“违规举报”。

碎片内容

绍兴市烟草局应急订单作业指导书

精品中小学资料+ 关注
实名认证
内容提供者

精品文档

确认删除?
VIP
微信客服
  • 扫码咨询
会员Q群
  • 会员专属群点击这里加入QQ群
客服邮箱
回到顶部