电脑桌面
添加小米粒文库到电脑桌面
安装后可以在桌面快捷访问

输出轴机械零件加工工序卡VIP免费

输出轴机械零件加工工序卡_第1页
1/12
输出轴机械零件加工工序卡_第2页
2/12
输出轴机械零件加工工序卡_第3页
3/12
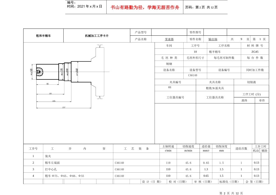
第1页共12页编号:时间:2021年x月x日书山有路勤为径,学海无涯苦作舟页码:第1页共12页东华理工大学机械加工工艺过程卡片产品型号零件图号产品名称变速器零件名称输出轴共1页第1页材料牌号ZG45毛坯种类铸钢毛坯外形尺寸每毛坯件数1每台件数备注工序号工名序称工序内容车间工段设备工艺装备定位限制自由度数工时准终单件1锻造锻造毛坯2热处理正火(消除内应力)3车粗车左钻中心孔,车各圆柱面留半精车、精车余量CA6140三爪卡盘夹φ17644车粗车右端面、钻φ50φ80、φ104的底孔后钻中心孔,再精车右端面CA6140三爪卡盘夹φ5545车粗车φ176外圆柱面倒角CA6140三爪卡盘夹φ5546热处理调质7车半精车左端各圆柱面到要求CA6140三爪卡盘夹φ17668车精车左端台阶到要求并倒角CA6140三爪卡盘夹φ17669车扩φ80、φ104孔留镗孔余量CA6140三爪卡盘夹φ55410车车φ80孔到要求,倒角φ80+0.012+0.042CA6140三爪卡盘夹φ55411车钻Φ50Φ20、铰φ20到要求YB-211专用夹具夹φ176612铣铣键槽C5116分度头夹φ1766100去毛刺去除全部毛刺钳工台110终检按零件图样要求全面检查设计(日期)校对(日期)审核(日期)标准化(日期)会签(日期)标记处数更改文件号签字日期标记处数更改文件号签字日期第2页共12页第1页共12页编号:时间:2021年x月x日书山有路勤为径,学海无涯苦作舟页码:第2页共12页粗和半精车机械加工工序卡片产品型号零件图号产品名称变速器零件名称输出轴共9页第1页车间工序号工序名称材料牌号10粗半精车ZG45毛坯种类毛坯外形尺寸每毛坯可制件数每台件数铸钢设备名称设备型号设备编号同时加工件数CA6140夹具编号夹具名称切削液01粗铣N面夹具工位器具编号工位器具名称工序工时(分)准终单件工步号工步内容工艺装备主轴转速切削速度进给量切削深度进给次数工步工时r/minm/minmm/rmm机动辅助1装夹2粗车左端面CA614011045.60.651.510.133打中心孔CA614011045.61.31.510.134粗车Φ75、Φ65、Φ60、Φ55CA614011045.60.651.510.13设计(日期)校对(日期)审核(日期)标准化(日期)会签(日期)第3页共12页第2页共12页编号:时间:2021年x月x日书山有路勤为径,学海无涯苦作舟页码:第3页共12页车机械加工工序卡片产品型号零件图号产品名称变速器零件名称输出轴共9页第2页车间工序号工序名称材料牌号20车ZG45毛坯种类毛坯外形尺寸每毛坯可制件数每台件数铸钢设备名称设备型号设备编号同时加工件数CA6140夹具编号夹具名称切削液05粗铣N面夹具工位器具编号工位器具名称工序工时(分)准终单件工步号工步内容工艺装备主轴转速切削速度进给量切削深度进给次数工步工时r/minm/minmm/rmm机动辅助1装夹2粗车右端面CA614011045.60.651.51第4页共12页第3页共12页编号:时间:2021年x月x日书山有路勤为径,学海无涯苦作舟页码:第4页共12页3钻Φ50φ80、φ104并转中心孔CA614011045.61精车右端面CA614011045.61.31.51设计(日期)校对(日期)审核(日期)标准化(日期)会签(日期)车机械加工工序卡片产品型号零件图号产品名称变速器零件名称输出轴共9页第3页车间工序号工序名称材料牌号30车ZG45毛坯种类毛坯外形尺寸每毛坯可制件数每台件数铸钢设备名称设备型号设备编号同时加工件数CA6140夹具编号夹具名称切削液05粗铣N面夹具工位器具编号工位器具名称工序工时(分)准终单件工步号工步内容工艺装备主轴转速切削速度进给量切削深度进给次数工步工时r/minm/minmm/rmm机动辅助第5页共12页第4页共12页编号:时间:2021年x月x日书山有路勤为径,学海无涯苦作舟页码:第5页共12页1装夹2粗车精车Φ176CA61401000.51.513倒角CA61401000.51.51设计(日期)校对(日期)审核(日期)标准化(日期)会签(日期)车机械加工工序卡片产品型号零件图号产品名称变速器零件名称输出轴共9页第4页车间工序号工序名称材料牌号40车ZG45毛坯种类毛坯外形尺寸每毛坯可制件数每台件数铸钢设备名称设备型号设备编号同时加工件数X61L夹具编号夹具名称切削液05粗铣N面夹具工位器具编号工位器具名称工序工时(分)准终单件工步号工步内容工艺装备主轴转速切削速度进给量切削深度进给次数工步工时第6页共12页第5页共12页编号:时间...

1、当您付费下载文档后,您只拥有了使用权限,并不意味着购买了版权,文档只能用于自身使用,不得用于其他商业用途(如 [转卖]进行直接盈利或[编辑后售卖]进行间接盈利)。
2、本站所有内容均由合作方或网友上传,本站不对文档的完整性、权威性及其观点立场正确性做任何保证或承诺!文档内容仅供研究参考,付费前请自行鉴别。
3、如文档内容存在违规,或者侵犯商业秘密、侵犯著作权等,请点击“违规举报”。

碎片内容

输出轴机械零件加工工序卡

您可能关注的文档

确认删除?
VIP
微信客服
  • 扫码咨询
会员Q群
  • 会员专属群点击这里加入QQ群
客服邮箱
回到顶部