电脑桌面
添加小米粒文库到电脑桌面
安装后可以在桌面快捷访问

输变电工程监理安全强制性条文执行检查表VIP免费

输变电工程监理安全强制性条文执行检查表_第1页
1/59
输变电工程监理安全强制性条文执行检查表_第2页
2/59
输变电工程监理安全强制性条文执行检查表_第3页
3/59
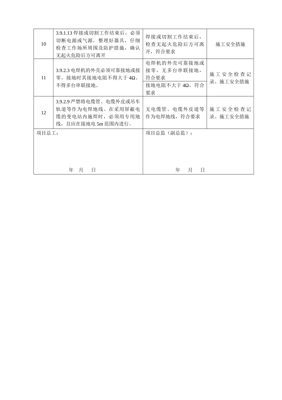
输变电站工程施工安全强制性条文执行检查表工程名称吉林长春春城220kV输变电工程单位(子单位)工程名称主控楼分部(子分部)工程名称地基与基础施工单位吉林省送变电工程公司项目经理张兴旺序号安全强制性条文规定执行情况相关资料《电力建设安全工作规程(第三部分:变电站)》(DL5009.3——2013)13.1.3施工单位的各级领导和工程技术人员必须熟悉并严格遵守本规程;施工人员必须熟悉和严格遵守本规程的有关规定并考试合格方可上岗。熟悉规程,考试合格符合上岗要求安全教育培训记录23.1.5从事特种作业或第二工种的作业,必须按该工程的有关规定,经培训、考试合格并取得合格证,方可上岗。特种工种经培训、考试合格,符合上岗要求特种作业人员上岗证书33.2.1.5施工现场及其周围的悬崖、陡坎、深坑、高压带电区及危险场所等均应设防护设施及警告标志;坑、沟、孔洞等均应铺设与地面平齐的盖板或设可靠的围栏、挡板、及警告标志。危险处所夜间应设红灯示警。孔洞等处铺设盖板,有警示标志施工安全措施、施工安全检查记录43.2.1.9进入施工现场的人员必须正确佩戴安全帽,穿好工作服,严禁穿拖鞋、凉鞋、高跟鞋。严禁酒后进入施工现场。施工现场人员戴安全帽,无酒后进场现场现象。安全施工措施、施工安全检查记录53.3.2.11照明、动力分支开关箱,应装设漏电电流动作保护器已设置漏电保护器,符合要求安全施工措施、施工安全检查记录63.3.2.14电器设备附近应配备适于扑灭电气火灾的消防器材。电气设备发生火灾时,应首先切断电源电器设备附近配备消防器材符合要求。施工安全检查记录73.6.1.9高处作业必须系好安全带(绳),安全带(绳)应挂在上方的牢固可靠处。高处作业人员应衣着灵便,衣袖、裤脚应扎紧,穿软底鞋。无高处作业无83.9.1.5进行焊接或切割工作,必须经常检查并注意工作地点周围的安全状态,有危及安全的情况时,必须采取防护措施。工作地点周围的安全状态,采取防护措施,符合要求施工安全措施93.9.1.7严禁在储存或加工易燃、易爆物品的场所周围10m范围内进行焊接或切割工作。易燃易爆品10m范围无切割或焊接工作,符合要求施工安全检查记录、施工安全措施103.9.1.13焊接或切割工作结束后,必须切断电源或气源,整理好器具,仔细检查工作场所周围及防护措施,确认无起火危险后方可离开焊接或切割工作结束后,检查无起火危险后方可离开,符合要求施工安全措施113.9.2.3电焊机的外壳必须可靠接地或接零。接地时其接地电阻不得大于4Ω。不得多台串联接地。电焊机的外壳可靠接地或接零,无多台串联接地,符合要求施工安全检查记录、施工安全措施接地电阻不大于4Ω,符合要求123.9.2.9严禁将电缆管、电缆外皮或吊车轨道等作为电焊地线。在采用屏蔽电缆的变电站内施焊时,必须用专用地线,且应在接地电5m范围内进行。无电缆管、电缆外皮道等作为电焊地线,符合要求施工安全检查记录、施工安全措施项目总工:年月日项目总监(副总监):年月日输变电站工程施工安全强制性条文执行检查表工程名称吉林长春春城220kV输变电工程单位(子单位)工程名称主控楼分部(子分部)工程名称主体施工单位吉林省送变电工程公司项目经理张兴旺序号安全强制性条文规定执行情况相关资料《电力建设安全工作规程(第三部分:变电站)》(DL5009.3——2013)13.1.3施工单位的各级领导和工程技术人员必须熟悉并严格遵守本规程;施工人员必须熟悉和严格遵守本规程的有关规定并考试合格方可上岗。熟悉规程,考试合格符合上岗要求安全教育培训记录23.1.5从事特种作业或第二工种的作业,必须按该工程的有关规定,经培训、考试合格并取得合格证,方可上岗。特种工种经培训、考试合格,符合上岗要求特种作业人员上岗证书33.2.1.5施工现场及其周围的悬崖、陡坎、深坑、高压带电区及危险场所等均应设防护设施及警告标志;坑、沟、孔洞等均应铺设与地面平齐的盖板或设可靠的围栏、挡板、及警告标志。危险处所夜间应设红灯示警。孔洞等处铺设盖板,有警示标志施工安全措施、施工安全检查记录43.2.1.9进入施工现场的人员必须正确佩戴安全帽,穿好工作服,严禁穿拖鞋、凉鞋、高跟鞋。严禁酒后进入施工现场。施工现...

1、当您付费下载文档后,您只拥有了使用权限,并不意味着购买了版权,文档只能用于自身使用,不得用于其他商业用途(如 [转卖]进行直接盈利或[编辑后售卖]进行间接盈利)。
2、本站所有内容均由合作方或网友上传,本站不对文档的完整性、权威性及其观点立场正确性做任何保证或承诺!文档内容仅供研究参考,付费前请自行鉴别。
3、如文档内容存在违规,或者侵犯商业秘密、侵犯著作权等,请点击“违规举报”。

碎片内容

输变电工程监理安全强制性条文执行检查表

您可能关注的文档

精品中小学资料+ 关注
实名认证
内容提供者

精品文档

确认删除?
VIP
微信客服
  • 扫码咨询
会员Q群
  • 会员专属群点击这里加入QQ群
客服邮箱
回到顶部