电脑桌面
添加小米粒文库到电脑桌面
安装后可以在桌面快捷访问

跨浙赣铁路架梁安全专项施工方案(A1标)VIP免费

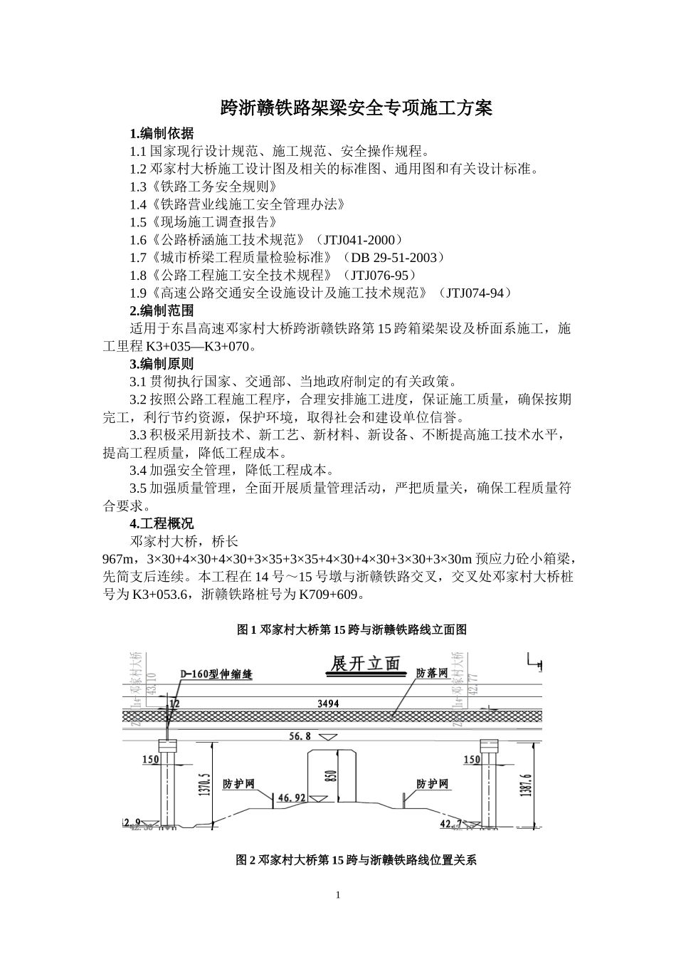
跨浙赣铁路架梁安全专项施工方案(A1标)_第1页
1/29
跨浙赣铁路架梁安全专项施工方案(A1标)_第2页
2/29
跨浙赣铁路架梁安全专项施工方案(A1标)_第3页
3/29
目录目录..............................................................................................................................................-1-1.编制依据...................................................................................................................................-1-2.编制范围...................................................................................................................................-1-3.编制原则...................................................................................................................................-1-4.工程概况...................................................................................................................................-1-5.工期安排...................................................................................................................................-2-6架梁施工方案...........................................................................................................................-2-6.135m箱梁主要技术指标........................................................................................-3-6.2场地布置................................................................................................................-3-6.3人员及组织安排....................................................................................................-3-6.4箱梁安装施工工艺流程........................................................................................-6-6.5架设方案................................................................................................................-8-6.6首孔35m箱梁架设.............................................................................................-10-6.7跨线施工..............................................................................................................-11-6.8架桥机操作方案..................................................................................................-15-6.9箱梁运输..............................................................................................................-18-6.10箱梁安装............................................................................................................-19-7桥面系施工.............................................................................................................................-22-7.1施工工艺流程......................................................................................................-22-7.2铁路要点施工安排表..........................................................................................-25-7.3人员及机械配置..................................................................................................-28-7.4防护措施..............................................................................................................-28-8.安全防护措施.........................................................................................................................-28-8.1安全生产方针和目标..........................................................................................-28-8.2安全保证体系......................................................................................................-28-8.3主要防护措施........................................................................................................

1、当您付费下载文档后,您只拥有了使用权限,并不意味着购买了版权,文档只能用于自身使用,不得用于其他商业用途(如 [转卖]进行直接盈利或[编辑后售卖]进行间接盈利)。
2、本站所有内容均由合作方或网友上传,本站不对文档的完整性、权威性及其观点立场正确性做任何保证或承诺!文档内容仅供研究参考,付费前请自行鉴别。
3、如文档内容存在违规,或者侵犯商业秘密、侵犯著作权等,请点击“违规举报”。

碎片内容

跨浙赣铁路架梁安全专项施工方案(A1标)

您可能关注的文档

精品中小学资料+ 关注
实名认证
内容提供者

精品文档

确认删除?
VIP
微信客服
  • 扫码咨询
会员Q群
  • 会员专属群点击这里加入QQ群
客服邮箱
回到顶部