电脑桌面
添加小米粒文库到电脑桌面
安装后可以在桌面快捷访问

轻钢龙骨隔断墙施工工艺标准VIP免费

轻钢龙骨隔断墙施工工艺标准_第1页
1/9
轻钢龙骨隔断墙施工工艺标准_第2页
2/9
轻钢龙骨隔断墙施工工艺标准_第3页
3/9
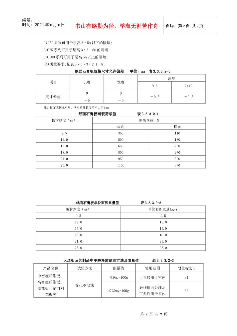
第1页共9页编号:时间:2021年x月x日书山有路勤为径,学海无涯苦作舟页码:第1页共9页轻钢龙骨隔断墙施工工艺标准3·3·1总则3·3·1·1适用范围本章适用于工业与民用建筑中轻钢龙骨人造板隔墙安装工程。3·3·1·2编制参考标准及规范(1)申华人民共和国国家标准GB50210—2001《建筑装饰装修工程质量验收规范》(2)中华人民共和国国家标准GB50300—2001《建筑工程施工质量验收统一标准》(3)中华人民共和国国家标准GB50325—2001《民用建筑工程室内环境污染控制规范》(4)中华人民共和国国家标准GB50326—2001《建设工程项目管理规范》(5)《北京市建筑工程施工安全操作规程》DBJ01—62—2002(6)《建筑安装分项工程施工工艺规程》DBJ01-26-96。3·3·2术语、符号(1)交接检验由施工的承接方与完成方经双方检查并对可否继续施工做出确认的活动。(2)主控项目建筑工程中的对安全、卫生、环境保护和公众利益起决定性作用的检验项目。(3)一般项目除主控项目以外的检验项目。(4)基层直接承受装饰装修施工的面层。3·3·3施工准备3·3·3·1技术准备编制轻钢骨架人造板隔墙工程施工方案,并对工人进行书面技术及安全交底。3·3·3·2材料要求(1)各类龙骨、配件和罩面板材料以及胶粘剂的材质均应符合现行国家标准和行业标准的规定。当装饰材料进场检验,发现不符合设计要求及室内环保污染控制规范的有关规定时,严禁使用。人造板必须有游离甲醛含量或游离甲醛释放量检测报告。如人造板面积大于5OO㎡时(民用建筑工程室内)应对不同产品分别进行复检。如使用水性胶粘剂必须有TVOC和甲醛检测报告。1)轻钢龙骨主件:沿顶龙骨、沿地龙骨、加强龙骨、竖向龙骨、横撑龙骨应符合设计要求和有关规定的标准。2)轻钢骨架配件:支撑卡、卡托、角托、连接件、固定件、护墙龙骨和压条等附件应符合设计要求。3)紧固材料:拉锚钉、膨胀螺栓、镀锌自攻螺丝、木螺丝和粘贴嵌缝材,应符合设计要求。4)罩面板应表面平整、边缘整齐、不应有污垢、裂纹、缺角、翘曲、起皮、色差、图案不完整的缺陷。胶合板、木质纤维板不应脱胶、变色和腐朽。(2)填充隔声材料:玻璃棉、岩棉等应符合设计要求选用。(3)通常隔墙使用的轻钢龙骨为C型隔墙龙骨,其中分为三个系列,经与轻质板材组合即可组成隔断墙体。C型装配式龙骨系列:第2页共9页第1页共9页编号:时间:2021年x月x日书山有路勤为径,学海无涯苦作舟页码:第2页共9页l)C50系列可用于层高3·5m以下的隔墙;2)C75系列可用于层高3·5-6m的隔墙;3)ClO0系列可用于层高6m以上的隔墙;(4)质量要求:见表3·3·3·2-1—8。纸面石膏板规格尺寸允许偏差单位:mm表3.3.3.2-1项目长度宽度厚度9.5≥12尺寸偏差0-60-5±0.5±0.5注:板面应切成矩形,两对角线长度差不大于5mm.纸面石膏板断裂荷载值表3.3.3.2-1板材厚度(mm)断裂荷载,N纵向横向9.536014012.050018015.065022018.080027021.095032025.01100370纸面石膏板单位面积重量值表3.3.3.2-2板材厚度(mm)单位面积重量kg/m29.59.512.012.015.015.018.018.021.021.025.025.0人造板及其制品中甲醛释放试验方法及限量值表3.3.3.2-3产品名称试验方法限量值使用范围限量标志b中密度纤维板、高密度纤维板、刨花板、定向刨花板等穿孔萃取法≤9mg/100g可直接用于室内E1≤30mg/100g必须饰面处理后可允许用于室内E2第3页共9页第2页共9页编号:时间:2021年x月x日书山有路勤为径,学海无涯苦作舟页码:第3页共9页胶合板、装饰单板贴面胶合板、细木工板等干燥器法≤1.5ml/L可直接用于室内E1≤5.0/L必须饰面处理后可允许用于室内E2饰面人造板(包括浸渍纸层压地板、实木复合地板、竹地板、浸渍胶膜纸饰面人造板等)气候箱法≤0.12mg/m3可直接用于室内E1干燥器法≤1.5mg/La.仲裁时采用气候箱法。b.E1为可直接用于室内的人造板,E2为必须饰面处理后允许用于室内的人造板。轻钢龙骨断面规格尺寸允许偏差单位:mm表3.3.3.2-4项目优等品一等品合格品长度L+30-10覆面龙骨断面尺寸尺寸AA≤30±1.0A>30±1.5尺寸B±0.3±0.4±0.5其它龙骨断面尺寸尺寸A±0.3±0.4±0.5尺寸B≤30±1.0>30±1.5轻钢龙骨侧面和地面的平直度单位:mm/1000mm表3.3.3.2-5类别品种检...

1、当您付费下载文档后,您只拥有了使用权限,并不意味着购买了版权,文档只能用于自身使用,不得用于其他商业用途(如 [转卖]进行直接盈利或[编辑后售卖]进行间接盈利)。
2、本站所有内容均由合作方或网友上传,本站不对文档的完整性、权威性及其观点立场正确性做任何保证或承诺!文档内容仅供研究参考,付费前请自行鉴别。
3、如文档内容存在违规,或者侵犯商业秘密、侵犯著作权等,请点击“违规举报”。

碎片内容

轻钢龙骨隔断墙施工工艺标准

确认删除?
VIP
微信客服
  • 扫码咨询
会员Q群
  • 会员专属群点击这里加入QQ群
客服邮箱
回到顶部