电脑桌面
添加小米粒文库到电脑桌面
安装后可以在桌面快捷访问

建设工程质量优良等级控制申请表VIP免费

建设工程质量优良等级控制申请表_第1页
1/32
建设工程质量优良等级控制申请表_第2页
2/32
建设工程质量优良等级控制申请表_第3页
3/32
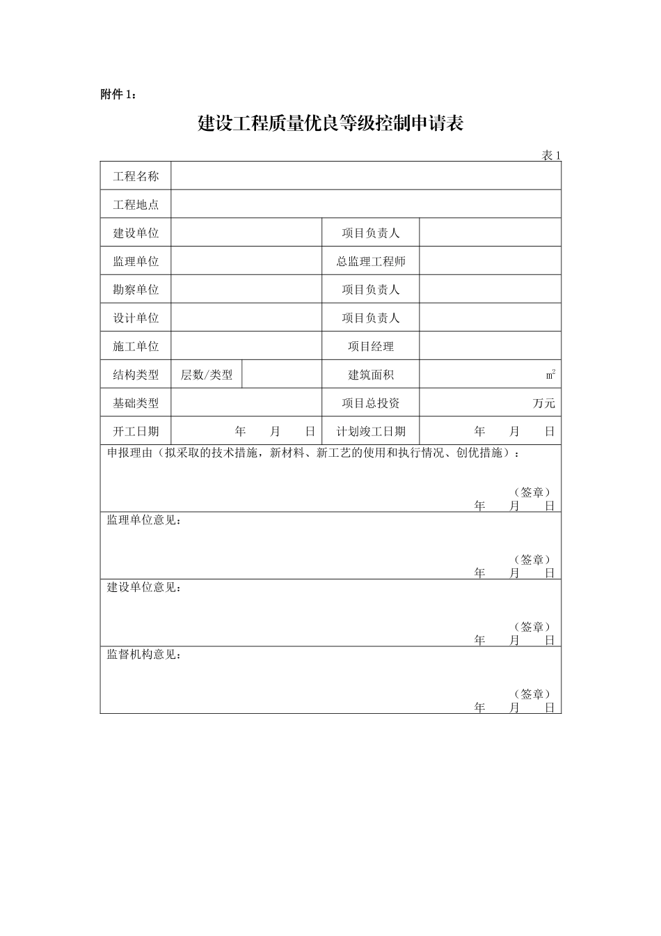
附件1:建设工程质量优良等级控制申请表表1工程名称工程地点建设单位项目负责人监理单位总监理工程师勘察单位项目负责人设计单位项目负责人施工单位项目经理结构类型层数/类型建筑面积m2基础类型项目总投资万元开工日期年月日计划竣工日期年月日申报理由(拟采取的技术措施,新材料、新工艺的使用和执行情况、创优措施):(签章)年月日监理单位意见:(签章)年月日建设单位意见:(签章)年月日监督机构意见:(签章)年月日附件2:地基基础分部工程质量控制资料核查验收记录表2-1单位(子单位)工程名称包含子分部(分项)工程名称施工单位项目技术负责人序号资料名称份数核查意见核查人1施工图会审、设计变更、洽商记录2施工组织设计(施工方案)及技术交底记录3工程定位测量、放线记录4地基验槽记录5原材料、半成品出厂质量证明文件及场检(试)验报告6钢材(筋)出厂质量证明文件及场检(试)验报告7地基干密度及其它施工试验报告和见证检测报告8钢筋连接性能试验报告9隐蔽工程验收记录10砂浆、混凝土配合比通知11混凝土强度、抗渗试验报告12砂浆强度试验报告13大体积混凝土专项施工方案及控制记录14桩位竣工验收记录及竣工图15检验批、分项、分部(子分部)工程验收记录16工程质量事故及事故调查处理资料17其它必要的文件和记录施工单位检查意见项目经理:年月日监理(建设)单位核查意见总监理工程师:(建设单位项目负责人):年月日质量监督机构核查意见项目监督工程师:年月日主体结构分部工程质量控制资料核查验收记录表2-2单位(子单位)工程名称包含子分部(分项)工程名称施工单位项目技术负责人序号资料名称份数核查意见核查人1施工图会审、设计变更、洽商记录2施工组织设计(施工方案)及技术交底记录3工程定位测量、放线记录4原材料、半成品出厂质量证明文件及场检(试)验报告5钢材(筋)出厂质量证明文件及场检(试)验报告6钢筋连接性能试验报告7砂浆、混凝土配合比通知及开盘鉴定记录8混凝土强度、抗渗试验报告9砂浆强度试验报告10装配式结构预制构件合格证及安装验收记录11预应力结构用锚具、连接器合格证及进场复验报告12预应力筋安装、张拉及灌浆记录13钢结构用钢材、焊条(剂)出厂合格证及进场复验报告14焊接工艺文件和烘焙记录15焊工合格证16其它施工记录17隐蔽工程验收记录18检验批、分项、分部(子分部)工程验收记录19工程质量事故及事故调查处理资料20其它必要的文件和记录施工单位检查意见项目经理:年月日监理(建设)单位核查意见总监理工程师:(建设单位项目负责人):年月日质量监督机构核查意见项目监督工程师:年月日建筑装饰装修分部工程质量控制资料核查验收记录表2-3单位(子单位)工程名称包含子分部(分项)工程名称施工单位项目技术负责人序号资料名称份数核查意见核查人1施工图及设计变更文件2施工组织设计(施工方案)及技术交底记录3原材料、半成品出厂质量证明文件及场检(试)验报告4地面各面层材料强度及密实度试验报告5楼梯、踏步项目检查记录6地面天然材料、胶粘剂、沥青胶结材料和涂料的合格证明文件及复验报告7特种门及附件的生产许可文件8建筑设计单位对幕墙工程设计的确认文件9幕墙工程用硅硐结构胶的认定证书、质量合格证明文件;进口硅硐结构胶的商检证明文件10饰面材料质量证明文件及确认文件11焊接工艺文件和烘焙记录12焊工合格证13其它施工记录14各构造层隐蔽工程验收记录15检验批、分项、分部(子分部)工程验收记录16新材料、新工艺施工验收记录17工程质量事故及事故调查处理资料18其它必要的文件和记录施工单位检查意见项目经理:年月日监理(建设)单位核查意见总监理工程师:(建设单位项目负责人):年月日质量监督机构核查意见项目监督工程师:年月日建筑屋面分部工程质量控制资料核查验收记录表2-4单位(子单位)工程名称包含子分部(分项)工程名称施工单位项目技术负责人序号资料名称份数核查意见核查人1施工图会审记录及设计变更文件2施工组织设计(施工方案)及技术交底记录3原材料、半成品出厂质量证明文件及场检(试)验报告4材料代用确认记录5隐蔽工程验收记录6检验批、分项、分部(子分部)工程验收记录7新...

1、当您付费下载文档后,您只拥有了使用权限,并不意味着购买了版权,文档只能用于自身使用,不得用于其他商业用途(如 [转卖]进行直接盈利或[编辑后售卖]进行间接盈利)。
2、本站所有内容均由合作方或网友上传,本站不对文档的完整性、权威性及其观点立场正确性做任何保证或承诺!文档内容仅供研究参考,付费前请自行鉴别。
3、如文档内容存在违规,或者侵犯商业秘密、侵犯著作权等,请点击“违规举报”。

碎片内容

建设工程质量优良等级控制申请表

海纳百川+ 关注
实名认证
内容提供者

热爱教学事业,对互联网知识分享很感兴趣

确认删除?
VIP
微信客服
  • 扫码咨询
会员Q群
  • 会员专属群点击这里加入QQ群
客服邮箱
回到顶部