电脑桌面
添加小米粒文库到电脑桌面
安装后可以在桌面快捷访问

混凝土灌注桩钢筋笼检验批质量验收记录VIP免费

混凝土灌注桩钢筋笼检验批质量验收记录_第1页
1/3
混凝土灌注桩钢筋笼检验批质量验收记录_第2页
2/3
混凝土灌注桩钢筋笼检验批质量验收记录_第3页
3/3
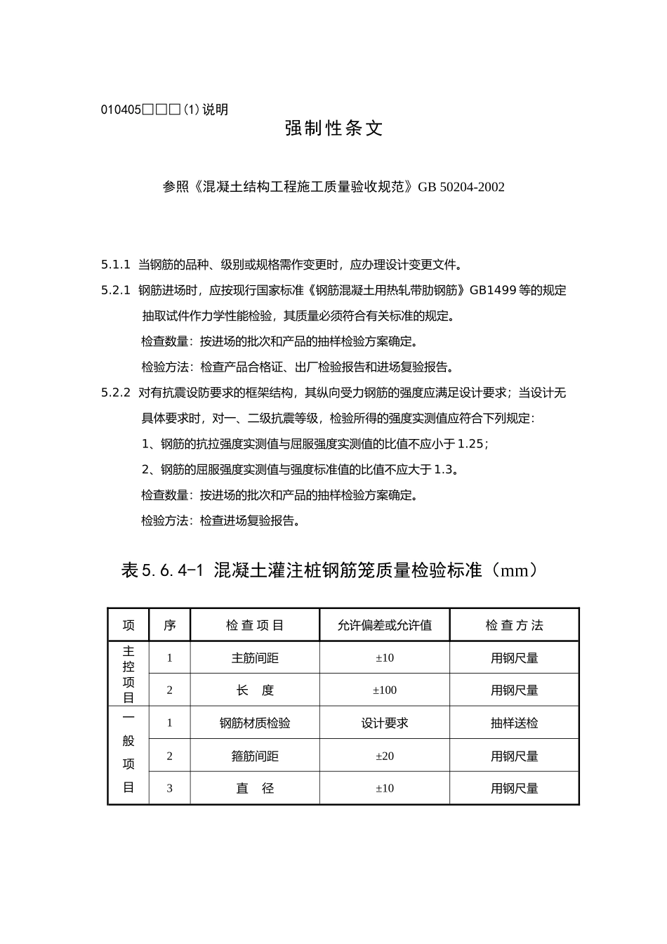
混凝土灌注桩钢筋笼检验批质量验收记录(GB50202-2002)表5.6.4-1编号:010405□□□(1)工程名称分项工程名称项目经理施工单位验收部位施工执行标准名称及编号专业工长(施工员)分包单位分包项目经理施工班组长质量验收规范的规定施工单位自检记录监理(建设)单位验收记录检查项目质量要求(mm)主控项目1主筋间距±102长度±100一般项目1钢筋材质检验符合设计要求2箍筋间距±203直径±10施工操作依据质量检查记录施工单位检查结果评定项目专业项目专业质量检查员:技术负责人:年月日监理(建设)单位验收结论专业监理工程师:(建设单位项目专业技术负责人)年月日010405□□□(1)说明强制性条文参照《混凝土结构工程施工质量验收规范》GB50204-20025.1.1当钢筋的品种、级别或规格需作变更时,应办理设计变更文件。5.2.1钢筋进场时,应按现行国家标准《钢筋混凝土用热轧带肋钢筋》GB1499等的规定抽取试件作力学性能检验,其质量必须符合有关标准的规定。检查数量:按进场的批次和产品的抽样检验方案确定。检验方法:检查产品合格证、出厂检验报告和进场复验报告。5.2.2对有抗震设防要求的框架结构,其纵向受力钢筋的强度应满足设计要求;当设计无具体要求时,对一、二级抗震等级,检验所得的强度实测值应符合下列规定:1、钢筋的抗拉强度实测值与屈服强度实测值的比值不应小于1.25;2、钢筋的屈服强度实测值与强度标准值的比值不应大于1.3。检查数量:按进场的批次和产品的抽样检验方案确定。检验方法:检查进场复验报告。表5.6.4-1混凝土灌注桩钢筋笼质量检验标准(mm)项序检查项目允许偏差或允许值检查方法主控项目1主筋间距±10用钢尺量2长度±100用钢尺量一般项目1钢筋材质检验设计要求抽样送检2箍筋间距±20用钢尺量3直径±10用钢尺量注:本表由施工项目专业质量检查员填写,专业监理工程师(建设单位项目专业技术负责人)组织项目专业质量(技术)负责人等进行验收。

1、当您付费下载文档后,您只拥有了使用权限,并不意味着购买了版权,文档只能用于自身使用,不得用于其他商业用途(如 [转卖]进行直接盈利或[编辑后售卖]进行间接盈利)。
2、本站所有内容均由合作方或网友上传,本站不对文档的完整性、权威性及其观点立场正确性做任何保证或承诺!文档内容仅供研究参考,付费前请自行鉴别。
3、如文档内容存在违规,或者侵犯商业秘密、侵犯著作权等,请点击“违规举报”。

碎片内容

混凝土灌注桩钢筋笼检验批质量验收记录

您可能关注的文档

海纳百川+ 关注
实名认证
内容提供者

热爱教学事业,对互联网知识分享很感兴趣

相关文档

确认删除?
VIP
微信客服
  • 扫码咨询
会员Q群
  • 会员专属群点击这里加入QQ群
客服邮箱
回到顶部