电脑桌面
添加小米粒文库到电脑桌面
安装后可以在桌面快捷访问

矿建常用表格VIP免费

矿建常用表格_第1页
1/42
矿建常用表格_第2页
2/42
矿建常用表格_第3页
3/42
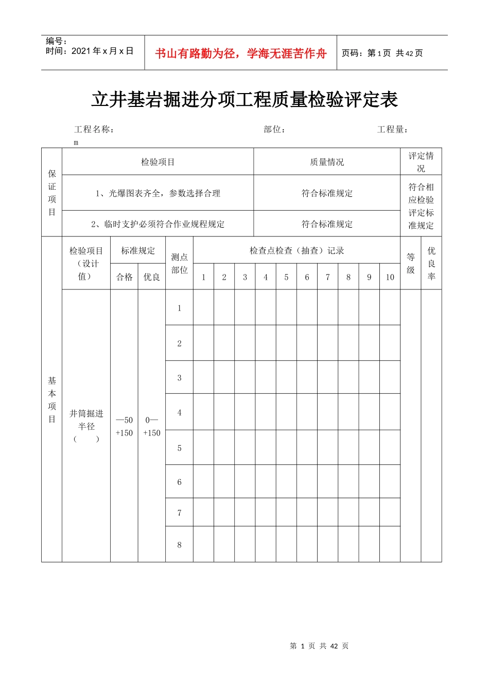
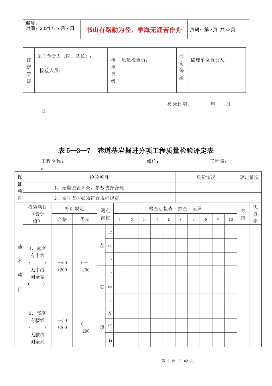
第1页共42页编号:时间:2021年x月x日书山有路勤为径,学海无涯苦作舟页码:第1页共42页立井基岩掘进分项工程质量检验评定表工程名称:部位:工程量:m保证项目检验项目质量情况评定情况1、光爆图表齐全,参数选择合理符合标准规定符合相应检验评定标准规定2、临时支护必须符合作业规程规定符合标准规定基本项目检验项目(设计值)标准规定测点部位检查点检查(抽查)记录等级优良率合格优良12345678910井筒掘进半径()—50+1500—+15012345678第2页共42页第1页共42页编号:时间:2021年x月x日书山有路勤为径,学海无涯苦作舟页码:第2页共42页评定等级施工负责人(区、队长):检验人员:核定等级质量检查员:核定等级监理单位负责人:检验日期:年月日表5—3—7巷道基岩掘进分项工程质量检验评定表工程名称:部位:工程量:m保证项目检验项目质量情况评定情况1、光爆图表齐全,参数选择合理2、临时支护必须符合规程规定基本项目检验项目(设计值)标准规定测点部位检查点检查(抽查)记录等级优良率合格优良123456789101.宽度有中线()无中线测全宽()—50+2000—+200左上中下右上中下2.高度有腰线()无腰线测全高—50+2000—+200顶左中右第3页共42页第2页共42页编号:时间:2021年x月x日书山有路勤为径,学海无涯苦作舟页码:第3页共42页()底中3.坡度()±1‰±0.5‰评定等级施工负责人(区、队长):检验人员:核定等级质量检查员:检验日期:年月日表5—3—8立井软岩(含破碎带)掘进分项工程质量检验评定表工程名称:部位:工程量:m保证项目检验项目质量情况评定情况1、光爆图表齐全,参数选择合理2、临时支护必须符合作业规程规定基本项目检验项目(设计值)标准规定测点部位检查点检查(抽查)记录等级优良率合格优良12345678910井筒掘进半径()≥00—+150123456第4页共42页第3页共42页编号:时间:2021年x月x日书山有路勤为径,学海无涯苦作舟页码:第4页共42页78评定等级施工负责人(区、队长):检验人员:核定等级质量检验员:检验日期:年月日表5—3—9巷道软岩(含破碎带)掘进分项工程质量检验评定表工程名称:部位:工程量:m保证项目检验项目质量情况评定情况1、光爆图表齐全,参数选择合理2、临时支护必须符合规程规定基本项目检验项目(设计值)标准规定测点部位检查点检查(抽查)记录等级优良率合格优良123456789101.宽度有中线()无中线测全宽()≥0≥00—+2000—+250左上中下右上第5页共42页第4页共42页编号:时间:2021年x月x日书山有路勤为径,学海无涯苦作舟页码:第5页共42页中下2.高度有腰线()无腰线测全高()≥0≥00—+2000—+250顶左中右底中3.坡度()±1‰±0.5‰评定等级施工负责人(区、队长):检验人员:核定等级质量检查员:检验日期:年月日表5—3—11壁座(支撑圈)掘进分项工程质量检验评定表工程名称:部位:工程量:m保证项目检验项目质量情况评定情况1、光爆图表齐全,参数选择合理2、临时支护必须符合规程规定允许偏差检验项目(设计值)允许偏差测点部位检查点检查(抽查)记录等级优良率123456789101.高度01第6页共42页第5页共42页编号:时间:2021年x月x日书山有路勤为径,学海无涯苦作舟页码:第6页共42页项目()~~+10023456782.宽度()—50~~+20012345678评定等级施工负责人(区、队长):检验人员:核定等级质量检查员:检验日期:年月日表5—3—12设备基础掘进分项工程质量检验评定表工程名称:部位:工程量:m保证项目检验项目质量情况评定情况1、光爆图表齐全,参数选择合理2、临时支护必须符合规程规定第7页共42页第6页共42页编号:时间:2021年x月x日书山有路勤为径,学海无涯苦作舟页码:第7页共42页基本项目检验项目(设计值)允许偏差测点部位检查点检查(抽查)记录等级优良率123456789101.长度()—25~~+150左中右2.宽度()—25~~+150左前中后右前中后3.深度()0~~+150左前后右前后评定等级施工负责人(区、队长):检验人员:核定等级质量检查员:检验日期:年月日第8页共42页第7页共42页编号:时间:2021年x月x日书山有路勤为径,学海无涯苦作舟页码:第8页共42页表5—3—13水沟(沟...

1、当您付费下载文档后,您只拥有了使用权限,并不意味着购买了版权,文档只能用于自身使用,不得用于其他商业用途(如 [转卖]进行直接盈利或[编辑后售卖]进行间接盈利)。
2、本站所有内容均由合作方或网友上传,本站不对文档的完整性、权威性及其观点立场正确性做任何保证或承诺!文档内容仅供研究参考,付费前请自行鉴别。
3、如文档内容存在违规,或者侵犯商业秘密、侵犯著作权等,请点击“违规举报”。

碎片内容

矿建常用表格

中小学教育精品资料+ 关注
实名认证
内容提供者

中小学教育资料,优质文档创作者

相关文档

确认删除?
VIP
微信客服
  • 扫码咨询
会员Q群
  • 会员专属群点击这里加入QQ群
客服邮箱
回到顶部