电脑桌面
添加小米粒文库到电脑桌面
安装后可以在桌面快捷访问

李台乡供水工程经济评价VIP免费

李台乡供水工程经济评价_第1页
1/13
李台乡供水工程经济评价_第2页
2/13
李台乡供水工程经济评价_第3页
3/13
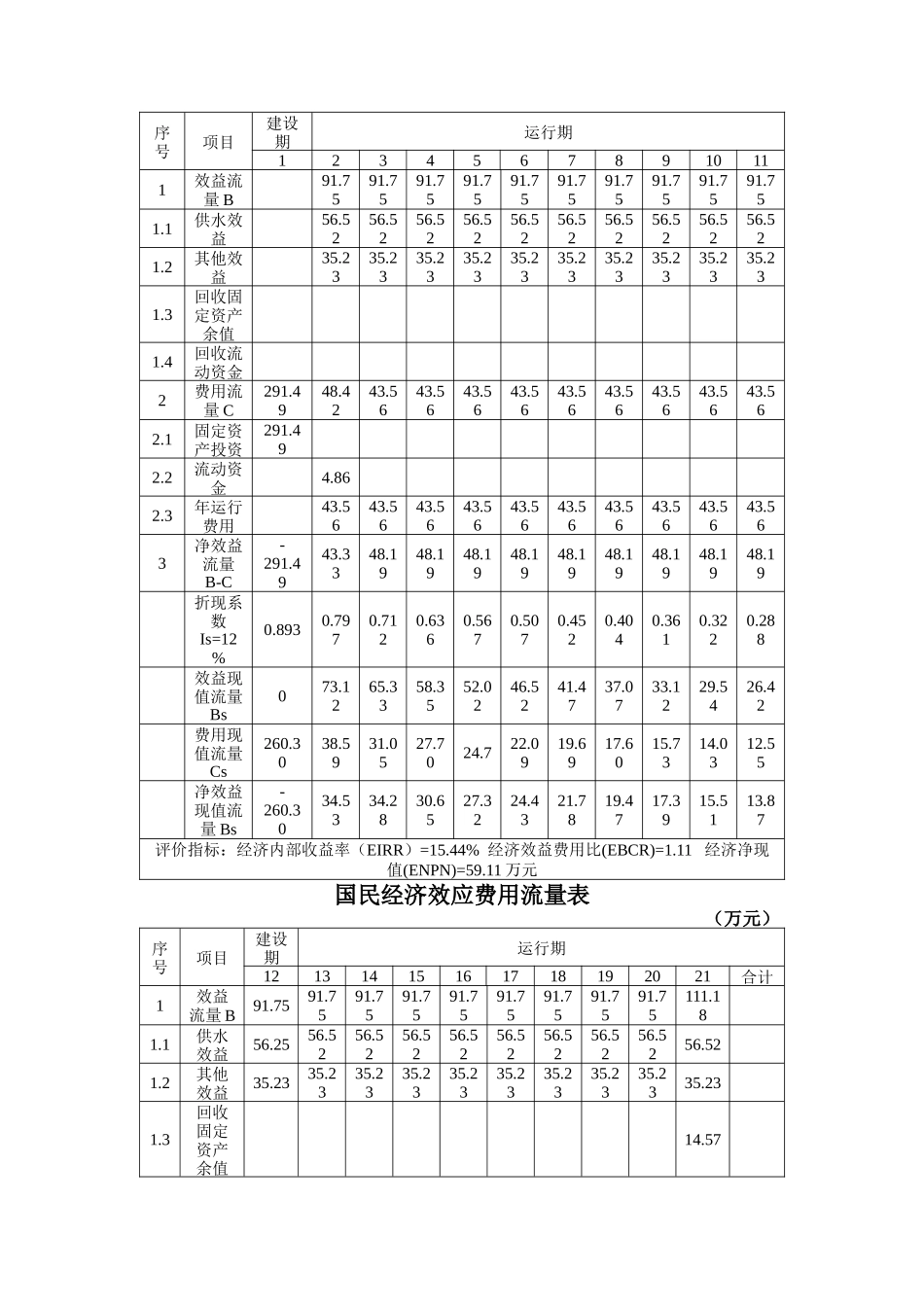
李台乡供水工程经济评价1.概况李台乡位于杨陵区东南部,地处北纬34º16´,东经108º07´,总面积21平方公里,北与城区相邻,东与武功县大庄乡接壤,南与渭河与周至哑柏镇相望,西接扶风县揉谷乡。据地形、居民分布及用水现状及规划,本次设计供水区域为李台、西桥、徐东湾、淡家堡、杜家坡、陈小寨6个行政村和李台乡政府,涉及农户2709户,人口9482人、大牲畜810头,家禽20450只。粮食作物以小麦、玉米为主,经济作物有蔬菜、杂果等。近年来,区委、区政府号召全区调整产业结构,农、林、牧业全面发展,农民生活水平提高较快。1.1工程概况李台乡集中供水工程由水源井、管理房、清水池、输配水管网等组成。该项工程建成后,可解决10066人,810头大牲畜及20450只家禽的饮水困难问题,村民从此可用上干净卫生的自来水,改善水环境和生态环境,提高农民的生活生存条件,有利于农业的发展和农民的增收。工程概算总投资323.88万元,其中:建筑工程费用252.65万元,机电设备及安装费用21.8万元,其他费用34.01万元,预备费用15.42万元。概工程完成主要过程量:水泥砂浆砌砖共计866.3米3,594.54米3,安装管道长度39.73公里。消耗主要材料量:水泥142.69吨,石子179.76方,沙子313.91方钢筋31.34吨,砖433.15千块。1.3设计概算工程设计概算总投资323.88万元。静态总投资323.88万元,详见工程概算表。1.4工程资金筹措方案工程概算总投资323.88万元,其中中央投资210.0万元,地方配套及自筹113.88万元。2经济评价2.1经济评价的依据和基本原则2.1.1评价依据本项目经济评价主要依据《水利建设项目经济评价规范(SL72-94)以下简称评价规范》及国家计委和建设部颁发的《建设项目经济评价方法与参数》进行编制。2.1.2主要参数依据《评价规范》和本工程实际所确定的主要参数为:1、社会折现率为IS=12%;2、经济计算期为21年,其中建设期1年,正常运行期20年;3、工程静态总投资323.88万元,总投资323.88万元。2.2制水成本计算出总成本费用后除以全年制水量,即为单位制水成本。计算详见总成本费用计算表,据年供水量36万m3计算,得单位制水成本为1.57元/m3.总成本费用计算表序号费用名称计算依据金额(万元)一年运行费1水资源费36万m3×0.3元/m310.82供水电费36万m3×0.35kwh/m3×0.5元/kwh6.33药剂费36万m3×0.1元/m33.64工资及福利费6人×600元/人·月×12月4.325维修费291.49×1%2.926材料费291.49×1%2.927其他费用291.49×1.5%4.378管理费(1+2+3+4)×10%2.039大修费291.49×2%5.83二折旧费291.49×4.5%13.12合计56.682.3国民经济评价2.3.1固定资产投资计算本工程共需投资323.88万元,按总投资的90%计算固定资产,则固定资产投资为291.49万元。2.3.2流动资金按工程实际,流动资金按总投资的1.5%计取,即为4.86万元,从项目运行的第一年开始,按工程规模分析确定,并于运行期末一次收回。2.3.3固定资产余值固定资产余值按固定资产投资的5%计算,即为14.57万元,运行期末一次收回。2.3.4年运行费用计算年运行费用经分析计算,本工程年运行费用为43.56万元。(详见工程运行费用计算表)工程运行费用计算表序号费用名称计算依据金额(万元)1水资源费36万m3×0.3元/m310.82供水电费36万m3×0.35kwh/m3×0.5元/kwh6.33药剂费36万m3×0.1元/m33.64工资及福利费6人×600元/人·月×12月4.325维修费291.49×1%2.926材料费291.49×1%2.927其他费用291.49×1.5%4.378管理费(1+2+3+4)×10%2.59大修费291.49×2%5.83合计43.562.3.5效益分析2.3.5.1社会效益分析该工程实施后,将为村民们提供方便足量、优质的生活生产用水,从而提高了农民的生活质量和健康水平,解放农村劳动力,并因改善水质而减少疾病所需支付的医疗费用和由于体力增强、劳动效率提高而增加的国民经济效益,促进农村精神文明建设和社会稳定。2.3.5.2经济效益分析(1)供水效益供水效益主要是指售水效益。年供水量为∑Q=365×Q,计算得36万m3,影子水价按1.57元/m3计算。年售水效益为56.62万元。(2)其他效益其他效益主要考虑工程受益区的受益人口实现自来水化后所节省的取水费用,因改善水质减少疾病所节约的医疗费、劳动力费等,...

1、当您付费下载文档后,您只拥有了使用权限,并不意味着购买了版权,文档只能用于自身使用,不得用于其他商业用途(如 [转卖]进行直接盈利或[编辑后售卖]进行间接盈利)。
2、本站所有内容均由合作方或网友上传,本站不对文档的完整性、权威性及其观点立场正确性做任何保证或承诺!文档内容仅供研究参考,付费前请自行鉴别。
3、如文档内容存在违规,或者侵犯商业秘密、侵犯著作权等,请点击“违规举报”。

碎片内容

李台乡供水工程经济评价

海纳百川+ 关注
实名认证
内容提供者

热爱教学事业,对互联网知识分享很感兴趣

确认删除?
VIP
微信客服
  • 扫码咨询
会员Q群
  • 会员专属群点击这里加入QQ群
客服邮箱
回到顶部