电脑桌面
添加小米粒文库到电脑桌面
安装后可以在桌面快捷访问

利用工业废渣生产低碱硅酸盐52.5水泥VIP免费

利用工业废渣生产低碱硅酸盐52.5水泥_第1页
1/4
利用工业废渣生产低碱硅酸盐52.5水泥_第2页
2/4
利用工业废渣生产低碱硅酸盐52.5水泥_第3页
3/4
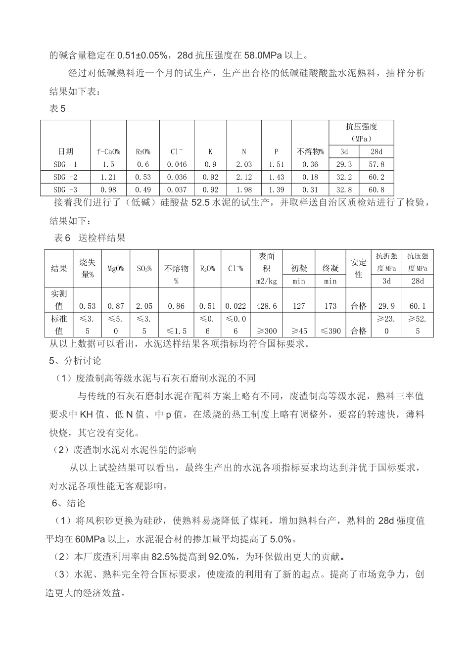
利用工业废渣生产低碱硅酸盐52.5水泥沈芳(天能化工有限公司水泥分公司,新疆石河子)摘要:我在天业集团公司党委的正确领导下,天能化工有限公司水泥分公司用循环经济的发展理念,遵循“减量化、资源化、再利用”的原则,利用9种废弃物作为生产原料,其中列为国家废弃物利用免税名录的有电石渣、硫酸渣、粉煤灰、柠檬酸渣、脱硫石膏和炉渣6种原料。废弃物利用率达到82.5%。生产出的各品种等级的普通水泥、复合水泥达到国家优质产品要求并取得产品认证,还试制并生产出了低碱硅酸盐52.5水泥高等级的特种水泥。本文介绍试验过程,总结了化验室小磨试验和工业生产情况。试验和应用结果表明,利用工业废渣生产低碱硅酸盐52.5水泥是完全可行的,并且经济、社会效益显著,为企业降低生产成本,提高经济效益,也为废渣的合理利用填补了一项空白。关键词:工业废渣;生产;低碱硅酸盐水泥国政府已将“节约资源”确定为基本国策,节约能源也是节约资源的一部分,因此,水泥生产的节能减排工作已受到高度关注。节能与减排工作,是紧密联系在一起的。换句话说,节能的过程中,一般都包含有减少废弃物排放和再生资源综合利用的内容。随着兰新二线铁路国家重点项目的开工建设,硅酸盐水泥(P.Ⅱ)52.5水泥(低碱)需求量逐渐增加,我公司为了占领市场商机,满足市场需求,以优质的产品和服务不断满足客户的需求,利用新型干法线,100%利用电石渣生产高等级水泥,酸盐水泥(P.Ⅱ)52.5水泥(低碱)。1、原料的选择降低熟料中的R2O含量表1我厂现有原料化学成分:名称LossSi2OAL2O3Fe2O3CaOMgOR2OCl-电石渣21.994.61.981.7369.270.120.015风积砂2.8673.112.352.592.761.322.820.016硫酸渣1.5730.584.3453.152.651.430.470.026铜渣-4.3337.183.6348.965.693.540.460.26炉渣12.4850.1617.729.744.4931.920.01粉煤灰4.0257.4621.436.316.382.291.920.01硅砂0.9189.525.341.340.022.171.530.04从以上表格数据可以看出,现有原材料成分虽都可以满足开发低碱硅酸盐水泥(P.Ⅱ)52.5水泥要求。但必须使熟料中的R2O含量控制在0.60%以下。钙质、铁质原料均能满足要求,而粘土质原料碱含量较高无法达到小于1.0%要求,搭配碱含量低的硅质校正原料,可降低熟料中碱含量,经优选后用硅砂代替风积沙。2、配料方案确定:方案一:据正交试验法的配料方案,进行配料计算熟料的碱含量为0.53%符合小于0.60%的要求表2方案一原料配比表电石渣%C料%G料%A料%混合料%合量%601013710100配料计算生料、熟料率值、碱含量项目KHNPR2O生料0.982.231.690.34熟料0.892.111.40.53试验熟料的三率值及强度项目KHNPf-CaO%C3SC2SR2O%28d强度熟料0.892.111.40.8750.723.50.253.1MPa从以上数据可以看出,此方案熟料28d强度较低。方案二:根据正交试验法的配料方案,进行配料计算熟料的碱含量为0.51%,符合小于0.60%的要求。表3方案二:从以上数据可以看出,此方案熟料各项指标均符合要求。3、提高熟料强度、稳定热工制度:由于生料配方的变化,熟料易烧,对系统风进行了适当调整。同时窑操提高投料量,提高窑的转速,做到薄料快烧。4、调整水泥配料,选择合适的混合材和缓凝剂表4水泥原料表名称LossSiO2AL2O3Fe2O3CaOMgOSO3PH值R2O石膏17.8417.54.631.73241.931.1971.02脱硫石膏20.010.720.40.2332.4945.8170.44柠檬酸渣20.730.520.370.1332.3145.2850.07粉煤灰4.0257.4621.436.316.382.291.92石灰石40.414.951.260.5352.140.620.26根据几种物料碱含量,我们决定选择石灰石、脱硫石膏分别做混合材和缓凝剂,使水泥中原料配比表电石渣%(C+D)料%G料%(A+B)料%混合料%合量%61713415100配料计算生料、熟料率值、碱含量项目KHNPR2O生料1.012.241.650.41熟料0.912.091.460.51试验熟料的三率值及强度项目KHNPf-CaO%C3SC2SR2O%28d强度熟料0.922.121.370.8650.6923.510.3258.2MPa的碱含量稳定在0.51±0.05%,28d抗压强度在58.0MPa以上。经过对低碱熟料近一个月的试生产,生产出合格的低碱硅酸酸盐水泥熟料,抽样分析结果如下表:表5日期f-CaO%R2O%Cl-KNP不溶物%抗压强度(MPa)3d28dSDG-11.50.60.0460.92.031.510.3629.357.8SDG-21.210.530.036...

1、当您付费下载文档后,您只拥有了使用权限,并不意味着购买了版权,文档只能用于自身使用,不得用于其他商业用途(如 [转卖]进行直接盈利或[编辑后售卖]进行间接盈利)。
2、本站所有内容均由合作方或网友上传,本站不对文档的完整性、权威性及其观点立场正确性做任何保证或承诺!文档内容仅供研究参考,付费前请自行鉴别。
3、如文档内容存在违规,或者侵犯商业秘密、侵犯著作权等,请点击“违规举报”。

碎片内容

利用工业废渣生产低碱硅酸盐52.5水泥

您可能关注的文档

确认删除?
VIP
微信客服
  • 扫码咨询
会员Q群
  • 会员专属群点击这里加入QQ群
客服邮箱
回到顶部