电脑桌面
添加小米粒文库到电脑桌面
安装后可以在桌面快捷访问

第一章 数控系统简介VIP专享VIP免费

第一章 数控系统简介_第1页
1/34
第一章 数控系统简介_第2页
2/34
第一章 数控系统简介_第3页
3/34
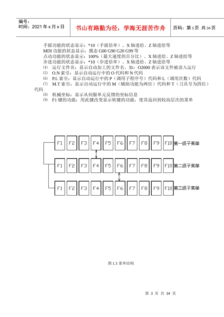
第1页共34页编号:时间:2021年x月x日书山有路勤为径,学海无涯苦作舟页码:第1页共34页第一章数控系统介绍本实训室配备有华中Ⅰ型车削、铣削数控系统的模拟软件以及对应的硬加密狗,SIENUMENS810D铣加工中心数控系统。第一节华中Ⅰ型车削数控系统华中Ⅰ型车削数控系统是(HCNC—1T)华中理工大学、武汉华中数控系统有限公司研制开发出来的。在保证系统可靠性的基础上,为用户提供了一个简捷、方便的操作平台。1.1.1CNC结构CNC结构如图1.1所示:图1.1数控教学型车床系统框图第2页共34页第1页共34页编号:时间:2021年x月x日书山有路勤为径,学海无涯苦作舟页码:第2页共34页说明:①系统用中文CRT显示,具有很好的人——机界面。②3.5英寸软盘可用于保存或调入加工程序。③通讯接口可用于系统集成化、联网、数据输入、输出、远程诊断等。④标准面板包括CRT/MDI面板和操作面板。⑤系统采用实时多任务的管理方式,能够在加工的同时进行其他操作。1.系统启动步骤⑴打开电柜开关⑵打开计算机开关⑶开始自检并由电子盘引导系统,进入DOS或WINDOWS工作环境。⑷执行CNC.EXE文件,系统显示如图1.2所示112系统通电后的屏幕说明⑴系统通电后,系统的屏幕显示如图1.2所示。⑵工作方式:显示系统目前的运行方式,如:自动运行、回零功能、手摇进给、MDI功能、手动操作、步进功能等。⑶运行状态:表示在不同的工作方式下有不同的运行状态,如:自动方式的状态显示:100%(进给修调)、机床锁住、程序单段等回零方式的状态显示:X轴回零、Z轴回零图1.2系统上电屏幕显示第3页共34页第2页共34页编号:时间:2021年x月x日书山有路勤为径,学海无涯苦作舟页码:第3页共34页手摇功能的状态显示:*10(手摇倍率)、X轴进给、Z轴进给等MDI功能的状态显示:摸态G00G90G20G99等点动功能的状态显示:100%(最大速度的百分比)、X轴进给、Z轴进给等步进功能的状态显示:*10(步进倍率)、X轴进给、Z轴进给等⑷运行文件名:显示自动加工的文件名,如:O2000表示该文件被读入运行⑸O.N索引:显示自动运行中的O代码和N代码⑹P.L索引:显示自动运行中的P(调用子程序号)代码和L(调用次数)代码⑺M.T索引:显示自动运行中的M(辅助功能为两位)代码和T(刀具号为四位)代码⑻机械坐标:显示从伺服单元反馈的坐标信息⑼F1键的功能:用此键改变显示软键的功能,使其返回到较高层次的菜单图1.3菜单结构第4页共34页第3页共34页编号:时间:2021年x月x日书山有路勤为径,学海无涯苦作舟页码:第4页共34页1.1.3系统的菜单功能介绍该系统的菜单共分为4级,分一级主菜单和三级子菜单,其结构如图1.3所示⑴第一级菜单(主菜单)基本功能菜单,如下图所示:⑵第二级菜单(第一级子菜单)①自动方式下的子菜单如下图所示②回零方式下的子菜单如下图所示③手摇方式下的子菜单如下图所示④MDI方式下的子菜单如下图所示⑤点动第5页共34页第4页共34页编号:时间:2021年x月x日书山有路勤为径,学海无涯苦作舟页码:第5页共34页方式下的子菜单如下图所示⑥步进方式下的子菜单如下图所示⑶第三级菜单(第二级子菜单)①刀具参数的子菜单如下图所示②数据设定的子菜单如下图所示③零件程序的子菜单如下图所示④PLC功能的子菜单如下图所示⑷第四级菜单(第三级子菜单)程序编辑下的子菜单如下图所示第6页共34页第5页共34页编号:时间:2021年x月x日书山有路勤为径,学海无涯苦作舟页码:第6页共34页1.1.4手动运行此工作方式在调试机床及对刀等情况下。1.1.5自动运行自动运行的操作步骤:⑴在主菜单下选择“自动运行”⑵按(F1▲)键显示其子菜单,选择加工程序,如加工程序已被选择,可进行④、⑤操作⑶按“内存方式”,选择要运行的程序⑷按“循环启动”⑸当运行过程中,需要人为退出自动运行或需要消除屏幕上的报警信息时,可按“运行取消”软体键,屏幕上提示确认信息“是否退出自动运行Y/N?”,按“Y”键表明取消,其他任意键表示不取消运行。*1.1.6报警信息提示:“#0”:在程序中有错误的符号“#1”:在宏程序中括号不配对“#2”:表达式不对“#3”:没有等号“#4”:非法变量“#5”:标号表满...

1、当您付费下载文档后,您只拥有了使用权限,并不意味着购买了版权,文档只能用于自身使用,不得用于其他商业用途(如 [转卖]进行直接盈利或[编辑后售卖]进行间接盈利)。
2、本站所有内容均由合作方或网友上传,本站不对文档的完整性、权威性及其观点立场正确性做任何保证或承诺!文档内容仅供研究参考,付费前请自行鉴别。
3、如文档内容存在违规,或者侵犯商业秘密、侵犯著作权等,请点击“违规举报”。

碎片内容

第一章 数控系统简介

确认删除?
VIP
微信客服
  • 扫码咨询
会员Q群
  • 会员专属群点击这里加入QQ群
客服邮箱
回到顶部