电脑桌面
添加小米粒文库到电脑桌面
安装后可以在桌面快捷访问

纺织品检测仪器项目公告VIP免费

纺织品检测仪器项目公告_第1页
1/7
纺织品检测仪器项目公告_第2页
2/7
纺织品检测仪器项目公告_第3页
3/7
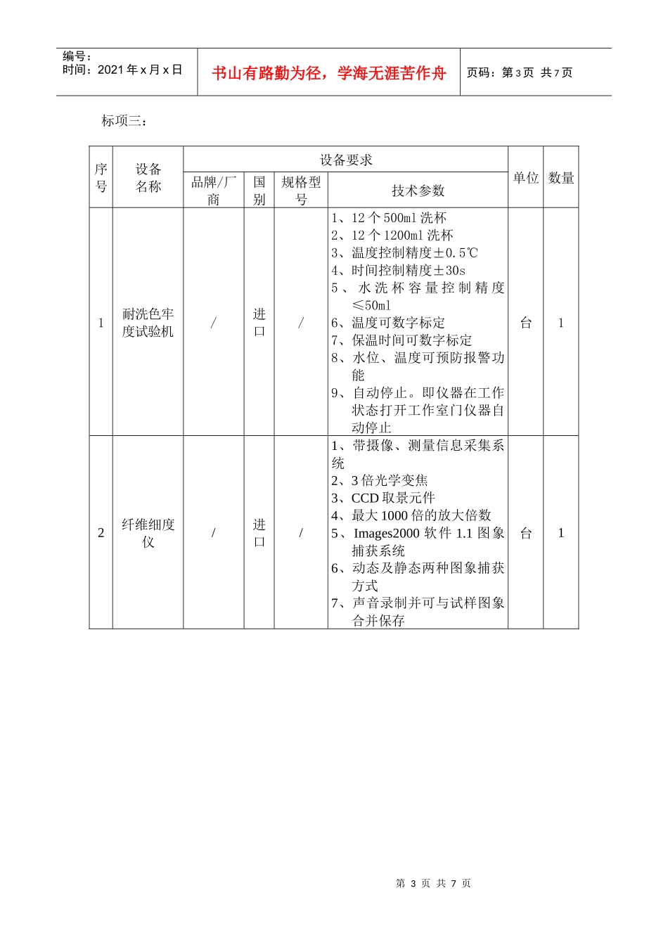
第1页共7页编号:时间:2021年x月x日书山有路勤为径,学海无涯苦作舟页码:第1页共7页纺织品检测仪器项目公告杭州市质量技术监督局余杭分局经政府采购监督部门批准,就纺织检测仪器项目进行竞争性谈判采购。具体公告如下:1、招标编号:HZYHZFCG-2006-0622、项目名称:纺织品检测仪3、采购需求:1、本项目的要求本次采购分为六个标项,投标人可以选择其中一个、几个标项或全部标项进行投标,但须对所投标项的所有设备进行投标,投标人一旦参与谈判,就视为接受了本次竞争性投标文件的所有内容。2、设备具体要求标项一:序号设备名称设备要求单位数量品牌/厂商国别规格型号技术参数1原子吸收分光光度计美国PE美国AA700波长范围:190~900nm通用雾化器配扰流器测定5ppmCu时,吸光度>0.3,RSD<0.25%高灵敏度雾化器配扰流器测定5ppmCu时,吸光度>0.75,RSD<0.35%火焰/石墨炉系统全自动转换自动进样器重现性:20μL,RSD≤0.5%配常用美国进口灯四只(铅、镉、铬和铜)PEAanalyst700产品性能要求:见附件12台1标项二:序号设备名称设备要求单位数量品牌/厂商国别规格型号技术参数1半自动电子单纱强力机/中国/测量范围:0~200N精度:≤±0.2%F·S台12电子单纤维强力机/中国/0~100cN≤±0.2%F·S≤100mm分辨率0.01mm台1第2页共7页第1页共7页编号:时间:2021年x月x日书山有路勤为径,学海无涯苦作舟页码:第2页共7页3落锤式织物撕裂仪/中国/测量范围:0~52N测力精度:≤±1分度值台1第3页共7页第2页共7页编号:时间:2021年x月x日书山有路勤为径,学海无涯苦作舟页码:第3页共7页标项三:序号设备名称设备要求单位数量品牌/厂商国别规格型号技术参数1耐洗色牢度试验机/进口/1、12个500ml洗杯2、12个1200ml洗杯3、温度控制精度±0.5℃4、时间控制精度±30s5、水洗杯容量控制精度≤50ml6、温度可数字标定7、保温时间可数字标定8、水位、温度可预防报警功能9、自动停止。即仪器在工作状态打开工作室门仪器自动停止台12纤维细度仪/进口/1、带摄像、测量信息采集系统2、3倍光学变焦3、CCD取景元件4、最大1000倍的放大倍数5、Images2000软件1.1图象捕获系统6、动态及静态两种图象捕获方式7、声音录制并可与试样图象合并保存台1第4页共7页第3页共7页编号:时间:2021年x月x日书山有路勤为径,学海无涯苦作舟页码:第4页共7页标项四:序号设备名称设备要求单位数量品牌/厂商国别规格型号技术参数1智能微波消解仪/中国/1、压力设定范围:0.1MPa~4MPa,增量为0.1MPa2、功率设定范围:50P~100P增量为10%P3、时间设定范围:1~9999s增量为1s4、采用导气管引压,压力传感器直接测压的控制方式;采用铂电阻直接测量消解罐内温度5、一次最多可放置6个高压消解罐,容积60ml,护套由高强度PTFE6、主动安全措施:安全膜释压和裙边破裂释压,采用离心式风机(2.5M3/min)7、1000W微波功率输出,非脉冲连续微波加热8、带电子加热板、双CPU相互监控台1标项五:序号设备名称设备要求单位数量品牌/厂商国别规格型号技术参数1分光光度仪/中国/数显式,波长为300~1000nm台12生物显微镜/中国/最大放大倍数为1000×台1第5页共7页第4页共7页编号:时间:2021年x月x日书山有路勤为径,学海无涯苦作舟页码:第5页共7页3干燥箱/中国/室温~160℃,有效容积50×50×60cm台1标项六:序号设备名称设备要求单位数量品牌/厂商规格型号技术参数1恒温恒湿精密空调//包括安装及调试费;温湿度要求满足50㎡的实验室;温湿度要求达到:在同一工作空间,温度控制精度高于±1℃,湿度控制精度高于±2%RH台1第6页共7页第5页共7页编号:时间:2021年x月x日书山有路勤为径,学海无涯苦作舟页码:第6页共7页4、合格的投标人应具备的资格要求(1)符合《中华人民共和国政府采购法》第二十二条规定的条件;(2)具有本次采购经营范围的独立法人;5、采购方式:竞争性谈判6、领取标书时间:2006年9月22日---2006年9月25日(工作日)7、领取标书地点:临平镇景星观路2号、杭州市质量技术监督局余杭分局办公室8、标书售价:200元,售后不退9、领取标书时必须携带并提供的资料:(1)营业执照正本或副本复印件(盖单位公章);(2)法定代表人身份证原件及复印件(法定...

1、当您付费下载文档后,您只拥有了使用权限,并不意味着购买了版权,文档只能用于自身使用,不得用于其他商业用途(如 [转卖]进行直接盈利或[编辑后售卖]进行间接盈利)。
2、本站所有内容均由合作方或网友上传,本站不对文档的完整性、权威性及其观点立场正确性做任何保证或承诺!文档内容仅供研究参考,付费前请自行鉴别。
3、如文档内容存在违规,或者侵犯商业秘密、侵犯著作权等,请点击“违规举报”。

碎片内容

纺织品检测仪器项目公告

您可能关注的文档

确认删除?
VIP
微信客服
  • 扫码咨询
会员Q群
  • 会员专属群点击这里加入QQ群
客服邮箱
回到顶部