电脑桌面
添加小米粒文库到电脑桌面
安装后可以在桌面快捷访问

井巷工程质量控制资料VIP免费

井巷工程质量控制资料_第1页
1/154
井巷工程质量控制资料_第2页
2/154
井巷工程质量控制资料_第3页
3/154
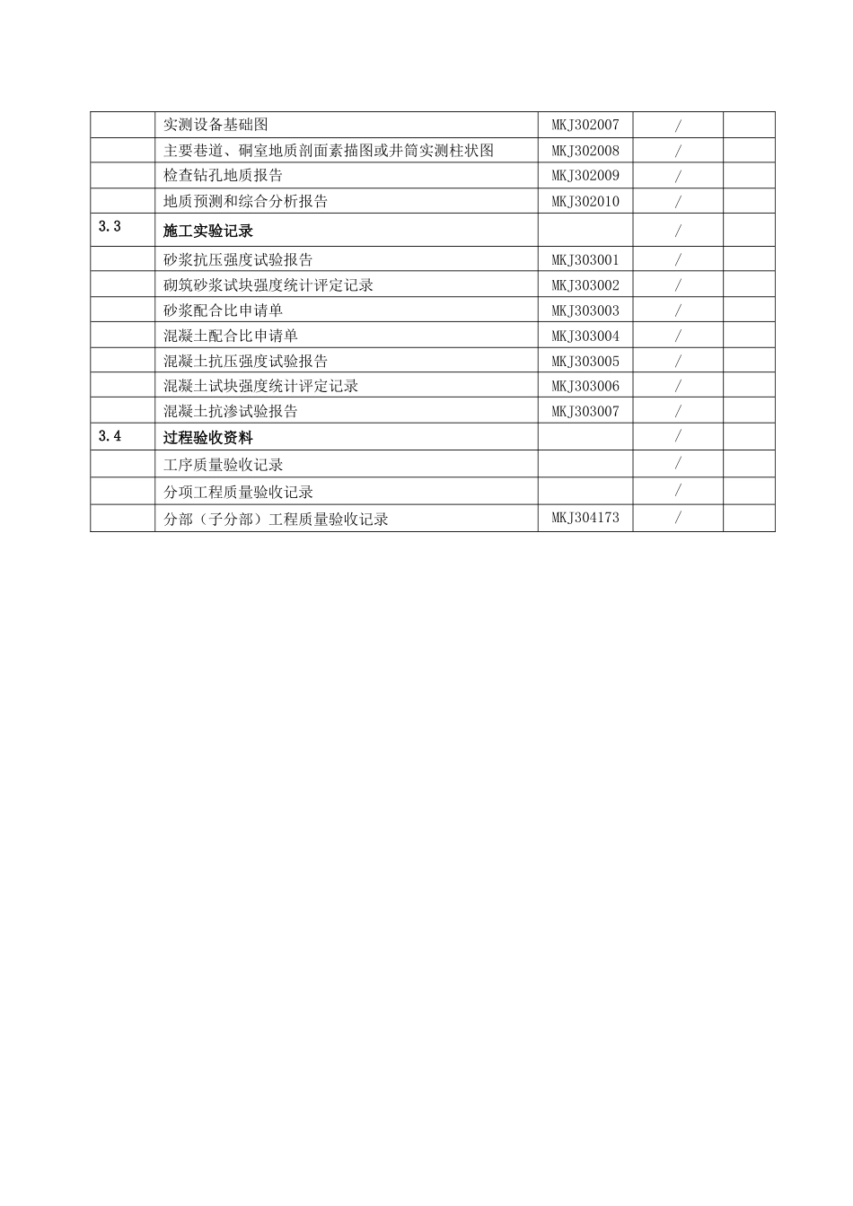
3质量控制资料目录序号资料名称资料编号份数/页数备注3.1施工物资资料/3.1.1主要物资出厂质量证明文件(如有新材料进场需附合格证)/产品合格证、性能检测报告MKJ301001/出厂质量证明文件及检测报告汇总表MKJ301002/3.1.2试验报告(表式见检测单位的实验报告)/钢材力学实验报告MKJ301003/钢材化学分析实验报告MKJ301004/焊接试(或检)验报告MKJ301005/水泥试验报告MKJ301006/砌块试验报告MKJ301007/砂子试验报告MKJ301008/碎(或卵)石试验报告MKJ301009/外加剂试验报告MKJ301010/防水材料试验报告MKJ301011/预制构件结构性能试验记录MKJ301012/混凝土试块力学试验报告MKJ301013/砂浆试块力学试验报告MKJ301014/混凝用水土pH值化验单MKJ301015/锚杆、锚索、锚固剂检测报告MKJ301016/3.1.3进场检验记录/材料、构配件进场检验记录MKJ301017/主要设备开箱检验记录MKJ301018/3.2施工记录资料/3.2.1通用表格/隐蔽工程验收记录MKJ302001/施工检查记录MKJ302002/工程交接检查记录MKJ302003/3.2.2施工测量记录/工程定位测量及复测记录MKJ302004/工程施工测量记录MKJ302005/3.2.3专用表格/实测设备基础图MKJ302007/主要巷道、硐室地质剖面素描图或井筒实测柱状图MKJ302008/检查钻孔地质报告MKJ302009/地质预测和综合分析报告MKJ302010/3.3施工实验记录/砂浆抗压强度试验报告MKJ303001/砌筑砂浆试块强度统计评定记录MKJ303002/砂浆配合比申请单MKJ303003/混凝土配合比申请单MKJ303004/混凝土抗压强度试验报告MKJ303005/混凝土试块强度统计评定记录MKJ303006/混凝土抗渗试验报告MKJ303007/3.4过程验收资料/工序质量验收记录/分项工程质量验收记录/分部(子分部)工程质量验收记录MKJ304173/产品合格证、性能检测报告MKJ301001□□□一般包括钢材、焊条、水泥、砌块等,其出厂质量证明文件包括:产品质量合格证、质量证明书(或质量保证书)、性能检测报告、CCC认证证书、计量检定证书、厂家资质证明文件等。需要提供证明文件清单:钢材出厂合格证焊条(或焊剂)合格证水泥出厂合格证砌块合格证外加剂出厂合格证防水材料出厂质量证明文件预制钢筋混凝土构件出厂合格证构件出厂合格证商品混凝土出厂质量证明锚杆、锚索、锚固剂合格证原材料出厂质量证明文件及检测报告汇总表MKJ301002□□□工程名称:序号原材料规格、品种、级别生产厂家合格证编号进场数量进场日期报告日期主要使用部位及有关说明项目(专业)技术负责人:质量检查员:日期:通用资料目录单位工程名称:序号资料编号资料名称份数/页数备注12345678910111213141516合格证粘贴表材料名称合格证编号合格证代表数量进货数量工程总需要量材料验收单编号抽样试验委托单编号抽样试验结论供货单位到货日期查对标牌验收情况合格证收到日期(合格证粘贴处)抄件粘贴表材料名称合格证原件编号合格证复印件代表数量进货数量工程总需要量材料验收单编号抽样试验委托单编号抽样试验结论供货单位到货日期查对标牌验收情况合格证复印件收到日期合格证原件存放单位复印(抄件)单位(盖章)复印(抄件)人签字(复印件或抄件粘贴处)试验报告(表式见检测单位试验报告)钢材力学实验报告MKJ301003钢材化学分析实验报告MKJ301004焊接试(或检)验报告MKJ301005水泥试验报告MKJ301006砌块试验报告MKJ301007砂子试验报告MKJ301008碎(或卵)石试验报告MKJ301009外加剂试验报告MKJ301010防水材料试验报告MKJ301011预制构件结构性能试验记录MKJ301012混凝土试块力学试验报告MKJ301013砂浆试块力学试验报告MKJ301014混凝用水土pH值化验单MKJ301015锚杆、锚索、锚固剂检测报告MKJ301016混凝土(砂浆)试块资料目录单位工程名称:序号试验编号制作(试验)日期工程部位名称代表数量设计强度等级达到设计强度(%)备注123456789101112131415混凝土(砂浆)配合比资料目录单位工程名称:序号通知单编号品种强度等级日期工程部位备注123456789101112131415混凝土用水资料目录单位工程名称:序号试验单编号取样日期使用部位使用水源实测pH值备注123456789101112131415材料、构配件进场检验记录MKJ301017□□□工程名称检测日期序号名称规格型号进场数量生产...

1、当您付费下载文档后,您只拥有了使用权限,并不意味着购买了版权,文档只能用于自身使用,不得用于其他商业用途(如 [转卖]进行直接盈利或[编辑后售卖]进行间接盈利)。
2、本站所有内容均由合作方或网友上传,本站不对文档的完整性、权威性及其观点立场正确性做任何保证或承诺!文档内容仅供研究参考,付费前请自行鉴别。
3、如文档内容存在违规,或者侵犯商业秘密、侵犯著作权等,请点击“违规举报”。

碎片内容

井巷工程质量控制资料

海纳百川+ 关注
实名认证
内容提供者

热爱教学事业,对互联网知识分享很感兴趣

确认删除?
VIP
微信客服
  • 扫码咨询
会员Q群
  • 会员专属群点击这里加入QQ群
客服邮箱
回到顶部