电脑桌面
添加小米粒文库到电脑桌面
安装后可以在桌面快捷访问

机电技术应用专业岗位任务分析表VIP免费

机电技术应用专业岗位任务分析表_第1页
1/5
机电技术应用专业岗位任务分析表_第2页
2/5
机电技术应用专业岗位任务分析表_第3页
3/5
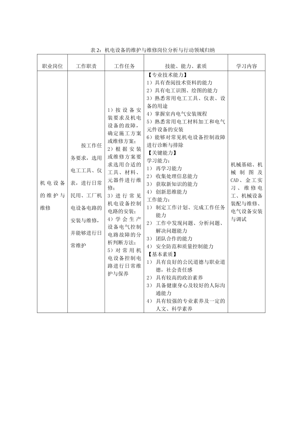
机电技术应用专业岗位任务分析一、机电专业技能型人才需求分析通过对本市制造业的调研,丰爱汽车、三星光电子、天津天海同步科技股份有限公司、天津易通电气技术开发集团有限公司等典型企业生产一线核心岗位主要有:机电设备的操作与维护、机电产品的组装与调试、机械加工、电工、机电产品的售后服务、质量管理及其他等。随着技术的进步和企业的发展,企业对从业员工的能力要求也在发生着变化,企业一线需要中职综合性操作人才的比例越来越大。另外,由于天津地区经济发展和技术更新,本市现代制造业从国外引进了大量先进生产设备,企业根据生产的需要和工艺的变化,对机电一体化设备和自动生产线进行现代化技术改造,需要大量一线自动化生产线和机电一体化设备安装操作、维修维护蓝领工人。二、职业岗位群分析与行动领域归纳通过对多家机电企业进行了职业群与岗位群调研。通过调研了解企业用人机制、人才需求和岗位技能要求及生产过程技术要求等,由此进行工作岗位、工作对象、工作条件、工艺流程、工作能力与素质要求等综合分析,确定本专业面向的职业岗位和培养目标定位。根据调研分析结果,我们确定机电技术专业的学生适应机电行业的职业岗位主要有三方面:一是从事机电设备的操作工作;二是从事机电设备的维护与维修工作;三是从事机电产品和生产设备生产线(自动线)的安装与调试。表1:机电技术应用专业岗位任务分析表职业岗位工作职责工作任务技能、能力、素质学习内容机电设备操作按任务要求,操作常用机电设备,进行零配件加工,并进行设备的日常维护1)根据机械零配件加工工艺要求确定加工参数及相应工、夹、量具2)能够合理选用刀具,刃磨刀具3)进行产品质量检验与分析4)对常用机电设备机械部件进行日常维护与保养【专业技术能力】1)具有查阅技术资料的能力2)具有机械、零部件识图、绘图的能力3)熟悉典型机电设备的结构及传动原理4)熟悉典型机电设备的加工特点5)能够对典型机电设备常见故障进行诊断与排除【关键能力】学习能力:1)再学习能力2)收集处理信息能力3)获取新知识的能力4)掌握新技术、新设备、新工艺、新材料的能力5)创新思维能力工作能力:1)制定工作计划、完成工作任务能力2)工作中发现问题、分析问题、解决问题能力3)团队合作的能力4)安全防范和质量控制能力【基本素质】1)具有良好的公民道德与职业道德,社会责任感2)具有较高的政治素养3)具备健康身心及较好的人际沟通能力具有较强的专业素养及一定的人文、科学素养机械基础、机械制图及CAD、金工实习、机电设备概论、机械设备装配与维修表2:机电设备的维护与维修岗位分析与行动领域归纳职业岗位工作职责工作任务技能、能力、素质学习内容机电设备的维护与维修按工作任务要求,选用电工工具、仪表,进行日常民用、工厂机电设备电路的安装与维修,并能够进行日常维护1)按设备安装要求及机电设备的故障,确定施工方案或维修方案;2)根据安装或维修方案要求选用合适的工具、材料、元器件进行维修;3)进行常见机电设备控制电路的安装;4)学会生产设备电气控制电路故障的分析判断方法;5)对常用机电设备控制电路进行日常维护与保养【专业技术能力】1)具有查阅技术资料的能力2)具有电工识图、绘图的能力3)熟悉常用电工工具、仪表、设备的用途4)掌握室内电气安装规程5)熟悉常用电工材料加工和电气元件设备的安装6)能够对常见机电设备控制故障进行诊断与排除【关键能力】学习能力:1)再学习能力2)收集处理信息能力3)获取新知识的能力4)创新思维能力工作能力:1)制定工作计划、完成工作任务能力2)工作中发现问题、分析问题、解决问题能力3)团队合作的能力4)安全防范和质量控制能力【基本素质】1)具有良好的公民道德与职业道德,社会责任感2)具有较高的政治素养3)具备健康身心及较好的人际沟通能力4)具有较强的专业素养及一定的人文、科学素养机械基础、机械制图及CAD、金工实习、维修电工、机械设备装配与维修、电气设备安装与调试表3:自控设备的安装与调试岗位分析与行动领域归纳职业岗位工作职责工作任务技能、能力、素质学习内容自控设备的安装与调试按工作任务...

1、当您付费下载文档后,您只拥有了使用权限,并不意味着购买了版权,文档只能用于自身使用,不得用于其他商业用途(如 [转卖]进行直接盈利或[编辑后售卖]进行间接盈利)。
2、本站所有内容均由合作方或网友上传,本站不对文档的完整性、权威性及其观点立场正确性做任何保证或承诺!文档内容仅供研究参考,付费前请自行鉴别。
3、如文档内容存在违规,或者侵犯商业秘密、侵犯著作权等,请点击“违规举报”。

碎片内容

机电技术应用专业岗位任务分析表

您可能关注的文档

确认删除?
VIP
微信客服
  • 扫码咨询
会员Q群
  • 会员专属群点击这里加入QQ群
客服邮箱
回到顶部