电脑桌面
添加小米粒文库到电脑桌面
安装后可以在桌面快捷访问

高考三年模拟专题之碳族元素无机非金属材料VIP免费

高考三年模拟专题之碳族元素无机非金属材料_第1页
1/52
高考三年模拟专题之碳族元素无机非金属材料_第2页
2/52
高考三年模拟专题之碳族元素无机非金属材料_第3页
3/52
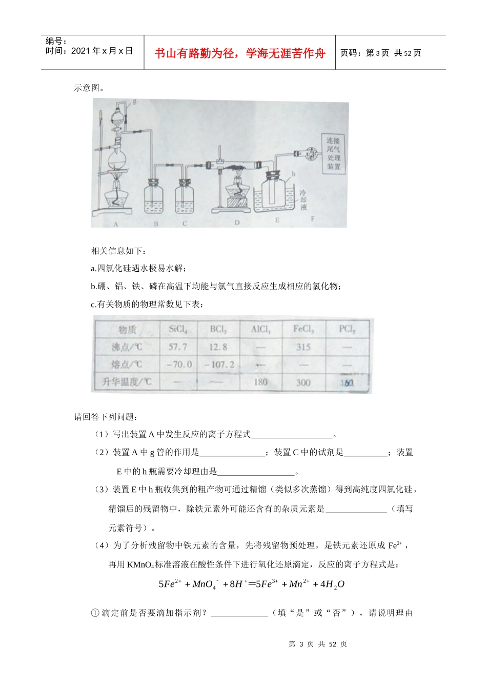
第1页共52页编号:时间:2021年x月x日书山有路勤为径,学海无涯苦作舟页码:第1页共52页第五章碳族元素无机非金属材料第一部分五年高考题荟萃2009年高考题一、选择题1.(09广东理科基础22)下列关于硅单质及其化合物的说法正确的是()①硅是构成一些岩石和矿物的基本元素②水泥、玻璃、水晶饰物都是硅酸盐制品③高纯度的硅单质广泛用于制作光导纤维④陶瓷是人类应用很早的硅酸盐材料A.①②B.②③C.①④D.③④答案A解析光导纤维的成分是SiO2,③错;陶瓷的成分是SiO2,而不属于硅酸盐,④错。故A项正确。2.(09安徽理科基础22)石墨烯是由碳原子构成的单层片状结构的新材料(结构示意图如下),可由石墨剥离而成,具有极好的应用前景。下列说法正确的是()A.石墨烯与石墨互为同位素B.0.12g石墨烯中含有6.02*1022个碳原子C石墨烯是一种有机物D.石墨烯中的碳原子间以共价键结合答案D解析同位素的研究对象是原子,A选项错误;0.12g石墨烯的物质的量为0.01mol,所含碳原子个数为0.01NA,B选项错误;有机物一般含有碳、氢元素,C选项错误;由图示可知,石墨烯中碳原子间均为共价键结合,D选项正确。二、非选择题3.(09全国卷Ⅰ29)已知周期表中,元素Q、R、W、Y与元素X相邻。Y的最高化合价氧化物的水化物是强酸。回答下列问题:(1)W与Q可以形成一种高温结构陶瓷材料。W的氯化物分子呈正四面体结构,W的氧化物的晶体类型是;第2页共52页第1页共52页编号:时间:2021年x月x日书山有路勤为径,学海无涯苦作舟页码:第2页共52页(2)Q的具有相同化合价且可以相互转变的氧化物是;(3)R和Y形成的二元化合物中,R呈现最高化合价的化合物的化学式是;(4)这5个元素的氢化物分子中,①立体结构类型相同的氢化物的沸点从高到低排列次序是(填化学式),其原因是;②电子总数相同的氢化物的化学式和立体结构分别是;(5)W和Q所形成的结构陶瓷材料的一种合成方法如下:W的氯化物与Q的氢化物加热反应,生成化合物W(QH2)4和HCL气体;W(QH2)4在高温下分解生成Q的氢化物和该陶瓷材料。上述相关反应的化学方程式(各物质用化学式表示)是。答案(1)原子晶体。(2)NO2和N2O4(3)As2S5。(4)①NH3>AsH3>PH3,因为前者中含有氢键,后两者构型相同,分子间作用力不同;②电子数相同的有SiH4、PH3和H2S结构分别为正四面体,三角锥和V形。(5)SiCl4+4NH3=Si(NH2)4+4HCl,3Si(NH2)4=8NH3+Si3N4解析本题可结合问题作答。W的氯化物为正四体型,则应为SiCl4或CCl4,又W与Q形成高温陶瓷,故可推断W为Si。(1)SiO2为原子晶体。(2)高温陶瓷可联想到Si3N4,Q为N,则有NO2与N2O4之间的相互转化关系。(3)Y的最高价氧化的的水化物为强酸,且与Si、N等相邻,则只能是S。R为As,所以R的最高价化合物应为As2S5。(4)显然x为P元素。①氢化物沸点顺序为NH3>AsH3>PH3,因为前者中含有氢键后两者构型相同,分子间作用力不同。②SiH4、PH3和H2S的电子数均为18。,结构分别为正四面体,三角锥和V形。(5)由题中所给出的含字母的化学式可以写出具体的物质,然后配平即可。4.(09浙江卷28)单晶硅是信息产业中重要的基础材料。通常用碳在高温下还原二氧化硅制得粗硅(含铁、铝、硫、磷等杂质),粗硅与氯气反应生成四氯化硅(反应温度450-500°C),四氯化硅经提纯后用氢气还原可得高纯硅。以下是实验室制备四氯化硅的装置第3页共52页第2页共52页编号:时间:2021年x月x日书山有路勤为径,学海无涯苦作舟页码:第3页共52页示意图。相关信息如下:a.四氯化硅遇水极易水解;b.硼、铝、铁、磷在高温下均能与氯气直接反应生成相应的氯化物;c.有关物质的物理常数见下表:请回答下列问题:(1)写出装置A中发生反应的离子方程式。(2)装置A中g管的作用是;装置C中的试剂是;装置E中的h瓶需要冷却理由是。(3)装置E中h瓶收集到的粗产物可通过精馏(类似多次蒸馏)得到高纯度四氯化硅,精馏后的残留物中,除铁元素外可能还含有的杂质元素是(填写元素符号)。(4)为了分析残留物中铁元素的含量,先将残留物预处理,是铁元素还原成Fe2+,再用KMnO4标准溶液在酸性条件下进行氧化还原滴定,反应的离子方程式是:①滴定前...

1、当您付费下载文档后,您只拥有了使用权限,并不意味着购买了版权,文档只能用于自身使用,不得用于其他商业用途(如 [转卖]进行直接盈利或[编辑后售卖]进行间接盈利)。
2、本站所有内容均由合作方或网友上传,本站不对文档的完整性、权威性及其观点立场正确性做任何保证或承诺!文档内容仅供研究参考,付费前请自行鉴别。
3、如文档内容存在违规,或者侵犯商业秘密、侵犯著作权等,请点击“违规举报”。

碎片内容

高考三年模拟专题之碳族元素无机非金属材料

您可能关注的文档

确认删除?
VIP
微信客服
  • 扫码咨询
会员Q群
  • 会员专属群点击这里加入QQ群
客服邮箱
回到顶部