电脑桌面
添加小米粒文库到电脑桌面
安装后可以在桌面快捷访问

重庆某污水处理厂工程监理规划VIP免费

重庆某污水处理厂工程监理规划_第1页
1/89
重庆某污水处理厂工程监理规划_第2页
2/89
重庆某污水处理厂工程监理规划_第3页
3/89
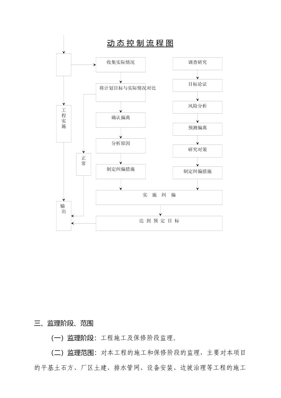
重庆万盛区污水处理厂工程监理规划一、工程概况:(一)项目名称:重庆市万盛区污水处理厂工程和配套管网工程(二)建设单位:重庆市水务控股(集团)有限公司区县污水建设办公室(三)建设地点:重庆市万盛区(四)项目总规模:日处理污水2万吨。(五)项目建设内容:平基土石方、厂区土建、管网、设备安装及挡土墙工程。(六)工程特点:1.厂区为当地农田,有较多淤泥、种植土、草皮,势必影响厂区内的回填。2.项目建设内容较多,所涉及的专业较广泛,因此,对整个施工过程中,结合地勘报告、施工图及相关规范进行控制。3.厂区地下水较为丰富,施工中作好排水措施。二、监理原则与依据和主要工作方法(一)监理原则:我监理公司将本着“严格监理、热情服务、秉公办事、一丝不苟”的原则认真贯彻执行有关本工程施工监理的各项方针政策、法规,制定详细的工作计划,明确岗位职责,严格检查制度,努力做好本工程的监理服务工作。(二)监理依据:1.法规:国家和本市及相关部委的有关法律、法规、条例、政策及相关规定;2.国家部门颁布的本项目适用的现行施工规范、验收规范、监理规范和工程质量评定标准:3.本项目施工图设计文件及相关批文(含地质勘察资料、造价预算书等);4.本项目业主和承包人、设备材料供应商、检测试验单位依法签订的施工承包合同、供货合同、检测试验合同等;5.业主方的通知、要求和相关规定;6.本项目工程建设监理合同;7.与本项目建设有关的文件、会议纪要、通知、函电和指令等。(三)主要工作方法:本工程监理的主要方法是动态控制法:即事前预测、事中控制、事后检查。以事前预测为先,事中控制同时加强监测和信息反馈、调整;主动控制为主,并定期和不定期进行事后检查,见下页框图。工程实施收集实际情况将计划目标与实际情况对比确认偏离分析原因制定纠偏措施调查研究目标论证风险分析预测偏离研究对策制定纠偏措施实施纠偏达到预定目标输出正常动态控制流程图三、监理阶段、范围(一)监理阶段:工程施工及保修阶段监理。(二)监理范围:对本工程的施工和保修阶段的监理,主要对本项目的平基土石方、厂区土建、排水管网、设备安装、边坡治理等工程的施工进行监理。在监理过程中,对建设过程中实施投资、进度、质量“三大”目标的控制、合同管理、信息管理和组织协调。严格执行国家工程建设监理制度,确保工程顺利进行,如期建成和交付使用,并实施保修阶段的监理。四、监理目标(一)监理总目标:我监理公司将依据国家和相应主管部门制定、颁发的有关法律、法规、政策、技术标准,以及经批准的设计文件和依法签定的总承包及施工合同,按监理服务范围和内容,履行监理义务,独立、公正、科学、有效地服务于本工程,实施全面监理,使工程质量、工期和投资均满足本工程建设要求,使本工程建设达到质量优、进度快、投资省、效益高的目的。(二)质量控制目标按照本项目设计文件、技术标准和技术规范,对施工全过程进行质量控制、监督和管理。施工招标阶段,我们将协助业主编制施工招标文件,帮助业主草拟施工承包合同。施工准备阶段,我们将认真审查施工技术方案,找出工程质量控制要点,作好事前控制,对重要施工内容编制专项监理实施细则(如:土石方工程、基础处理、排水管道、设备、仪器仪表安装等)。在施工过程中严格执行工序检查、分部工程交验、砼浇筑许可证等质量检查制度,做好事中控制。同时我们还将积极主动地向业主、质量监督部门做好工程质量信息的前馈与反馈工作。在业主、质监及承包方各方的支持配合下,建立起一个完善的施工质量控制管理体系,最终保证工程质量符合合同、技术规范、图纸规定的质量要求,并使工程验收一次性合格。(三)进度控制目标我监理公司将根据本项目工期计划要求及合同开工日期、工程总量、资源配置等情况,将总工期计划分解为各施工阶段的工期目标。然后再依据施工阶段工期目标,督促帮助承包人编制切实可行的施工进度计划,会同业主进行严格仔细审查。施工中,监理工程师将跟踪检查承包人的劳动力、设备机具、材料的配备能否满足资源配置要求,以保证施工进度计划。需要时,监理工程师还将督促或...

1、当您付费下载文档后,您只拥有了使用权限,并不意味着购买了版权,文档只能用于自身使用,不得用于其他商业用途(如 [转卖]进行直接盈利或[编辑后售卖]进行间接盈利)。
2、本站所有内容均由合作方或网友上传,本站不对文档的完整性、权威性及其观点立场正确性做任何保证或承诺!文档内容仅供研究参考,付费前请自行鉴别。
3、如文档内容存在违规,或者侵犯商业秘密、侵犯著作权等,请点击“违规举报”。

碎片内容

重庆某污水处理厂工程监理规划

确认删除?
VIP
微信客服
  • 扫码咨询
会员Q群
  • 会员专属群点击这里加入QQ群
客服邮箱
回到顶部