电脑桌面
添加小米粒文库到电脑桌面
安装后可以在桌面快捷访问

电线绝缘电阻测试记录VIP免费

电线绝缘电阻测试记录_第1页
1/20
电线绝缘电阻测试记录_第2页
2/20
电线绝缘电阻测试记录_第3页
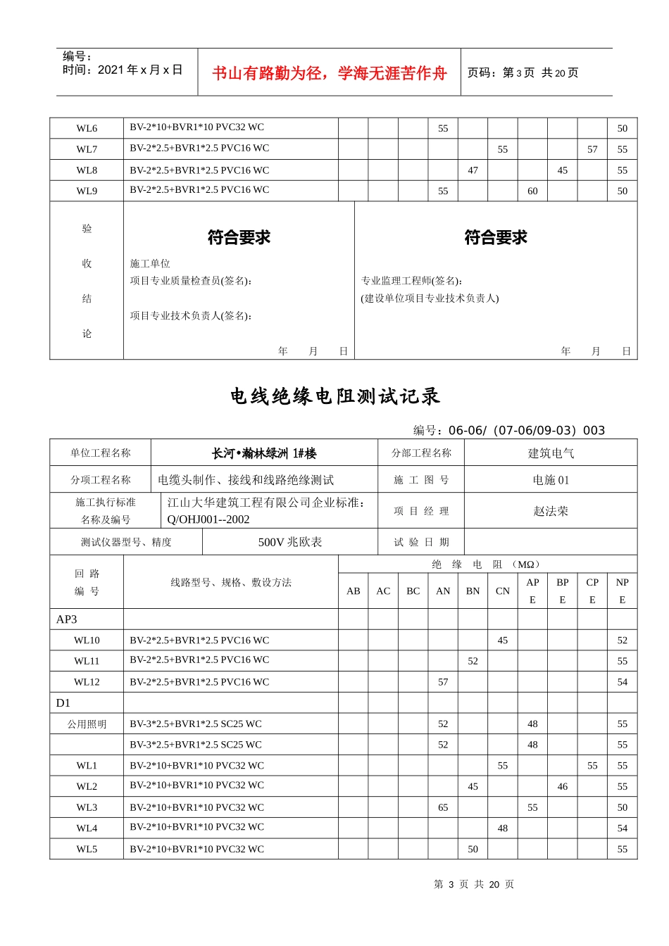
3/20
第1页共20页编号:时间:2021年x月x日书山有路勤为径,学海无涯苦作舟页码:第1页共20页电线绝缘电阻测试记录编号:06-06/(07-06/09-03)001单位工程名称长河•瀚林绿洲1#楼分部工程名称建筑电气分项工程名称电缆头制作、接线和线路绝缘测试施工图号电施01施工执行标准名称及编号江山大华建筑工程有限公司企业标准:Q/OHJ001--2002项目经理赵法荣测试仪器型号、精度500V兆欧表试验日期回路编号线路型号、规格、敷设方法绝缘电阻(MΩ)ABACBCANBNCNAPEBPECPENPEAP1公灯BV-2*2.5PVC16WC505055电控门BV-2*2.5+BVR-1*2.5PVC20WC455055电话箱BV-2*2.5+BVR-1*2.5PVC20WCWL1BV-2*10+BVR1*10PVC32WC565555WL2BV-2*10+BVR1*10PVC32WC454555WL3BV-2*10+BVR1*10PVC32WC555553WL4BV-2*10+BVR1*10PVC32WC4550WL5BV-2*10+BVR1*10PVC32WC5055WL6BV-2*10+BVR1*10PVC32WC5550WL7BV-2*2.5+BVR1*2.5PVC16WC555555WL8BV-2*2.5+BVR1*2.5PVC16WC454555WL9BV-2*2.5+BVR1*2.5PVC16WC555556WL10BV-2*2.5+BVR1*2.5PVC16WC4550WL11BV-2*2.5+BVR1*2.5PVC16WC5055WL12BV-2*2.5+BVR1*2.5PVC16WC5550AP2WL1BV-2*10+BVR1*10PVC32WC525555WL2BV-2*10+BVR1*10PVC32WC454555WL3BV-2*10+BVR1*10PVC32WC555550第2页共20页第1页共20页编号:时间:2021年x月x日书山有路勤为径,学海无涯苦作舟页码:第2页共20页验收结论符合要求施工单位项目专业质量检查员(签名):项目专业技术负责人(签名):年月日符合要求专业监理工程师(签名):(建设单位项目专业技术负责人)年月日电线绝缘电阻测试记录编号:06-06/(07-06/09-03)002单位工程名称长河•瀚林绿洲1#楼分部工程名称建筑电气分项工程名称电缆头制作、接线和线路绝缘测试施工图号电施01施工执行标准名称及编号江山大华建筑工程有限公司企业标准:Q/OHJ001--2002项目经理赵法荣测试仪器型号、精度500V兆欧表试验日期回路编号线路型号、规格、敷设方法绝缘电阻(MΩ)ABACBCANBNCNAPEBPECPENPEAP2WL4BV-2*10+BVR1*10PVC32WC4554WL5BV-2*10+BVR1*10PVC32WC5055WL6BV-2*10+BVR1*10PVC32WC5550WL7BV-2*2.5+BVR1*2.5PVC16WC555555WL8BV-2*2.5+BVR1*2.5PVC16WC454555WL9BV-2*2.5+BVR1*2.5PVC16WC555550WL10BV-2*2.5+BVR1*2.5PVC16WC4552WL11BV-2*2.5+BVR1*2.5PVC16WC5055WL12BV-2*2.5+BVR1*2.5PVC16WC5554AP3WL1BV-2*10+BVR1*10PVC32WC555555WL2BV-2*10+BVR1*10PVC32WC454655WL3BV-2*10+BVR1*10PVC32WC655550WL4BV-2*10+BVR1*10PVC32WC4854WL5BV-2*10+BVR1*10PVC32WC5055第3页共20页第2页共20页编号:时间:2021年x月x日书山有路勤为径,学海无涯苦作舟页码:第3页共20页WL6BV-2*10+BVR1*10PVC32WC5550WL7BV-2*2.5+BVR1*2.5PVC16WC555755WL8BV-2*2.5+BVR1*2.5PVC16WC474555WL9BV-2*2.5+BVR1*2.5PVC16WC556050验收结论符合要求施工单位项目专业质量检查员(签名):项目专业技术负责人(签名):年月日符合要求专业监理工程师(签名):(建设单位项目专业技术负责人)年月日电线绝缘电阻测试记录编号:06-06/(07-06/09-03)003单位工程名称长河•瀚林绿洲1#楼分部工程名称建筑电气分项工程名称电缆头制作、接线和线路绝缘测试施工图号电施01施工执行标准名称及编号江山大华建筑工程有限公司企业标准:Q/OHJ001--2002项目经理赵法荣测试仪器型号、精度500V兆欧表试验日期回路编号线路型号、规格、敷设方法绝缘电阻(MΩ)ABACBCANBNCNAPEBPECPENPEAP3WL10BV-2*2.5+BVR1*2.5PVC16WC4552WL11BV-2*2.5+BVR1*2.5PVC16WC5255WL12BV-2*2.5+BVR1*2.5PVC16WC5754D1公用照明BV-3*2.5+BVR1*2.5SC25WC524855BV-3*2.5+BVR1*2.5SC25WC524855WL1BV-2*10+BVR1*10PVC32WC555555WL2BV-2*10+BVR1*10PVC32WC454655WL3BV-2*10+BVR1*10PVC32WC655550WL4BV-2*10+BVR1*10PVC32WC4854WL5BV-2*10+BVR1*10PVC32WC5055第4页共20页第3页共20页编号:时间:2021年x月x日书山有路勤为径,学海无涯苦作舟页码:第4页共20页WL6BV-2*10+BVR1*10PVC32WC5550WL7BV-2*10+BVR1*10PVC32WC555755WL8BV-2*10+BVR1*10PVC32WC474555WL9BV-2*10+BVR1*10PVC32WC556050D2WL1BV-2*10+BVR1*10PVC32WC524855WL2BV-2*10+BVR1*10PVC32WC5555...

1、当您付费下载文档后,您只拥有了使用权限,并不意味着购买了版权,文档只能用于自身使用,不得用于其他商业用途(如 [转卖]进行直接盈利或[编辑后售卖]进行间接盈利)。
2、本站所有内容均由合作方或网友上传,本站不对文档的完整性、权威性及其观点立场正确性做任何保证或承诺!文档内容仅供研究参考,付费前请自行鉴别。
3、如文档内容存在违规,或者侵犯商业秘密、侵犯著作权等,请点击“违规举报”。

碎片内容

电线绝缘电阻测试记录

中小学教育精品资料+ 关注
实名认证
内容提供者

中小学教育资料,优质文档创作者

确认删除?
VIP
微信客服
  • 扫码咨询
会员Q群
  • 会员专属群点击这里加入QQ群
客服邮箱
回到顶部