电脑桌面
添加小米粒文库到电脑桌面
安装后可以在桌面快捷访问

送电线路工程监理专用表式VIP免费

送电线路工程监理专用表式_第1页
1/39
送电线路工程监理专用表式_第2页
2/39
送电线路工程监理专用表式_第3页
3/39
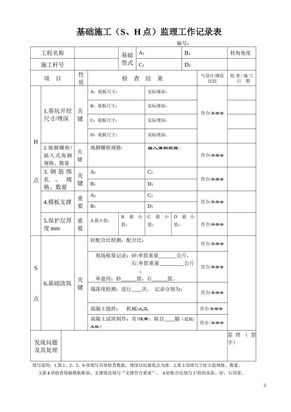
送电线路工程监理专用表格1送电线路监理预检纪录表格-----------------------------------------------------------放行卡(申请单)-----------------------------------------------------------------------26工程进场材料/构配件监理检验工作表和质量监控台账-------------------------321基础施工(S、H点)监理工作记录表编号:工程名称基础型式A:B:转角角度施工杆号C:D:项目性质检查结果与设计/规范比较检查/施工日期H点1.基坑开挖尺寸/埋深关键A:底板尺寸:实际埋深:符合/不符合B:底板尺寸:实际埋深:C:底板尺寸:实际埋深:D:底板尺寸:实际埋深:2.地脚螺栓/插入式角钢规格、数量关键地脚螺栓规格:插入角钢规格:符合/不符合3.钢筋绑扎、规格、数量关键A:C:符合/不符合B:D:4.模板支撑重要A:C:符合/不符合B:D:5.保护层厚度mm重要A最小值:B最小值:C最小值:D最小值:符合/不符合S点6.基础浇筑关键砼配合比检测:配合比:符合/不符合现场称量记录:砂:单筐重量公斤,石:单筐重量公斤;单盘用:砂筐,石筐。符合/不符合塌落度检测:进行次,记录分别为:符合/不符合混凝土搅拌:机械/人工符合/不符合混凝土试块制作:有/没有,取自腿(底板/立柱)符合/不符合发现问题及其处理监理(签字)填写说明:1.第1、2、5、6项填写具体检查数据,埋深以坑最低点为准。2.第3项填写立柱主筋规格、数量。3.第4项检查每腿模板断面,支撑情况填写“支撑符合要求”。4.砼配合比埴写13砼的水泥、砂、石用量。25.不同的施工日期,监理人员应分别填写日期。混凝土杆基础施工(H点)监理工作记录表编号:工程名称底盘设计规格数量拉盘设计规格数量施工杆号项目性质检查结果与设计/规范比较监理(签字)/日期1.预制件规格关键底盘A盘:符合/不符合B盘:C盘:拉线盘:拉棒:拉环:规格/数量:导线拉盘:拉棒:拉环:符合/不符合地线拉盘:拉棒:拉环:横梁拉盘:拉棒:拉环:分角拉盘:拉棒:拉环:2.主坑开挖尺寸/埋深关键A坑底板尺寸:实际埋深:符合/不符合B坑底板尺寸:实际埋深:C坑底盘尺寸:实际埋深:3.拉线坑开挖尺寸/埋深关键导线拉坑底板尺寸:实际埋深:符合/不符合地线拉坑底板尺寸:实际埋深:横梁拉坑底板尺寸:实际埋深:分角拉坑底板尺寸:实际埋深:4.底盘高差关键符合/不符合遇到问题及其处理填写说明:1.检查结果填写具体检查数据,埋深以坑最低点为准。2.不同的施工日期,监理人员应分别填写日期。3.对三联水泥杆底盘增加填写(C盘)。3导、地线压接(S点)监理工作记录表编号:工程名称旁站位置项目检查结果与设计/规范比较监理(签字)/日期1.导/地线规格导线:地线:符合/不符合2.导/地线外观符合/不符合3.压接人员钢印代号钢印代号:有/没有将钢印打在压接管上符合/不符合4.压接管型号导线铝管:地线铝管:符合/不符合钢管:钢管:5.导地线切割符合/不符合6.清洗符合/不符合7.压接管外径mm导线铝管:地线铝管:符合/不符合钢管:钢管:8.压接后质量检查:(mm)压接管位置相别线别铝管钢管外观检查与设计/规范比较监理(签字)/日期对边距压接长度对边距压接长度最大最小最大最小符合/不符合符合/不符合符合/不符合符合/不符合符合/不符合符合/不符合符合/不符合符合/不符合符合/不符合符合/不符合符合/不符合符合/不符合9.压后推荐值:导线钢管:mm地线铝管:mm导线铝管:mm地线钢管:mm遇到问题及其处理填写说明:1.旁站位置:张力放线填写张力场位置,其它填写杆号(或区间)。2.第1、3、4、7、9填写具体检查数据。3.第8项中,压接管位置:直线管填写所在的杆号区间,耐张管填写所在杆号的大号或小号侧。4.第2项检查是否有受损、腐蚀等。第5、6项检查是否按规范实施。5.不同的施工日期,监理人员应分别填写日期。46.压后推荐值:S=0.866×0.993D+0.2(mm)(D为管外径)材料验证(W点)记录表编号:工程名称施工单位地点型式日期项目检查内容检查结果参加单位人员(签字)备注:填写说明:1.检查内容栏填写所检查的内容,包括:基础工程:砂、石、水泥、接地圆钢;杆塔工程:砼杆、底拉盘、铁附件、塔材、螺栓、脚钉;架线工程:导地线、金具、瓷瓶等。2...

1、当您付费下载文档后,您只拥有了使用权限,并不意味着购买了版权,文档只能用于自身使用,不得用于其他商业用途(如 [转卖]进行直接盈利或[编辑后售卖]进行间接盈利)。
2、本站所有内容均由合作方或网友上传,本站不对文档的完整性、权威性及其观点立场正确性做任何保证或承诺!文档内容仅供研究参考,付费前请自行鉴别。
3、如文档内容存在违规,或者侵犯商业秘密、侵犯著作权等,请点击“违规举报”。

碎片内容

送电线路工程监理专用表式

中小学教育精品资料+ 关注
实名认证
内容提供者

中小学教育资料,优质文档创作者

确认删除?
VIP
微信客服
  • 扫码咨询
会员Q群
  • 会员专属群点击这里加入QQ群
客服邮箱
回到顶部