电脑桌面
添加小米粒文库到电脑桌面
安装后可以在桌面快捷访问

辽宁电力控制技术有限公司VIP免费

辽宁电力控制技术有限公司_第1页
1/4
辽宁电力控制技术有限公司_第2页
2/4
辽宁电力控制技术有限公司_第3页
3/4
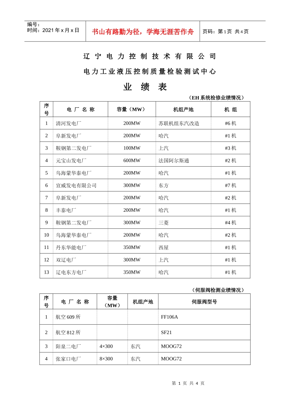
第1页共4页编号:时间:2021年x月x日书山有路勤为径,学海无涯苦作舟页码:第1页共4页辽宁电力控制技术有限公司电力工业液压控制质量检验测试中心业绩表(EH系统检修业绩情况)序号电厂名称容量(MW)机组产地机组1清河发电厂200MW苏联机组东汽改造#6机2阜新发电厂200MW哈汽#1机3鞍钢第二发电厂100MW上汽#3机4元宝山发电厂600MW法国阿尔斯通#2机5乌海蒙华泰电厂200MW哈汽#1机6宣威发电有限公司300MW东方#7机7阜新发电厂200MW哈汽#2机8丰泰电厂200MW哈汽#1机9鞍钢第二发电厂300MW三菱#4机10乌海蒙华泰电厂200MW哈汽#2机11丹东华能电厂350MW西屋#1机12双辽电厂300MW上汽#1机13辽电东方电厂350MW哈汽#1机(伺服阀检测业绩情况)序号电厂名称容量(MW)机组产地伺服阀型号1航空609所FF106A2航空812所SF213阳泉二电厂4×300东汽MOOG724张家口电厂8×300东汽MOOG72第2页共4页第1页共4页编号:时间:2021年x月x日书山有路勤为径,学海无涯苦作舟页码:第2页共4页序号电厂名称容量(MW)机组产地伺服阀型号5九江电厂2×300东汽MOOG72、PARKER4156华能上安电厂2×350+2×300美国通用、东汽ABEX425、MOOG72、MOOG7437湘潭电厂2×300东汽MOOG728华能上安电厂2×350+2×300美国通用、东汽ABEX425、MOOG72、MOOG7439首阳山电厂2×300+2×200日立、东汽VICKERS、PARKER415、ABEX415、YFW0610鞍钢第二发电厂3×110捷克、上汽MOOG76111大坝电厂4×300上汽SF21、SF21A12大港发电厂4×328安莎尔多ABEX42513大庆乙烯电厂4×200哈汽MOOG76114鄂州电厂2×300日立ABEX41515抚顺发电厂2×200哈汽MOOG76116阜新电厂2×200哈汽MOOGJ760、MOOGJ76117哈三发电厂2×600+2×200哈汽MOOG72、MOOG760、SF2118鹤岗电厂2×300哈汽MOOG760A185A、SF2119华能大连电厂4×350三菱、美国西屋MOOG760、215A-40420华能丹东电厂2×350美国西屋MOOG760、215A-40421华能南通电厂4×350美国GEABEX425、MOOG74322浑江电厂2×200哈汽MOOG761、MOOG76023谏壁电厂4×300上汽MOOG760.YFW0624江西丰城电厂4×300上汽MOOG760、ABEX42525军粮城电厂4×200北重MOOGJ761、MOOG76026利港电厂4×350西屋、安莎尔多MOOG、ABEX27妈湾发电厂6×300上汽MOOG760、MOOGD661第3页共4页第2页共4页编号:时间:2021年x月x日书山有路勤为径,学海无涯苦作舟页码:第3页共4页序号电厂名称容量(MW)机组产地伺服阀型号28秦皇岛电厂2×300+2×200上汽、哈汽MOOGJ761、YFW0629青山热电厂300+3×100哈汽MOOG760.SF2130双辽电厂4×300哈汽MOOG761、SF2131新乡豫新发电有限责任公司1×300东汽SF21A、MOOG072-559A、MOOGJ761-00332双鸭山电厂4×200哈汽MOOGJ76133铁岭电厂4×300哈汽MOOG760、SF2134威海电厂2×300上汽SF2135吴泾二厂2×600上汽MOOG7236吴泾热电厂4×200上汽MOG76037厦门嵩屿电厂2×300上汽MOOG760、SF21、215A-40438新海发电厂2×200上汽MOOG761、VICKERS39扬州二电厂2×600美国西屋MOOG72、MOOG760、MOOG76140杨柳青电厂2×300上汽MOOG760、YFW0641禹州电厂2×350美国西屋MOOG76042元宝山电厂2×600阿尔斯通、哈汽MOOG72、MOOG78、MOOG760、SF2143云南曲靖发电厂4×300上汽MOOG760A185A、YFW06、VICKERSSM4-2044吉林热电厂3×125+2×200哈汽、苏联MOOGJ76145二道江电厂2×200哈汽MOOGJ76146大唐托克托发电有限责任公司8×600东汽MOOG072-559A47阜阳华润电力有限公司2×600东汽MOOG072-559A48广东电力发展公司沙角A电厂4×200上汽MOOG760A185A49内蒙古丰泰发电有限公司2×200哈汽MOOGJ761-003第4页共4页第3页共4页编号:时间:2021年x月x日书山有路勤为径,学海无涯苦作舟页码:第4页共4页序号电厂名称容量(MW)机组产地伺服阀型号50阜阳华润电力有限公司2×600东方MOOG072-559A51龙潭热电厂MOOGJ76152包钢公司德国REXROTH、MOOG79153辽宁南票劣质煤热电有限公司MOOGJ761-00154渤海铝业有限公司MOOG76055鞍山海裕液压公司MOOG7256辽阳铜业集团EMG、SV、YFW57本溪钢厂MOOGG76158姚孟电厂4×300上汽MOOGF078-140A、YFW18、MOOGJ761-003、SF2159洛阳热电厂2×300哈汽MOOG072-559A、MOOGJ761-00360郑州热电厂3×200东汽MOOGJ76161宁夏马莲台发电厂MOOGJ761-00162大庆石化公司热电厂MOOGJ761-001/00263阜阳华润电力有限公司MOOG072-559A64南京化学工业园热电有限公司MOOGJ761-00165内蒙古大唐托克托发电有限公司MOOG072-559A66丰泰电厂MOOGJ761-003

1、当您付费下载文档后,您只拥有了使用权限,并不意味着购买了版权,文档只能用于自身使用,不得用于其他商业用途(如 [转卖]进行直接盈利或[编辑后售卖]进行间接盈利)。
2、本站所有内容均由合作方或网友上传,本站不对文档的完整性、权威性及其观点立场正确性做任何保证或承诺!文档内容仅供研究参考,付费前请自行鉴别。
3、如文档内容存在违规,或者侵犯商业秘密、侵犯著作权等,请点击“违规举报”。

碎片内容

辽宁电力控制技术有限公司

您可能关注的文档

中小学教育精品资料+ 关注
实名认证
内容提供者

中小学教育资料,优质文档创作者

确认删除?
VIP
微信客服
  • 扫码咨询
会员Q群
  • 会员专属群点击这里加入QQ群
客服邮箱
回到顶部