电脑桌面
添加小米粒文库到电脑桌面
安装后可以在桌面快捷访问

电气试验 交接试验小结VIP免费

电气试验 交接试验小结_第1页
1/13
电气试验 交接试验小结_第2页
2/13
电气试验 交接试验小结_第3页
3/13
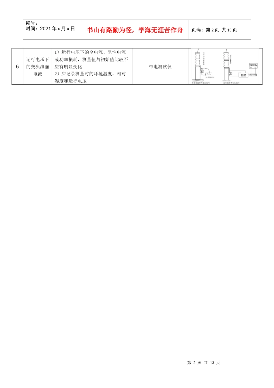
第1页共13页编号:时间:2021年x月x日书山有路勤为径,学海无涯苦作舟页码:第1页共13页避雷器一、金属氧化物避雷器(MOA)交接试验序号项目要求试验仪器试验接线1绝缘电阻1)35kV以上电压,不小于2500MΩ;2)35kV及以下电压,不小于1000MΩ;3)低压(1kV以下),不小于2MΩ。1)5000V兆欧表;2)2500V兆欧表;3)500V兆欧表(万用表)“L”端接高压端;“E”端接低压端。2基座绝缘电阻不低于5MΩ2500V及以上兆欧表“L”端接低压端;“E”端接地。31)直流1mA电压U1mA2)0.75U1mA下的泄漏电流1)要记录环境温度和相对湿度,测量电流的导线应使用屏蔽线;2)初始值是指交接试验或投产试验时的测量值;3)避雷器怀疑有缺陷时应同时进行交流试验;4)实测值与制造厂规定值比较,变化不应大于±5%;5)0.75U1mA下泄漏电流不应大于50uA直流高压发生器:1)开电源→高压通→升压至1000uA时读取电压→切换读取0.75U1mA泄漏电流值;2)将电压降为0→高压断→断电源仪器接地端可靠接地;升压器与底座,验电器与底座接触良好4检查放电计数器动作情况测试3~5次,均应正常动作。放电计数器5工频放电电压试验放电后应快速切除电源,切断电源时间不大于0.5s,过流保护动作电流控制在0.2~07A.调压操作箱第2页共13页第1页共13页编号:时间:2021年x月x日书山有路勤为径,学海无涯苦作舟页码:第2页共13页6运行电压下的交流泄漏电流1)运行电压下的全电流、阻性电流或功率损耗,测量值与初始值比较不应有明显变化;2)应记录测量时的环境温度、相对湿度和运行电压带电测试仪第3页共13页第2页共13页编号:时间:2021年x月x日书山有路勤为径,学海无涯苦作舟页码:第3页共13页电流互感器(油浸式CT)序号项目要求试验仪器试验接线1绕组绝缘电阻1)测量一次绕组对二次绕组及外壳、各二次绕组间及对外壳的绝缘电阻2)不宜低于1000MΩ2500V兆欧表;2绕组直流电阻1)三相绕组间的差别不应大于三相平均值的4%;2)与上次测量值相差不大于2%。直流电阻测试仪电桥法:电流在前,电压在后若线不够,可采取交叉测量3末屏绝缘电阻1)电容式CT的末屏2)不宜低于1000MΩ2500V兆欧表;4tanδ及电容量1)绕组测量电压为10kV;2)末屏测量电压为2KV。介质损耗因素测试仪5极性检查放电后应快速切除电源,切断电源时间不大于0.5s,过流保护动作电流控制在0.2~07A.指针表1)反复开断的直流电流从L1置L22)直流毫安表K1流向K2正向偏转。6励磁特性曲线测量亦伏安特性,随便变比的改变,选择合适电压值大小。全自动变比测试仪1)二次端子上要对准,容易错位2)一次电流L为流出,H为流入。7CT变比1)通过装置给CT一次电流(应将导线与H、L良好接触)2)对应接好端子二次接点防止开路全自动变比测试仪第4页共13页第3页共13页编号:时间:2021年x月x日书山有路勤为径,学海无涯苦作舟页码:第4页共13页电压互感器(PT)序号项目要求试验仪器试验接线1绝缘电阻1)极间绝缘电阻;一般不低于5000MΩ2)低压端对地绝缘电阻;一般不低于100MΩ3)测量结束后,应将试品短路放电并接地。1)2500V兆欧表;2)1000V兆欧表;2tanδ及电容值1)每节电容值偏差不超出额定值的-5%~+10%范围2)电容量与出厂值相比,增加量超过+2%时,应缩短试验周期3)由多节电容器组成的同一相,任何两节电容器的实测电容值相差不超过5%介质损耗因素测试仪3励磁特性曲线测量亦空载试验,防止PT短路全自动变比测试仪4其他上同CT第5页共13页第4页共13页编号:时间:2021年x月x日书山有路勤为径,学海无涯苦作舟页码:第5页共13页电力电缆线路序号项目要求试验仪器试验接线1绝缘电阻1)额定电压0.6/1kV电缆2)额定电压0.6/1kV以上电缆3)额定电压6/6kV及以上电缆。1)1000V兆欧表;2)2500V兆欧表;3)5000V兆欧表。1)对一相进行试验或测量时,其他两相导体、金属屏蔽或金属套和铠装层一起接地。2)对金属屏蔽或金属套一端接地,另一端装有护层过电压保护器的单芯电缆主绝缘做耐压试验时,必须将护层过电压保护器短接,使这一端的电缆金属屏蔽或金属套临时接地。2直流耐压试验及泄漏电流测量1)6/6kV及以下电缆的泄漏电流小于10uA2)8.7/10kV电缆的泄漏电...

1、当您付费下载文档后,您只拥有了使用权限,并不意味着购买了版权,文档只能用于自身使用,不得用于其他商业用途(如 [转卖]进行直接盈利或[编辑后售卖]进行间接盈利)。
2、本站所有内容均由合作方或网友上传,本站不对文档的完整性、权威性及其观点立场正确性做任何保证或承诺!文档内容仅供研究参考,付费前请自行鉴别。
3、如文档内容存在违规,或者侵犯商业秘密、侵犯著作权等,请点击“违规举报”。

碎片内容

电气试验 交接试验小结

中小学教育精品资料+ 关注
实名认证
内容提供者

中小学教育资料,优质文档创作者

确认删除?
VIP
微信客服
  • 扫码咨询
会员Q群
  • 会员专属群点击这里加入QQ群
客服邮箱
回到顶部