电脑桌面
添加小米粒文库到电脑桌面
安装后可以在桌面快捷访问

电力系统线路保护基础知识讲座VIP免费

电力系统线路保护基础知识讲座_第1页
1/68
电力系统线路保护基础知识讲座_第2页
2/68
电力系统线路保护基础知识讲座_第3页
3/68
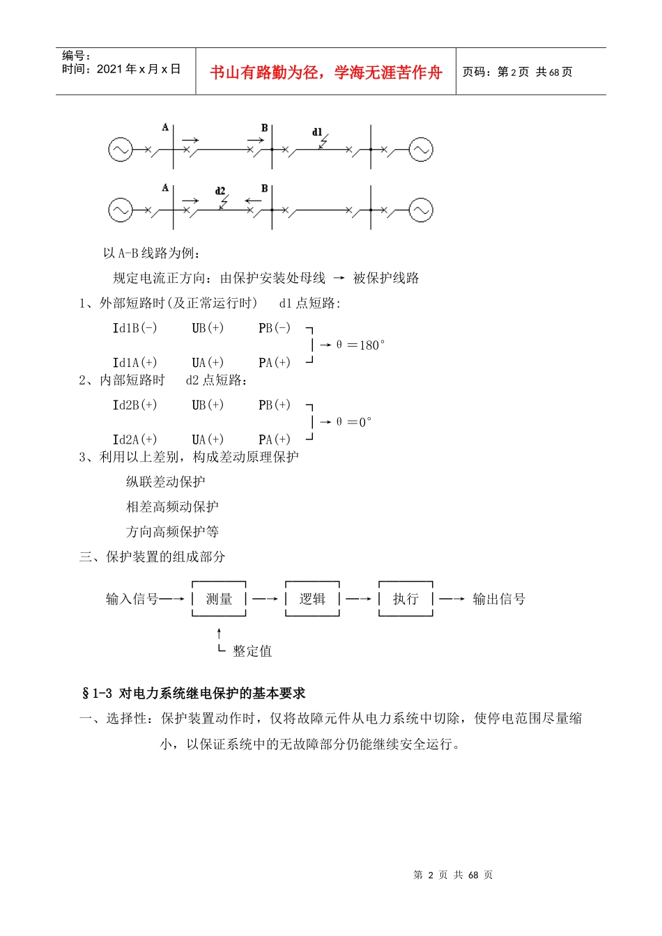
第1页共68页编号:时间:2021年x月x日书山有路勤为径,学海无涯苦作舟页码:第1页共68页电力系统线路保护基础知识讲座§1绪论§1-1继电保护的作用一、故障及不正常运行状态┌Id↑危害┌故障元件故障│U↓——→│非故障元件(各种短路)└f│用户└电力系统┌过负荷│过电压危害┌元件不能正常工作不正常运行状态│f↓—→│长时间将损坏设备└系统振荡└发展成故障二、继电保护的任务┌故障时:自动、快速、有选择性地切除故障元件系统事故│保证非故障部分恢复正常运行└不正常运行时:自动、及时、有选择地动作于信号、减负荷或跳闸§1-2继保的基本原理和保护装置的组成一、反应系统正常运行与故障时基本参数的区别而构成的原理(单端测量)运行参数:I、U、Z∠φ反应I↑→过电流保护反应U↓→低电压保护反应Z↓→低阻抗保护(距离保护)二、反应电气元件内部故障与外部故障及正常运行时两端电流相位和功率方向的差别而构成的原理(双端测量)第2页共68页第1页共68页编号:时间:2021年x月x日书山有路勤为径,学海无涯苦作舟页码:第2页共68页以A-B线路为例:规定电流正方向:由保护安装处母线→被保护线路1、外部短路时(及正常运行时)d1点短路:Id1B(-)UB(+)PB(-)┐│→θ=180°Id1A(+)UA(+)PA(+)┘2、内部短路时d2点短路:Id2B(+)UB(+)PB(+)┐│→θ=0°Id2A(+)UA(+)PA(+)┘3、利用以上差别,构成差动原理保护纵联差动保护相差高频动保护方向高频保护等三、保护装置的组成部分┌───┐┌───┐┌───┐输入信号─→│测量│─→│逻辑│─→│执行│─→输出信号└───┘└───┘└───┘↑└整定值§1-3对电力系统继电保护的基本要求一、选择性:保护装置动作时,仅将故障元件从电力系统中切除,使停电范围尽量缩小,以保证系统中的无故障部分仍能继续安全运行。第3页共68页第2页共68页编号:时间:2021年x月x日书山有路勤为径,学海无涯苦作舟页码:第3页共68页d3点短路:6动作:有选择性5再动作:无选择性如果6拒动,5再动作:有选择性(5作为6的远后备保护)d1点短路:1、2动作:有选择性3、4动作:无选择性┌本元件主保护拒动时,由前一级保护作为后备叫远后备.后备保护│└本元件主保护拒动时,由本元件的另一套保护作为后备叫近后备.二、速动性:故障后,为防止并列运行的系统失步,减少用户在电压降低的情况下工作的时间及故障元件损坏程度,应尽量地快速切除故障。(快速保护:几个工频周期,微机保护:30ms以下)三、灵敏性:保护装置对于其保护范围内发生故障或不正常运行状态的反应能力。灵敏系数Km用以反应灵敏度四、可靠性:不拒动、不误动。§1-4继电保护工作特点及其发展史(略)第4页共68页第3页共68页编号:时间:2021年x月x日书山有路勤为径,学海无涯苦作舟页码:第4页共68页§2电网的电流保护和方向性电流保护(主要用于35KV及以下线路)§2-1单侧电源网络相间短路的电流保护一、继电器介绍1、继电器基本概念继电器表示符号:(以过电流继电器为例)继电器的返回系数:Kh==动作量:使继电器刚好动作的电气量的值返回量:使继电器刚好返回的电气量的值继电特性:无论起动或返回,继电器的动作都是明确干脆的,不会停留在某个中间位置,这种特性称为“继电特性”过量继电器:反映电气量上升而动作的继电器(例如过电流继电器),其Kh<1低量继电器:反映电气量下降而动作的继电器(例如低电压继电器),其kh>12、集成电路型过电流继电器(晶体管型:略)3ms延时:防止干扰信号引起的误动(保证3ms的稳定持续时间)12ms展宽:使输出动作信号展成连续高电平。第5页共68页第4页共68页编号:时间:2021年x月x日书山有路勤为径,学海无涯苦作舟页码:第5页共68页3、软继电器在微机保护中已不存在物理继电器的概念,完全是由软件(算法)构成的逻辑继电器。二、电流速断保护(电流I段)电流速断保护:瞬时动作的电流保护1、整定计算原则(1)、短路特性分析:三相短路时d(3),流过保护安装处的短路电流:第6页共68页第5页共68页编号:时间:2021年x月x日书山有路勤为径,学海无涯苦作舟页码:第6页共68页Id==Zd()↑→Id↓曲线max:系统最大运行方式下发生三相短...

1、当您付费下载文档后,您只拥有了使用权限,并不意味着购买了版权,文档只能用于自身使用,不得用于其他商业用途(如 [转卖]进行直接盈利或[编辑后售卖]进行间接盈利)。
2、本站所有内容均由合作方或网友上传,本站不对文档的完整性、权威性及其观点立场正确性做任何保证或承诺!文档内容仅供研究参考,付费前请自行鉴别。
3、如文档内容存在违规,或者侵犯商业秘密、侵犯著作权等,请点击“违规举报”。

碎片内容

电力系统线路保护基础知识讲座

中小学教育精品资料+ 关注
实名认证
内容提供者

中小学教育资料,优质文档创作者

确认删除?
VIP
微信客服
  • 扫码咨询
会员Q群
  • 会员专属群点击这里加入QQ群
客服邮箱
回到顶部