电脑桌面
添加小米粒文库到电脑桌面
安装后可以在桌面快捷访问

煤矿井巷工程质量验评表(监理用)VIP免费

煤矿井巷工程质量验评表(监理用)_第1页
1/81
煤矿井巷工程质量验评表(监理用)_第2页
2/81
煤矿井巷工程质量验评表(监理用)_第3页
3/81
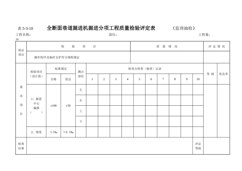
表5-3-9巷道软岩(含破碎带)掘进分项工程质量检验评定表(监理抽检)表5-3-10全断面巷道掘进机掘进分项工程质量检验评定表(监理抽检)工程名称:部位:工程量:m保证项目检验项目质量情况评定情况操作程序及临时支护符合规程规定基本项目检验项目(设计值)标准规定测点部位检查点检查(抽查)记录等级优良率合格优良123456789101、掘进中心偏移()±100±50左右上下2、坡度≤1‰≤0.5‰检查结果评定等级检查人:监理工程师:检验日期:年月日表5-3-12设备基础掘进分项工程质量检验评定表(监理抽检)工程名称:部位:保证项目检验项目质量情况评定情况1、光爆图表齐全,参数选择合理2、临时支护必须符合规程规定允许偏差项目检验项目(设计值)允许偏差测点部位检查点检查(抽查)记录合格率等级123456789101、长度()-25~+150左中右2、宽度()-25~+150左前中后右前中后3、深度()0~+150左前后右前后检查结果评定等级检查人:监理工程师:检验日期:年月日表5-3-13水沟(沟槽)掘进分项工程质量检验评定表(监理抽检)工程名称:部位:工程量:m保证项目检验项目质量情况评定情况1、光爆图表齐全,参数选择合理2、临时支护必须符合规程规定允许偏差项目检验项目(设计值)允许偏差测点部位检查点检查(抽查)记录等级优良率123456789101、中心位置()-50~+1002、宽度()-30~+1503、深度()-30~+150检查结果评定等级检查人:监理工程师:检验日期:年月日表5-4-15裸体巷道掘进分项工程(监理抽检)质量检验评定表工程名称:部位:工程量:m保证项目检验项目质量情况评定情况光爆图表齐全,参数选择合理基本项目检验项目(设计值)标准规定测点部位检查点检查(抽查)记录等级优良率合格优良123456789101、宽度有中线()无中线测全宽()主要巷道左上0~+1500~+100中一般巷道-50~+1500~+150下-50~+2000~+200右上中下2、高度有腰线()无腰线测全高()主要巷道顶左0~+1500~+100中一般巷道-30~+1500~+150右-30~+2000~+250底左中右3、坡度()±1‰±5‰允许偏差项目检验项目允许偏差测点部位检查点检查(抽查)记录合格率等级12345678910周边眼眼痕率≥60%检查结果评定等级检查人:监理工程师:检验日期:年月日表5-4-16裸体硐室掘进分项工程(监理抽检)质量检验评定表工程名称:部位:工程量:m保证项目检验项目质量情况评定情况光爆图表齐全,参数选择合理基本项目检验项目(设计值)标准规定测点部位检查点检查(抽查)记录等级优良率合格优良123456789101、宽度()机电硐室左上0~+1500~+100中下非机电硐室右上-20~+1500~+150中下2、高度()机电硐室顶左-30~+1000~+100中右非机电硐室底左-30~+1500~+150中右允许偏差项目检验项目允许偏差测点部位检查点检查(抽查)记录合格率等级12345678910周边眼眼痕率≥60%检查结果评定等级检查人:监理工程师:检验日期:年月日表6-2-3有中、腰线巷道模板分项工程(监理抽检)质量检验评定表工程名称:部位:工程量:m保证项目检验项目质量情况评定情况1、模板、碹胎的材质、结构、规格、强度必须符合设计、规程规定2、模板组装、碹胎架设必须牢固可靠,其支柱设在硬底上或垫板上基本项目检验项目(设计值)质量标准测点部位检查点检查(抽查)记录等级优良率合格优良123456789101、宽度()主要巷道左上+10~+40+10~+30中下一般巷道右上-20~+500~+30中下2、高度()主要巷道顶左+10~+40+10~+30中一般巷道右-20~+500~+30底左右3、模板到岩面距离()≥-30≥-15最小值允许偏差项目检验项目(设计值)允许偏差测点部位检查点检查(抽查)记录合格率等级123456789101、模板接缝宽度现浇≤3砌块≤6最大值2、基础深度()-30~+100左右3、轴线偏移≤5前后4、两模间高低差≤5最大值5、接茬≤15最大平整度值检查结果评定等级检查人:监理工程师:检验日期:年月日表6-2-5水沟(沟槽)模板分项工程质量检验评定表(监理抽检)工程名称:部位:工程量:m保证项目检验项目质量情况评定情况1、模板的材质、结构、规格、强度必须符合设计、作业规程规定2、模板组装架设必须牢固可靠允许偏差项目检验项目()允许偏差测点部位检查点检查(...

1、当您付费下载文档后,您只拥有了使用权限,并不意味着购买了版权,文档只能用于自身使用,不得用于其他商业用途(如 [转卖]进行直接盈利或[编辑后售卖]进行间接盈利)。
2、本站所有内容均由合作方或网友上传,本站不对文档的完整性、权威性及其观点立场正确性做任何保证或承诺!文档内容仅供研究参考,付费前请自行鉴别。
3、如文档内容存在违规,或者侵犯商业秘密、侵犯著作权等,请点击“违规举报”。

碎片内容

煤矿井巷工程质量验评表(监理用)

确认删除?
VIP
微信客服
  • 扫码咨询
会员Q群
  • 会员专属群点击这里加入QQ群
客服邮箱
回到顶部