电脑桌面
添加小米粒文库到电脑桌面
安装后可以在桌面快捷访问

用能单位能源计量器具配备与管理通则VIP专享VIP免费

用能单位能源计量器具配备与管理通则_第1页
1/6
用能单位能源计量器具配备与管理通则_第2页
2/6
用能单位能源计量器具配备与管理通则_第3页
3/6
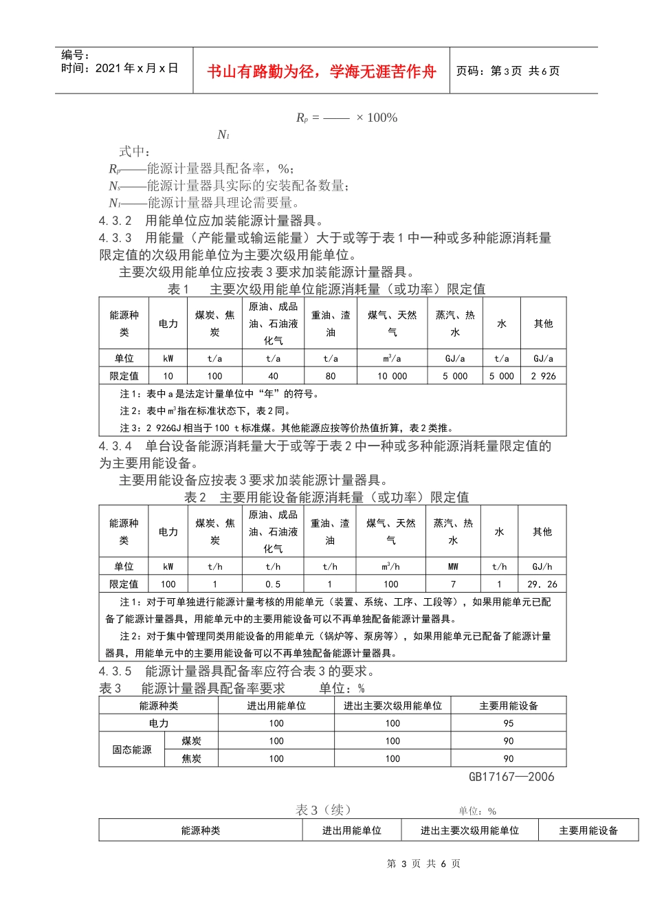
第1页共6页编号:时间:2021年x月x日书山有路勤为径,学海无涯苦作舟页码:第1页共6页更多资料请访问.(.....)更多企业学院:...../Shop/《中小企业管理全能版》183套讲座+89700份资料...../Shop/40.shtml《总经理、高层管理》49套讲座+16388份资料...../Shop/38.shtml《中层管理学院》46套讲座+6020份资料...../Shop/39.shtml《国学智慧、易经》46套讲座...../Shop/41.shtml《人力资源学院》56套讲座+27123份资料...../Shop/44.shtml《各阶段员工培训学院》77套讲座+324份资料...../Shop/49.shtml《员工管理企业学院》67套讲座+8720份资料...../Shop/42.shtml《工厂生产管理学院》52套讲座+13920份资料...../Shop/43.shtml《财务管理学院》53套讲座+17945份资料...../Shop/45.shtml《销售经理学院》56套讲座+14350份资料...../Shop/46.shtml《销售人员培训学院》72套讲座+4879份资料...../Shop/47.shtmlGB/17167—2006用能单位能源计量器具配备和管理通则1范围本标准规定了用能单位能源计量器具配备和管理的基本要求。本标准适用于企业、事业单位、行政机关、社会团体等独立核算的用能单位。2规范性引用文件第2页共6页第1页共6页编号:时间:2021年x月x日书山有路勤为径,学海无涯苦作舟页码:第2页共6页下列文件中的条款通过本标准的引用而成为本标准的条款。凡是注日期的引用文件,其随后所有的修改单(不包括勘误的内容)或修订版均不适用于本标准,然而,鼓励根据本标准达成协议的各方研究是否可使用这些文件的最新版本,凡是不注日期的引用文件,其最新版本适用于标准。GB/T6422企业能耗计量与测试导则GB/15316节能监测技术通则GB/18603—2001天然气计量系统技术要求。3术语和定义本标准采用下列术语和定义。3.1能源计量器具measuringinstrumentofenergy测量对象为一次能源、二次能源和载能工质的计量器具。3.2能源计量器具配备率equippingrateofenergymeasuringinstrument能源计量器具实际的安装配备数量占理论需要量的百分数注:能源计量器具理论需要量是指为测量全部能源量值所需配备的计量器具数量。3.3次级用能单位sub-organizationofenergyusing用能单位下属的能源核算单位。4能源计量器具配备4.1能源计量的种类及范围本标准所称能源,指煤炭、原油、天然气、焦炭、煤气、热力、成品油、液化石油气、生物质能和其他直接或者通过加工、转换而取得有用能的各种资源。能源计量范围:a)输入用能单位、次级用能单位和用能设备的能源及载能工质;b)输出用能单位、次及用能单位和用能设备的能源及载能工质;c)用能单位、次级用能单位和用能设备使用(消耗)的能源及载能工质;d)用能单位、次级用能单位和用能设备自产的能源及载能工质;e)用能单位、次级用能单位和用能设备可回收利用的余能资源。4.2能源计量器具的配备原则4.2.1应满足能源分类计量的要求。4.2.2应满足用能单位实现能源分项考核的要求。GB17167—20064.2.3重点用能单位应配备必要的便携式能源检测仪表,以满足自检自查的要求。4.3能源计量器具的配备要求4.3.1能源计量器具配备率按下式计算:Ns第3页共6页第2页共6页编号:时间:2021年x月x日书山有路勤为径,学海无涯苦作舟页码:第3页共6页Rp=——×100%N1式中:Rp——能源计量器具配备率,%;Ns——能源计量器具实际的安装配备数量;N1——能源计量器具理论需要量。4.3.2用能单位应加装能源计量器具。4.3.3用能量(产能量或输运能量)大于或等于表1中一种或多种能源消耗量限定值的次级用能单位为主要次级用能单位。主要次级用能单位应按表3要求加装能源计量器具。表1主要次级用能单位能源消耗量(或功率)限定值能源种类电力煤炭、焦炭原油、成品油、石油液化气重油、渣油煤气、天然气蒸汽、热水水其他单位kWt/at/at/am3/aGJ/at/aGJ/a限定值10100408010000500050002926注1:表中a是法定计量单位中“年”的符号。注2:表中m3指在标准状态下,表2同。注3:2926GJ相当于100t标准煤。其他能源应按等价热值折算,表2类推。4.3.4单台设备能源消耗量大于或等于表2中一种或多种能源消耗量限定值的为主要用能设备。主要用能设备应按表3要求加装能源计量器具。表2主要...

1、当您付费下载文档后,您只拥有了使用权限,并不意味着购买了版权,文档只能用于自身使用,不得用于其他商业用途(如 [转卖]进行直接盈利或[编辑后售卖]进行间接盈利)。
2、本站所有内容均由合作方或网友上传,本站不对文档的完整性、权威性及其观点立场正确性做任何保证或承诺!文档内容仅供研究参考,付费前请自行鉴别。
3、如文档内容存在违规,或者侵犯商业秘密、侵犯著作权等,请点击“违规举报”。

碎片内容

用能单位能源计量器具配备与管理通则

确认删除?
VIP
微信客服
  • 扫码咨询
会员Q群
  • 会员专属群点击这里加入QQ群
客服邮箱
回到顶部