电脑桌面
添加小米粒文库到电脑桌面
安装后可以在桌面快捷访问

电子元件基础VIP免费

电子元件基础_第1页
1/28
电子元件基础_第2页
2/28
电子元件基础_第3页
3/28
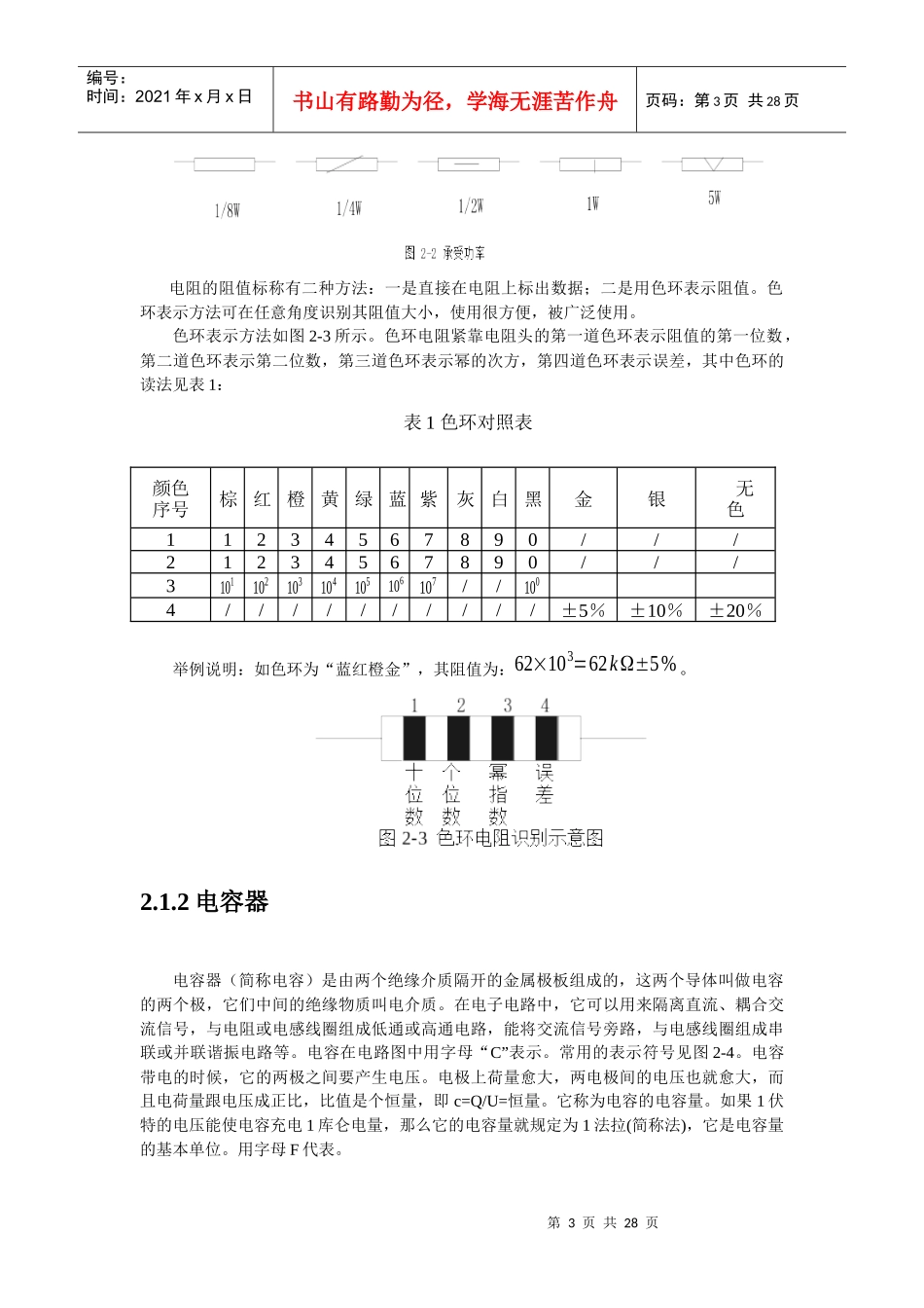
第1页共28页编号:时间:2021年x月x日书山有路勤为径,学海无涯苦作舟页码:第1页共28页第一章实验目的、任务、要求§1.1目的《电子信息工程综合实验》通过典型的对讲机原理学习、电路计算和安装调试,使同学们对无线电通讯整机有全面的了解,对高频电子线路所学知识有深入的感性认识。同时培养了学生理论联系实际,学以致用的好学风。在实验中,学生要学习无线电元器件的认识鉴定,了解电子产品的生产工艺过程,掌握装配、焊接技术,熟悉测试仪器如示波器、晶体管特性图示仪,频率计、功率计的原理和使用方法,培养了学生在实际工作中的基本技能。整机实验更能培养学生分析问题,解决问题的能力,从而提高学生综合素质,使学生毕业后能尽快适应工作岗位、独当一面。§1.2任务通过本课程的学习,学生必须完成以下课程任务:1.学会无线电元器件的基本识别方法。2.学会看懂电子产品的电原理图,印刷电路图,装配图和整机组装图。3.熟悉了解电子产品的工作原理。4.学会掌握正规化的装配技术和焊接技术。5.学会掌握电子产品规范化的调试方法和步骤。6.学习电子产品的故障诊断和排除方法7.完成装配和调试—个合格的电子产品。学会科研生产工作的总结方法,完成实践报告,报告内容分为以下三部分:(1)电子产品的基本工作原理;(2)电子产品的调试方法和步骤;(3)在装配和调试两个环节的认识和体会。报告内容要求认真总结,配合图表进行必要说明,字迹端正、卷面整洁清晰。报告质量作为该课程成绩的重要部分。§1.3实践电子产品为了让学生们将相关的理论知识与实践结合得更紧密,并更好地培养分析电路的能力,我们专门订购了由分立元件构成的对讲机,其型号为FB-30A型27MHz业余频段同频单工调频无线对讲机。第2页共28页第1页共28页编号:时间:2021年x月x日书山有路勤为径,学海无涯苦作舟页码:第2页共28页第二章正规化装配和焊接§2.1元器件识别装配前识别先器件的好坏和准确数据,是保证装配电子产品质量的重要步骤之一。2.1.1电阻器在电学中我们把导体对电流的阻力称为电阻,不同材料的导体,以及导体截面积或长度不同,导体的电阻也不同。电阻器是一种专门为电路提供电阻的元器件,简称电阻,电阻在电路中用来限制电流、降低电压、分配电流、分配电压,可与电容组成电源退耦电路、低通电路、高通电路等,还可给晶体管等元件提供必要的工作条件(提供电压或电流)。电阻器在书写时用字母“R”表示。在电路图中电阻器的符号见图2-1电阻器的电阻基本单位规定为欧姆,简称欧,用字母Ω表示。电阻按材料分为碳膜电阻、金属膜电阻、片状电阻、碳质电阻、线绕电阻。按功能可分为固定、可变、微调、精密电阻。对于电阻来说,它的主要参数有:标称阻值和它的允许偏差、额定功率、最大工作电压和最大工作电流、温度系数、老化系数、非线性以及机械特性和高频特性等。我们此处主要关心阻值和额定功率。电阻器生产工厂为了满足用户的不同需要,生产出不同阻值的电阻器。国家主管部门规定出一系列的阻值作为电阻器的标准阻值。一个电阻器标志出的“名义”阻值,叫这个电阻器的标称阻值,实际阻值对于标称阻值的允许最大偏差范围,称为电阻器的允许偏差。电阻器接在电路中,有电流流过的就要消耗电功率而发热超过它所能耐受的程度,电阻器就要烧坏或很快老化。电阻器在正常大气压力及在规定的一个环境温度下,长期连续工作并能符合规定的性能要求;所允许耗散的最大功率,称为电阻器的额定功率,单位是W(瓦)。相关符号见图2-2。第3页共28页第2页共28页编号:时间:2021年x月x日书山有路勤为径,学海无涯苦作舟页码:第3页共28页电阻的阻值标称有二种方法:一是直接在电阻上标出数据;二是用色环表示阻值。色环表示方法可在任意角度识别其阻值大小,使用很方便,被广泛使用。色环表示方法如图2-3所示。色环电阻紧靠电阻头的第一道色环表示阻值的第一位数,第二道色环表示第二位数,第三道色环表示幂的次方,第四道色环表示误差,其中色环的读法见表1:举例说明:如色环为“蓝红橙金”,其阻值为:62×103=62kΩ±5%。2.1.2电容器电容器(简称电容)是由两个绝缘介质隔开的金属极板组成的,这两个导...

1、当您付费下载文档后,您只拥有了使用权限,并不意味着购买了版权,文档只能用于自身使用,不得用于其他商业用途(如 [转卖]进行直接盈利或[编辑后售卖]进行间接盈利)。
2、本站所有内容均由合作方或网友上传,本站不对文档的完整性、权威性及其观点立场正确性做任何保证或承诺!文档内容仅供研究参考,付费前请自行鉴别。
3、如文档内容存在违规,或者侵犯商业秘密、侵犯著作权等,请点击“违规举报”。

碎片内容

电子元件基础

中小学教育精品资料+ 关注
实名认证
内容提供者

中小学教育资料,优质文档创作者

确认删除?
VIP
微信客服
  • 扫码咨询
会员Q群
  • 会员专属群点击这里加入QQ群
客服邮箱
回到顶部