电脑桌面
添加小米粒文库到电脑桌面
安装后可以在桌面快捷访问

餐饮空间设计相关资料VIP免费

餐饮空间设计相关资料_第1页
1/6
餐饮空间设计相关资料_第2页
2/6
餐饮空间设计相关资料_第3页
3/6
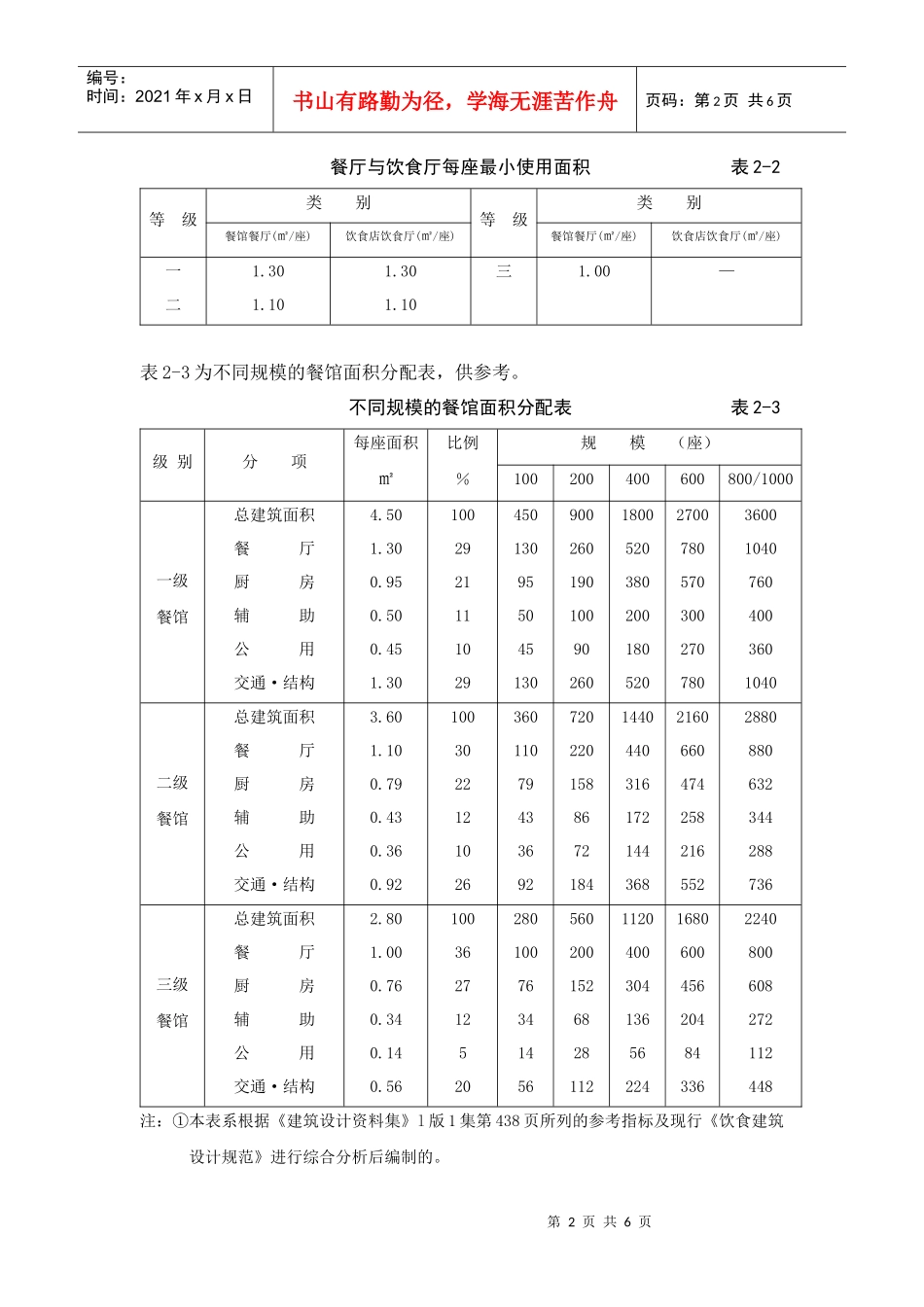
第1页共6页编号:时间:2021年x月x日书山有路勤为径,学海无涯苦作舟页码:第1页共6页不同等级的餐馆和饮食店的建筑标准、面积标准、设施水平等见表2-1分级及设施表2-1级别类别标准及设施一二三餐馆服务标准宴请高级中级一般零餐高级中级一般建筑标准耐久年限不低于二级不低于二级不低于三级耐火等级不低于二级不低于二级不低于三级面积标准餐厅面积/座≥1.3㎡≥1.1㎡≥1.0㎡餐厨面积比1∶1.11∶1.11∶1.1设施顾客公用部分较全尚全基本满足使用顾客专用厕所有有有顾客用洗手间有有无厨房完善较完善基本满足使用饮食店建筑环境室外较好一般室内较舒适一般建筑标准耐久年限不低于二级不低于三级耐火等级不低于二级不低于三级饮食厅面积/座≥1.3㎡≥1.1㎡设施顾客专用厕所有无洗手间(处)有有饮食制作间能满足较高要求基本满足要求注:①各类各级厨房及饮食制作间的热加工部分,其耐火等级均不得低于二级。②餐厨比按l00座及100座以上餐厅考虑,可根据饮食建筑的级别、规模、供应品种原料贮存与加工方式、及采用燃料种类与所在地区特点等不同情况适当增减厨房面积。③厨房及饮食制作间的设施均包括辅助部分的设施。④本表选自《建筑设计资料集》第5集在《饮食建筑设计规范》里规定了餐厅及饮食厅每座最小使用面积,见表2-2第2页共6页第1页共6页编号:时间:2021年x月x日书山有路勤为径,学海无涯苦作舟页码:第2页共6页餐厅与饮食厅每座最小使用面积表2-2等级类别等级类别餐馆餐厅(㎡/座)饮食店饮食厅(㎡/座)餐馆餐厅(㎡/座)饮食店饮食厅(㎡/座)一二1.301.101.301.10三1.00—表2-3为不同规模的餐馆面积分配表,供参考。不同规模的餐馆面积分配表表2-3级别分项每座面积㎡比例%规模(座)100200400600800/1000一级餐馆总建筑面积餐厅厨房辅助公用交通·结构4.501.300.950.500.451.3010029211110294501309550451309002601901009026018005203802001805202700780570300270780360010407604003601040二级餐馆总建筑面积餐厅厨房辅助公用交通·结构3.601.100.790.430.360.921003022121026360110794336927202201588672184144044031617214436821606604742582165522880880632344288736三级餐馆总建筑面积餐厅厨房辅助公用交通·结构2.801.000.760.340.140.561003627125202801007634145656020015268281121120400304136562241680600456204843362240800608272112448注:①本表系根据《建筑设计资料集》l版1集第438页所列的参考指标及现行《饮食建筑设计规范》进行综合分析后编制的。第3页共6页第2页共6页编号:时间:2021年x月x日书山有路勤为径,学海无涯苦作舟页码:第3页共6页②表内除总建筑面积外其他面积指标均指使用面积。③总建筑面积=餐厅、厨房、辅助、公用、交通与结构每座面积分别乘以座位数之和。④本表选自《建筑设计资料集》第5集第67页。排气罩下部应设排水槽,以免凝结水下滴污染食物(图2-1)。图2-1排气罩及风机拔气道相当于烟囱的原理(图2-2),都是利用进气口与排气口的高差与温差将废气排走,抽力大、排气快,不必维修更换,长期使用效果稳定,无噪声,不消耗能源。图2-2拔气道与烟囱平面餐厅、饮食厅、各加工间室内最低净高(m)见表2-4。第4页共6页第3页共6页编号:时间:2021年x月x日书山有路勤为径,学海无涯苦作舟页码:第4页共6页餐厅、饮食厅、各加工间室内最低净高(m)表2-4房间名称顶棚形式餐厅、饮食厅各加工间大餐厅、大饮食厅小餐厅、小饮食厅平顶32.63异形顶2.42.43注:①有空调时,小餐厅、小饮食厅最低净高不小于2.4m(平顶)。②异形顶指最低处净高。顾客卫生间及工作人员卫生间的设备设置分别见表2—5、表2—6。顾客卫生间设备设置表2-5顾客座位数卫生器皿数≤50≤100每增加100洗手间洗手盆11洗手处洗手盆11男厕大便器11小便器1或1洗手盆1女厕大便器11洗手盆1注:按分级情况设洗手间或附在餐厅内的洗手处。工作人员卫生间设备设置表2-6最大班人员数≤2525~50每增25卫生器皿数男女合用男女男女大便器11111小便器111洗手盆111淋浴器11111注:工作人员包括炊事员、服务员和管理人员。第5页共6页第4页共6页编号:时间:2021年x月x日书山有路勤为径,学海无涯苦作舟...

1、当您付费下载文档后,您只拥有了使用权限,并不意味着购买了版权,文档只能用于自身使用,不得用于其他商业用途(如 [转卖]进行直接盈利或[编辑后售卖]进行间接盈利)。
2、本站所有内容均由合作方或网友上传,本站不对文档的完整性、权威性及其观点立场正确性做任何保证或承诺!文档内容仅供研究参考,付费前请自行鉴别。
3、如文档内容存在违规,或者侵犯商业秘密、侵犯著作权等,请点击“违规举报”。

碎片内容

餐饮空间设计相关资料

您可能关注的文档

确认删除?
VIP
微信客服
  • 扫码咨询
会员Q群
  • 会员专属群点击这里加入QQ群
客服邮箱
回到顶部