电脑桌面
添加小米粒文库到电脑桌面
安装后可以在桌面快捷访问

金海湾海宸住宅普通模板施工方案VIP免费

金海湾海宸住宅普通模板施工方案_第1页
1/55
金海湾海宸住宅普通模板施工方案_第2页
2/55
金海湾海宸住宅普通模板施工方案_第3页
3/55
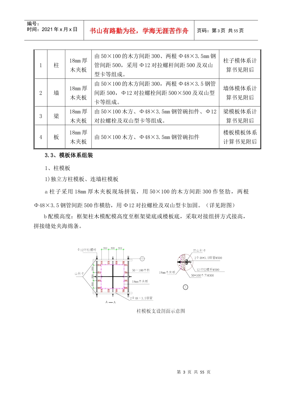
第1页共55页编号:时间:2021年x月x日书山有路勤为径,学海无涯苦作舟页码:第1页共55页模板施工方案一、编制依据1、惠州金海湾海宸住宅工程施工图及相关设计变更、洽商记录2、本工程《施工组织设计》3、公司质量、环境和职业健康安全管理体系,编号:Q/CSCEC46/M00-2004.版本:B4、工程所涉及的主要的国家或行业规范、规程、标准、法规,地方法规GB50204-2002混凝土结构工程施工质量验收规范GB50300-2001建筑工程施工质量验收统一规范GB50010-2002《混凝土结构设计规范》GB50009-2001《建筑结构荷载规范》JGJ128-2000《建筑施工门式钢管脚手架安全技术规范》JGJ33-2001建筑机械使用安全技术规程JGJ80-91建筑施工高处作业安全技术规程JGJ59-99建筑施工安全检查标准《建筑工程模板施工手册》JGJ74-2003《建筑工程大模板技术规程》二、工程概况惠州金海湾海宸住宅工程由惠州市海宸置业有限公司投资兴建,由北方—汉沙杨建筑工程有限公司设计,惠州市工程建设监理有限公司监理,中建四局第六建筑工程有限公司负责施工。本工程总建筑面积85972.14平方米(地上71535.04平方米、地下14437.1平方米),酒店地下一层地上9层,酒店立面造型别致曲线优美,整体长253米、宽27米至38米不等,地下层高为4.7米,一层、九层层高为5.1米,二层层高为6.1米,三~七层层高为3.3米,八层层高为4.5米;主体结构形式为框架结构。各部位截面尺寸见下表:第2页共55页第1页共55页编号:时间:2021年x月x日书山有路勤为径,学海无涯苦作舟页码:第2页共55页序号部位截面尺寸(mm)1板120、140、180、200、350mm、400mm梁500×700、300×700、300×600、400×600、600×600、300×900、1000×1000、500×1000、800×1300、400×850、800×1400、800×13002墙体200、300、500mm3柱方柱:500×500、400×600、600×600、600×700、600×800、800×800、700×700、600×850、700×800,圆柱:600,1200三、模板方案的确定3.1、模板体系概要本工程酒店部分质量目标为鲁班奖工程。为保证主体结构混凝土质量要求,模板设计与施工是工程的关键之一。因此模板方案的确定必须考虑以下几点:1、模板及其支架的结构设计,力求做到结构要安全可靠,造价经济合理;2、在规定的条件下和规定的使用期限内,能够充分满足预期的安全性和耐久性;3、选用材料时,力求做到常见通用、可周转利用,便于保养维修;4、结构选型时,力求做到受力明确,构造措施到位,升降搭拆方便,便于检查验收;5、模板及模板支架的搭设,还必须符合JCJ59-99检查标准要求,要符合省文明标化工地的有关标准;6、特别对地下墙柱模板安装、顶板与梁阴角处做法、外墙外模模板体系、梁柱节点等特殊部位模板的设计、制作和安装质量要严格控制。3.2、各部位模板体系确定序号工程部位模板支撑及加固体系备注第3页共55页第2页共55页编号:时间:2021年x月x日书山有路勤为径,学海无涯苦作舟页码:第3页共55页1柱18mm厚木夹板由50×100的木方间距300、两根Φ48×3.5mm钢管间距500,采用Φ12对拉螺杆间距500及双山型卡等组成。柱子模体系计算书见附后2墙18mm厚木夹板由50×100的木方间距300,两根Φ48×3.5钢管间距500,Φ12对拉螺栓间距500×500及双山型卡等组成。墙体模体系计算书见附后3梁18mm厚木夹板由50×100木方、Φ48×3.5mm钢管碗扣件、Φ12对拉螺栓及双山型卡等组成。梁模板体系计算书见附后4板18mm厚木夹板由50×100木方、Φ48×3.5mm钢管碗扣件楼板模板体系计算书见附后3.3、模板体系组装1、柱模板1)独立方柱模板、连墙柱模板a柱子采用18mm厚木夹板现场拼装,用50×100的木方间距300作竖肋,两根Φ48×3.5钢管间距500作横肋,用Φ12对拉螺栓及双山型卡加固。(详见附图)b配模高度:框架柱木模配模高度至框架梁底或楼板底,采取对接组拼方式接高,拼接缝处夹海绵条。第4页共55页第3页共55页编号:时间:2021年x月x日书山有路勤为径,学海无涯苦作舟页码:第4页共55页2)圆柱模板本工程中圆柱采用柔性玻璃钢圆柱模板施工的混凝土圆柱光洁度高。a、施工工艺流:钢筋检查验收合格交付→焊接十字定位钢筋→模板清理刷脱模剂→柱根部清理,模板就位→闭合柱...

1、当您付费下载文档后,您只拥有了使用权限,并不意味着购买了版权,文档只能用于自身使用,不得用于其他商业用途(如 [转卖]进行直接盈利或[编辑后售卖]进行间接盈利)。
2、本站所有内容均由合作方或网友上传,本站不对文档的完整性、权威性及其观点立场正确性做任何保证或承诺!文档内容仅供研究参考,付费前请自行鉴别。
3、如文档内容存在违规,或者侵犯商业秘密、侵犯著作权等,请点击“违规举报”。

碎片内容

金海湾海宸住宅普通模板施工方案

确认删除?
VIP
微信客服
  • 扫码咨询
会员Q群
  • 会员专属群点击这里加入QQ群
客服邮箱
回到顶部