电脑桌面
添加小米粒文库到电脑桌面
安装后可以在桌面快捷访问

石油化工设备保温施工技术条件VIP免费

石油化工设备保温施工技术条件_第1页
1/10
石油化工设备保温施工技术条件_第2页
2/10
石油化工设备保温施工技术条件_第3页
3/10
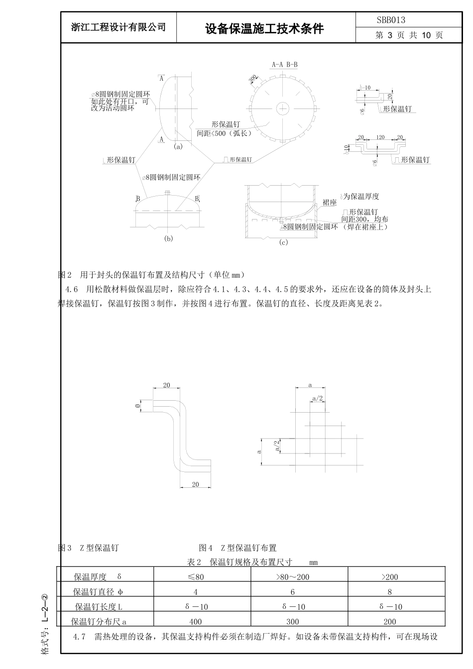
格式号:L─2─②浙江工程设计有限公司设备保温施工技术条件SBB013第1页共10页1范围本标准规定了石油化工设备外部保温工程的材料、施工准备、保温支持圈及保温钉、保温层施工、保护层施工、质量检查及验收等要求。本标准适用于立式或卧式设备(包括塔器、容器及换热器等)的外部保温工程。2材料2.1保温材料及其制器必须具有产品质量证明书和出厂合格证,其规格、性能应符合设计文件的规定。2.2保温材料不宜露天堆放,如在露天堆放时,必须采取防护措施。其堆放高度不宜超过2m。2.3受潮的保温材料及其制器必须进行干燥处理,合格后方可使用。当经过干燥处理后仍不能恢复合格性能时,不得使用。2.4保护层的材料必须具有产品质量证明书和出厂合格证,其规格及技术要求应符合设计文件和现行国家标准的规定。3施工准备3.1一般规定3.1.1在施工前,应核查保温材料及其制器的规格、性能是否符合设计文件的规定。3.1.2保温工程的施工应在设备压力试验或致密性试验合格及设备外壁防腐施工完毕后进行。3.1.3内部有防腐漆或橡胶等衬里的设备,保温支持圈及保温钉的焊接必须在衬里前进行。3.1.4在雨雪天施工室外保温工程时,应采用防雨雪措施。在寒冷季节施工的室内外保温工程应采用防冻措施。3.2.1施工场地必须设置临时供水、供电、消防等设施,道路应通畅,且有相应的施工场地,施工机具应匹配合理。3.2.2保温材料及其缺点品出库时,应核对其品种、规格、有效期限。3.2.3进行保温施工前,必须具备下列条件:a.支持件及固定件安装完毕;b.平台梯子支架及管线支架和仪表接管部件等均安装完毕;c.电伴热或热介质伴热管均已安装就绪,并经过能电或试压合格;d.在现场制造或组装的设备外表面及设备上的固定件应彻底除锈,涂两遍底漆。李明伟杨世华童希亚2004-3编制校审审核审定日期格式号:L─2─②浙江工程设计有限公司设备保温施工技术条件SBB013第2页共10页4保温支持圈及保温钉4.1立式设备应设保温支持圈,最下一层保温支持圈的位置及保温支持圈的间距见设备图,间距应不大于3m。立式储罐顶部不保温,但应设置防水板。4.2立式设备保温支持圈的结构详见图SBT002-1或SBT002-2。4.3立式设备用预制块或毡席材料做保温层进行卧式安装时,除应符合4.1条的要求外,还应焊接保温钉,保温钉的要求应符合4.4条规定。4.4卧式设备用预制块或毡席材料做保温层时,应在筒体上沿轴向焊接数排保温钉。保温钉布置及结构尺寸见图1,排数见表1。图1用于筒体的保温钉布置及结构尺寸(单位mm)表1保温钉排数设备公称直径DN保温钉排数≤28003≥300044.5用预制块或毡席材料做保温层时,卧式设备两端的封头,立式设备的所有顶封头及支腿式立式设备的底封头均应焊接∏形及L型保温钉,保温钉布置及结构尺寸见图2(a)(b)。裙座式立式设备的底封头应焊接∏形保温钉,见图2(c)。三排为保温厚度300300300形保温钉四排形保温钉1061202020格式号:L─2─②浙江工程设计有限公司设备保温施工技术条件SBB013第3页共10页图2用于封头的保温钉布置及结构尺寸(单位mm)4.6用松散材料做保温层时,除应符合4.1、4.3、4.4、4.5的要求外,还应在设备的筒体及封头上焊接保温钉,保温钉按图3制作,并按图4进行布置。保温钉的直径、长度及距离见表2。图3Z型保温钉图4Z型保温钉布置表2保温钉规格及布置尺寸mm保温厚度δ≤80>80~200>200保温钉直径φ468保温钉长度Lδ-10δ-10δ-10保温钉分布尺a4003002004.7需热处理的设备,其保温支持构件必须在制造厂焊好。如设备未带保温支持构件,可在现场设形保温钉间距<500(弧长)300A8圆钢制固定圆环如此处有开口,可改为活动圆环(b)BB(a)8圆钢制固定圆环形保温钉A形保温钉形保温钉20形保温钉裙座8圆钢制固定圆环(c)为保温厚度形保温钉间距300,均布(焊在裙座上)1020612061020A-AB-B20020aa/2aa/2格式号:L─2─②浙江工程设计有限公司设备保温施工技术条件SBB013第4页共10页置螺栓连接的角钢支持圈,见图5。图5角钢支持圈5保温层施工5.1一般规定5.1.1当采用同一种保温材料,且保温厚度大于100mm时,可分为两层或多层逐层施工,各层的厚度宜接近。先捆扎好内层,待检查合格后,方可施工外层...

1、当您付费下载文档后,您只拥有了使用权限,并不意味着购买了版权,文档只能用于自身使用,不得用于其他商业用途(如 [转卖]进行直接盈利或[编辑后售卖]进行间接盈利)。
2、本站所有内容均由合作方或网友上传,本站不对文档的完整性、权威性及其观点立场正确性做任何保证或承诺!文档内容仅供研究参考,付费前请自行鉴别。
3、如文档内容存在违规,或者侵犯商业秘密、侵犯著作权等,请点击“违规举报”。

碎片内容

石油化工设备保温施工技术条件

中小学教育精品资料+ 关注
实名认证
内容提供者

中小学教育资料,优质文档创作者

确认删除?
VIP
微信客服
  • 扫码咨询
会员Q群
  • 会员专属群点击这里加入QQ群
客服邮箱
回到顶部