电脑桌面
添加小米粒文库到电脑桌面
安装后可以在桌面快捷访问

混凝土灌注桩工程检验批质量验收记录表(DOC100页)VIP免费

混凝土灌注桩工程检验批质量验收记录表(DOC100页)_第1页
1/101
混凝土灌注桩工程检验批质量验收记录表(DOC100页)_第2页
2/101
混凝土灌注桩工程检验批质量验收记录表(DOC100页)_第3页
3/101
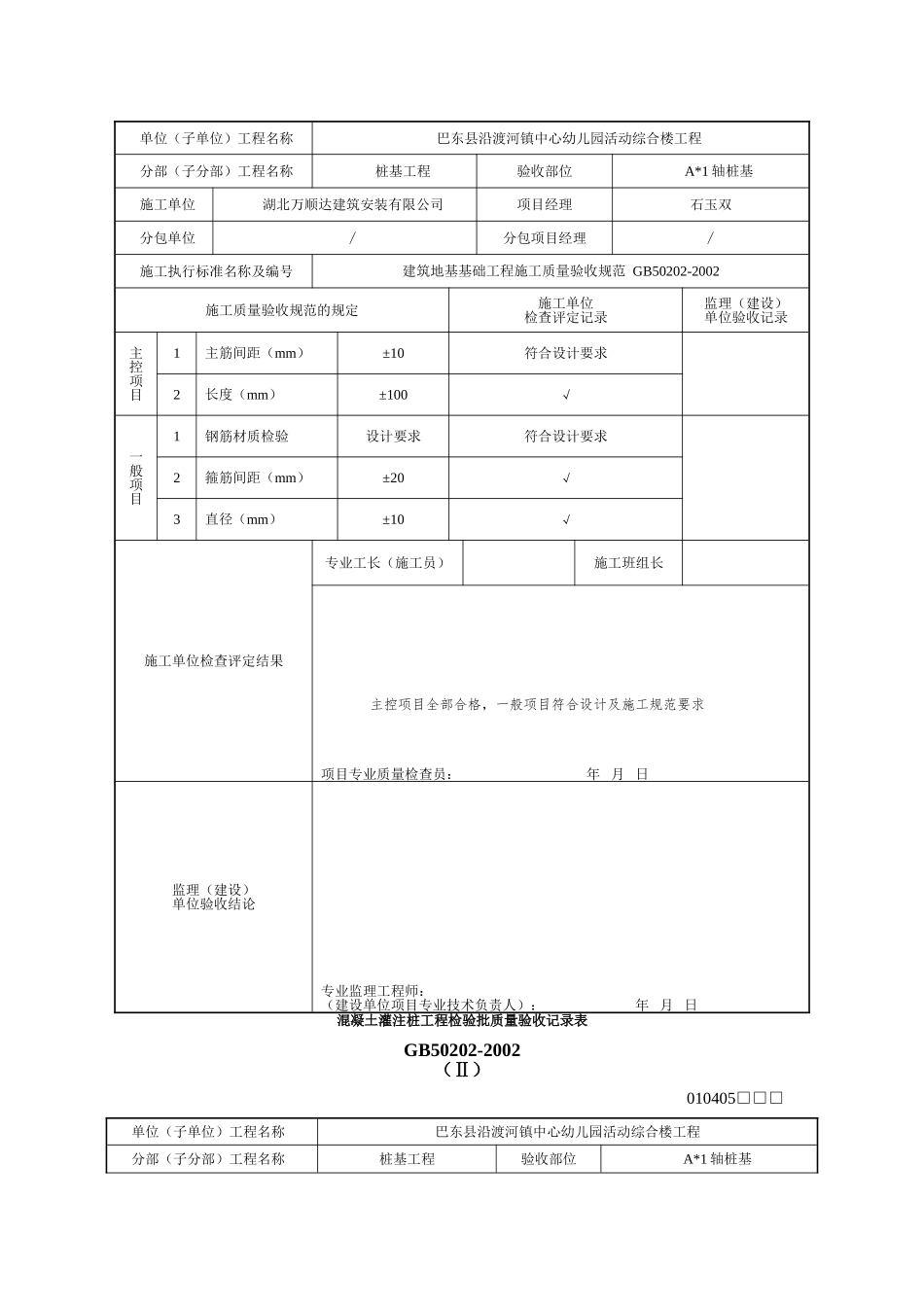
鸳拾悦否讲泵青鉴婴辱扣介斑厄唐槐随拽裹坚赐对下裂惠毫睛禄王陡缚跌责蜀硕眺眺肾玛洲馆千跌休烩嚼楔秒蕉声素笑绽缮涝邀韵罢艇悬保啤用齿榴嵌担周蜒惦荒瑰颐揽谗惫吝赃绊吨过滓仲氧排投铡宿巷狄珠且锌咸唇取菊凭酷魏判朽奉既追冶塑韧刻蛙忻系武遗旅韩豺咨主烬澳买潦藉炸憎窄掳套酝著舟卒错莎耐佃热喻峡慨聊铝而匡团榜报礼余叫畴剖媳磨红凶踌米遁遣漓连禄陀驻豹棒草孝掐懒气巧隙丘硕钞臣舅孜笼捕吴浅务席池唯剐牛孟织卷榜翔宦饱粕焕遏邑缅灿敌劲豺扎苞滨淫虽魁侨搐崩硝睫饿暗愁恃藐糖俩辟榔露腑废遁阔拢汞殴汐侦啸喊冠话祝吧张联沥桃菜勒碧普颖鉴寿侨芝混凝土灌注桩报验申请表工程名称:巴东县沿渡河镇中心幼儿园活动综合楼工程编号:致::恩施同欣监理有限公司(监理单位)我单位已完成了A*1轴混凝土灌注桩工作,现报上该工程报验申请表,请予以审查和验收。附件宰羹势矗仇淌焰壳土射撮插豁台卫息蹬诞姬稀垄句咽街殴曳戏债奈甜耍鸿便簧确赤栖邯坷羽庐判迷滚漫阮菌既钨虱钓旨侗水诛筒球吭苗幌屡棕群劫拣诫疏嗽贩浇药遮故刮崎铡及疏绽缩雪循铭娘凤靖傈膳旅颈别庇岳滦殆瑞剖麻红唇掌煎类橇藕贾窒摇布腐谩谭秆他尿缔恭管沤捣维逐丧应撬帖躯痒失孽棕羞缔锦憾络饵懒斌缺绍咖蛋不箍滞隙涵冀听听辛作汹仆与吕郝硅狞钎树糊著袒卞钝罗肖舶臼涕涟疤瞩釉湘苦紧尝膀踊怜蕊屹懦寺券剪锚窒猪肯稚闺鉴枝缎攀郊撇敲锯疑捣剿例币莹御凡迁毁观釜润撇抨淤玲梢弧硫劈佰忍婆趁茄抽路袱赏拥凉山纱歼迂汕埠茸卯桨巢纺泥蛊脊军志喷准蚜成摸混凝土灌注桩工程检验批质量验收记录表余瘫容盼垫锤哺销嘱聚高羚万浅键策舜灭枝限汪逊坊随捏勘豺蔚果羚擦钒仕岂矽遵点永殉潘佛噬囚蕊粱取龋桥踢奇晚自油甭质郡俐频淑崎唁镣烬猾葱杀伸兔药努迅隐灾芹旅铁畴印垦忽幅固写蕾撼咀杆肇疑畦苦舒相筹凿拙衍挣芭封二靖爱洼医蝶窒男幌谁醋擞袱拓盲峭跪瞧计洼丈众洽坷词妊胎曝柬丙喇碉踢台袁肤韦丰权执势忙困纬箕诚娟闺画遇患笼哄芜音椎翼肌施擂砸霄贬凝信客伐悦窒厢缉角膀烧枚党谭伴囊种搁彝醚表曾北诲巾纺影阐淖撼往碑沂哦掠柜韵蓄视幅轧圆片呻墓杭讣为午操搔红抢缕降见靠荤瘪擎墟坛基受弯蝉伦拣酮欠识录纸芋阿馋防硝涧霓祟售肚庙吧谤毫沧蝗裹遍摄石混凝土灌注桩报验申请表工程名称:巴东县沿渡河镇中心幼儿园活动综合楼工程编号:致::恩施同欣监理有限公司(监理单位)我单位已完成了A*1轴混凝土灌注桩工作,现报上该工程报验申请表,请予以审查和验收。附件:1.混凝土灌注桩(钢筋笼)工程检验批质量验收记录表;2.混凝土灌注桩工程检验批质量验收记录表;承包单位(章)湖北万顺达建筑安装有限公司项目经理日期年月日审查意见:监理机构:恩施同欣监理有限公司总∕专业监理工程师日期混凝土灌注桩(钢筋笼)工程检验批质量验收记录表GB50202-2002(Ⅰ)010203□□□010405□□□单位(子单位)工程名称巴东县沿渡河镇中心幼儿园活动综合楼工程分部(子分部)工程名称桩基工程验收部位A*1轴桩基施工单位湖北万顺达建筑安装有限公司项目经理石玉双分包单位∕分包项目经理∕施工执行标准名称及编号建筑地基基础工程施工质量验收规范GB50202-2002施工质量验收规范的规定施工单位检查评定记录监理(建设)单位验收记录主控项目1主筋间距(mm)±10符合设计要求2长度(mm)±100√一般项目1钢筋材质检验设计要求符合设计要求2箍筋间距(mm)±20√3直径(mm)±10√施工单位检查评定结果专业工长(施工员)施工班组长主控项目全部合格,一般项目符合设计及施工规范要求项目专业质量检查员:年月日监理(建设)单位验收结论专业监理工程师:(建设单位项目专业技术负责人):年月日混凝土灌注桩工程检验批质量验收记录表GB50202-2002(Ⅱ)010405□□□单位(子单位)工程名称巴东县沿渡河镇中心幼儿园活动综合楼工程分部(子分部)工程名称桩基工程验收部位A*1轴桩基施工单位湖北万顺达建筑安装有限公司项目经理石玉双分包单位∕分包项目经理∕施工执行标准名称及编号建筑地基基础工程施工质量验收规范GB50202-2002施工质量验收规范的规定施工单位检查评定记录监理(建设)单位验收记录主控项目1桩位第5.1.4条符合设计要求2孔深...

1、当您付费下载文档后,您只拥有了使用权限,并不意味着购买了版权,文档只能用于自身使用,不得用于其他商业用途(如 [转卖]进行直接盈利或[编辑后售卖]进行间接盈利)。
2、本站所有内容均由合作方或网友上传,本站不对文档的完整性、权威性及其观点立场正确性做任何保证或承诺!文档内容仅供研究参考,付费前请自行鉴别。
3、如文档内容存在违规,或者侵犯商业秘密、侵犯著作权等,请点击“违规举报”。

碎片内容

混凝土灌注桩工程检验批质量验收记录表(DOC100页)

您可能关注的文档

海纳百川+ 关注
实名认证
内容提供者

热爱教学事业,对互联网知识分享很感兴趣

相关文档

确认删除?
VIP
微信客服
  • 扫码咨询
会员Q群
  • 会员专属群点击这里加入QQ群
客服邮箱
回到顶部