电脑桌面
添加小米粒文库到电脑桌面
安装后可以在桌面快捷访问

表交通建筑行业安全检查VIP专享VIP免费

表交通建筑行业安全检查_第1页
1/17
表交通建筑行业安全检查_第2页
2/17
表交通建筑行业安全检查_第3页
3/17
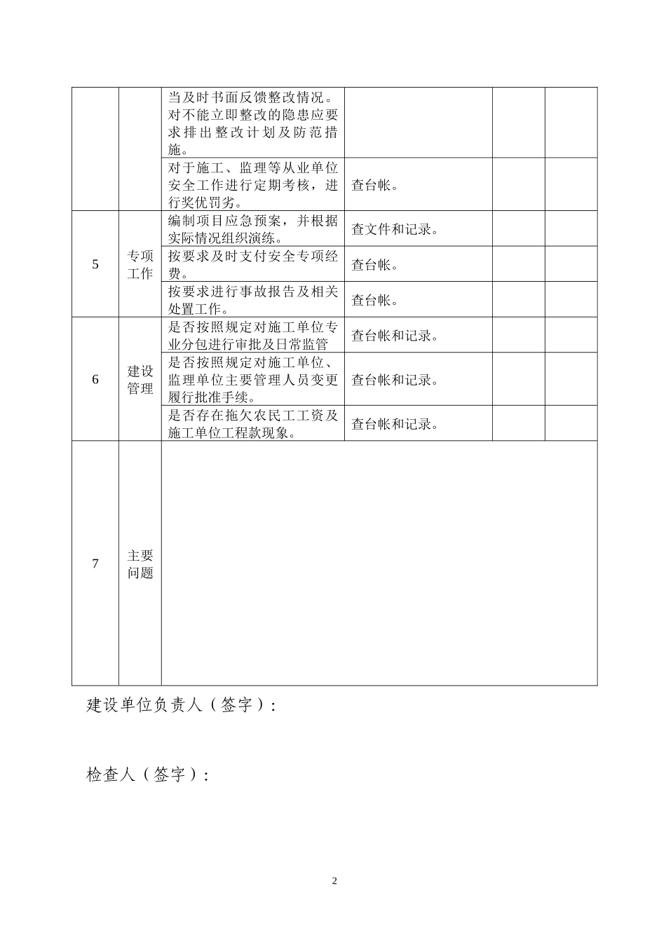
附件1:交通建设工程安全生产检查表一、建设单位项目名称:项目建设单位名称:序号类别自查内容检查方法是(有)否(无)1执行政策对国家、行业及上级有关工程建设安全管理工作政策、法规进行贯彻落实。查单位行文、会议记录和工作台帐。制订“平安工地”建设活动贯彻实施方案。查单位行文。对“平安工地”建设活动进行部署。查会议台帐。按要求参加各类会议、培训;按要求报送相关工作情况。查会议培训记录、汇报材料。2责任落实单位主管领导和分管领导、内部各部门安全责任明确,明确归口部门和责任人。查单位行文。建立安全会议、检查、隐患整改及事故报告等制度。查单位行文。3招标管理招标文件应当要求施工单位具有有效的《安全生产许可证》、按每5000万合同额配备一名C类证书专职安全员、项目负责人须持有有效的B类证书。查招投标文件并在对施工单位检查时进行验证。在招标文件应当对施工单位工程安全管理提出要求。查文件。与中标单位签订安全生产合同。查合同。单列安全专项经费。查合同。4检查考核根据检查制度定期组织对项目从业单位安全检查,每次检查后形成检查通报。查通报。督促从业单位对安全问题和隐患进行整改,从业单位应查反馈意见,到现场进行核验。1当及时书面反馈整改情况。对不能立即整改的隐患应要求排出整改计划及防范措施。对于施工、监理等从业单位安全工作进行定期考核,进行奖优罚劣。查台帐。5专项工作编制项目应急预案,并根据实际情况组织演练。查文件和记录。按要求及时支付安全专项经费。查台帐。按要求进行事故报告及相关处置工作。查台帐。6建设管理是否按照规定对施工单位专业分包进行审批及日常监管查台帐和记录。是否按照规定对施工单位、监理单位主要管理人员变更履行批准手续。查台帐和记录。是否存在拖欠农民工工资及施工单位工程款现象。查台帐和记录。7主要问题建设单位负责人(签字):检查人(签字):2检查日期:3二、监理单位监理标段名称:监理单位名称:序号类别自查内容检查方法是(有)否(无)1工作策划制订“平安工地”建设安全监理实施方案。查文件。编写本项目安全监理大纲,制订安全监理实施细则。查文件。2责任落实明确总监、副总监及专业监理工程师、安全监理责任人的岗位职责。查文件。建立会议、检查、方案审查、专项经费审批、隐患督促整改等工作制度。查文件。3审查审批审查或组织审查施工单位危险性较大的分部分项工程安全专项方案和施工临时用电方案。查文件。对施工单位申报的安全专项经费及时审批。查相关记录、现场检查印证。4安全检查对施工单位内业资料检查。查记录,施工单位内业资料情况印证。对施工现场检查,填写安全监理日志。查记录,施工现场情况印证。对于短时间难以消除的安全隐患,排出督促整改计划,并对整改期施工现场的防范措施进行检查。查记录,施工现场核对。5安全活动安全监理例会至少每月进行一次,对当前工作进行总结、点评,对下月工作进行部署。查记录。及时学习上级有关政策,对相关安全监理业务知识开展培训。查记录。对内部安全监理工作进行考核。查记录。46建设管理是否按照规定对施工单位专业分包进行审查及日常监理。查台帐和记录。是否按照规定对施工单位、主要管理人员变更履行审查手续。查台帐和记录。是否按照规定对主要监理人员变更履行合法手续。查台帐和记录。7主要问题监理单位负责人(签字):建设单位负责人(签字):检查人(签字):检查日期:5三、施工单位标段名称:中标施工单位名称:序号类别自查内容检查方法是(有)否(无)1责任落实建立项目安全生产组织体系框图,框图应涵盖领导层、各部门、作业层三个层次。查项目部行文。明确项目负责人、各部门、作业层安全生产责任。查项目部行文。国家法律、行业及上级要求施工单位开展的安全工作均应建立相应的管理制度。制度建设应当具有针对性、可操作性和时效性。查文件。2工作策划制定本标段“平安工地”建设工作方案。查文件。制定本标段安全工作计划并进行安全目标分解。查文件。3安全活动标段至少每月组织一次安全生产工作例会,临时性的重要工作有专门会议部署。查记录。对所有进场人员实行实名登记,对新...

1、当您付费下载文档后,您只拥有了使用权限,并不意味着购买了版权,文档只能用于自身使用,不得用于其他商业用途(如 [转卖]进行直接盈利或[编辑后售卖]进行间接盈利)。
2、本站所有内容均由合作方或网友上传,本站不对文档的完整性、权威性及其观点立场正确性做任何保证或承诺!文档内容仅供研究参考,付费前请自行鉴别。
3、如文档内容存在违规,或者侵犯商业秘密、侵犯著作权等,请点击“违规举报”。

碎片内容

表交通建筑行业安全检查

确认删除?
VIP
微信客服
  • 扫码咨询
会员Q群
  • 会员专属群点击这里加入QQ群
客服邮箱
回到顶部