电脑桌面
添加小米粒文库到电脑桌面
安装后可以在桌面快捷访问

建筑工程质量检验批划分计划表VIP免费

建筑工程质量检验批划分计划表_第1页
1/14
建筑工程质量检验批划分计划表_第2页
2/14
建筑工程质量检验批划分计划表_第3页
3/14
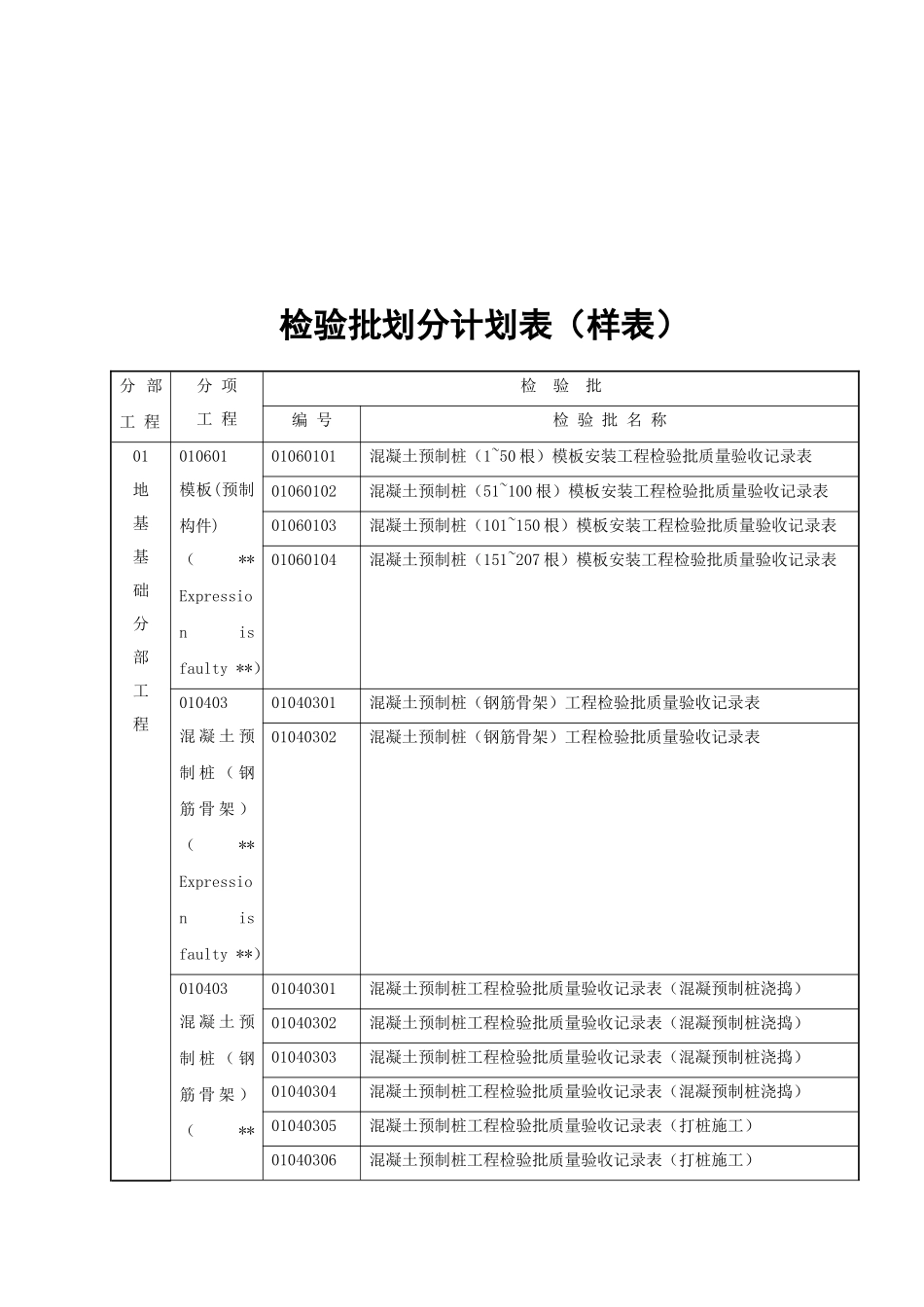
检验批划分计划表(样表)分部工程分项工程检验批编号检验批名称01地基基础分部工程010601模板(预制构件)(**Expressionisfaulty**)01060101混凝土预制桩(1~50根)模板安装工程检验批质量验收记录表01060102混凝土预制桩(51~100根)模板安装工程检验批质量验收记录表01060103混凝土预制桩(101~150根)模板安装工程检验批质量验收记录表01060104混凝土预制桩(151~207根)模板安装工程检验批质量验收记录表010403混凝土预制桩(钢筋骨架)(**Expressionisfaulty**)01040301混凝土预制桩(钢筋骨架)工程检验批质量验收记录表01040302混凝土预制桩(钢筋骨架)工程检验批质量验收记录表010403混凝土预制桩(钢筋骨架)(**01040301混凝土预制桩工程检验批质量验收记录表(混凝预制桩浇捣)01040302混凝土预制桩工程检验批质量验收记录表(混凝预制桩浇捣)01040303混凝土预制桩工程检验批质量验收记录表(混凝预制桩浇捣)01040304混凝土预制桩工程检验批质量验收记录表(混凝预制桩浇捣)01040305混凝土预制桩工程检验批质量验收记录表(打桩施工)01040306混凝土预制桩工程检验批质量验收记录表(打桩施工)nisfaulty**)01040307混凝土预制桩工程检验批质量验收记录表(打压桩及开挖后验收)010101土方开挖01010101土方开挖工程检验批质量验收记录表010102土方回填01010201土方回填工程检验批质量验收记录表010601模板(安装、拆除)(**Expressionisfaulty**)01060101(基础1~39轴)模板安装工程检验批质量验收记录表01060102(地下一层1~20轴)模板安装工程检验批质量验收记录表01060103(地下一层20~39轴)模板安装工程检验批质量验收记录表分部工程分项工程检验批编号检验批名称01地基基础分部工程010601模板(安装、拆除)(**Expressionisfaulty**)01060101(基础1~39轴)模板拆除工程检验批质量验收记录表01060102(地下一层1~20轴)模板拆除工程检验批质量验收记录表01060103(地下一层20~39轴)模板拆除工程检验批质量验收记录表010602基础钢筋(加工)(**Expressionisfaulty**)01060201(基础1~39轴)钢筋加工工程检验批质量验收记录表01060202(地下一层1~20轴)钢筋加工工程检验批质量验收记录表01060203(地下一层20~39轴)钢筋加工工程检验批质量验收记录表010602基础钢01060201(基础1~39轴)钢筋安装工程检验批质量验收记录表筋(安装)(**Expressionisfaulty**)01060202(地下一层1~20轴)钢筋安装工程检验批质量验收记录表01060203(地下一层20~39轴)钢筋安装工程检验批质量验收记录表010603混凝土(原材料及配合比施工)(**Expressionisfaulty**)01060301(基础垫层1~39轴)混凝土施工检验批质量验收记录表01060302(基础1~39轴)混凝土施工检验批质量验收记录表01060303(地下一层1~20轴)混凝土施工检验批质量验收记录表01060304(地下一层20~39轴)混凝土施工检验批质量验收记录表010604现浇结构、外观尺寸偏差01060401(基础垫层1~39轴)现浇结构外观尺寸偏差检验批质量验收记录表01060402(基础1~39轴)现浇结构外观尺寸偏差检验批质量验收记录表01060403(地下一层1~20轴)现浇结构外观尺寸偏差检验批质量验收记录表01060404(地下一层20~39轴)现浇结构外观尺寸偏差检验批质量验收记录表02主体结构分部工程020101模板(安装、预制构件、拆除)(Ⅰ)02010101(一层1~20轴)模板安装工程检验批质量验收记录表02010102(一层20~39轴)模板安装工程检验批质量验收记录表02010103(二层1~20轴)模板安装工程检验批质量验收记录表02010104(二层20~39轴)模板安装工程检验批质量验收记录表02010105(三层1~20轴)模板安装工程检验批质量验收记录表02010106(三层20~39轴)模板安装工程检验批质量验收记录表02010107(四层1~20轴)模板安装工程检验批质量验收记录表02010108(四层20~39轴)模板安装工程检验批质量验收记录表02010109(屋面1~20轴)模板安装工程检验批质量验收记录表02010110(屋面20~39轴)模板安装工程检验批质量验收记录表分部工程分项工程检验批编号检验批名称0202010102010101(一层1~20轴)模板拆除工程检验批质量验收记...

1、当您付费下载文档后,您只拥有了使用权限,并不意味着购买了版权,文档只能用于自身使用,不得用于其他商业用途(如 [转卖]进行直接盈利或[编辑后售卖]进行间接盈利)。
2、本站所有内容均由合作方或网友上传,本站不对文档的完整性、权威性及其观点立场正确性做任何保证或承诺!文档内容仅供研究参考,付费前请自行鉴别。
3、如文档内容存在违规,或者侵犯商业秘密、侵犯著作权等,请点击“违规举报”。

碎片内容

建筑工程质量检验批划分计划表

确认删除?
VIP
微信客服
  • 扫码咨询
会员Q群
  • 会员专属群点击这里加入QQ群
客服邮箱
回到顶部