电脑桌面
添加小米粒文库到电脑桌面
安装后可以在桌面快捷访问

锌精矿焙烧课计VIP免费

锌精矿焙烧课计_第1页
1/39
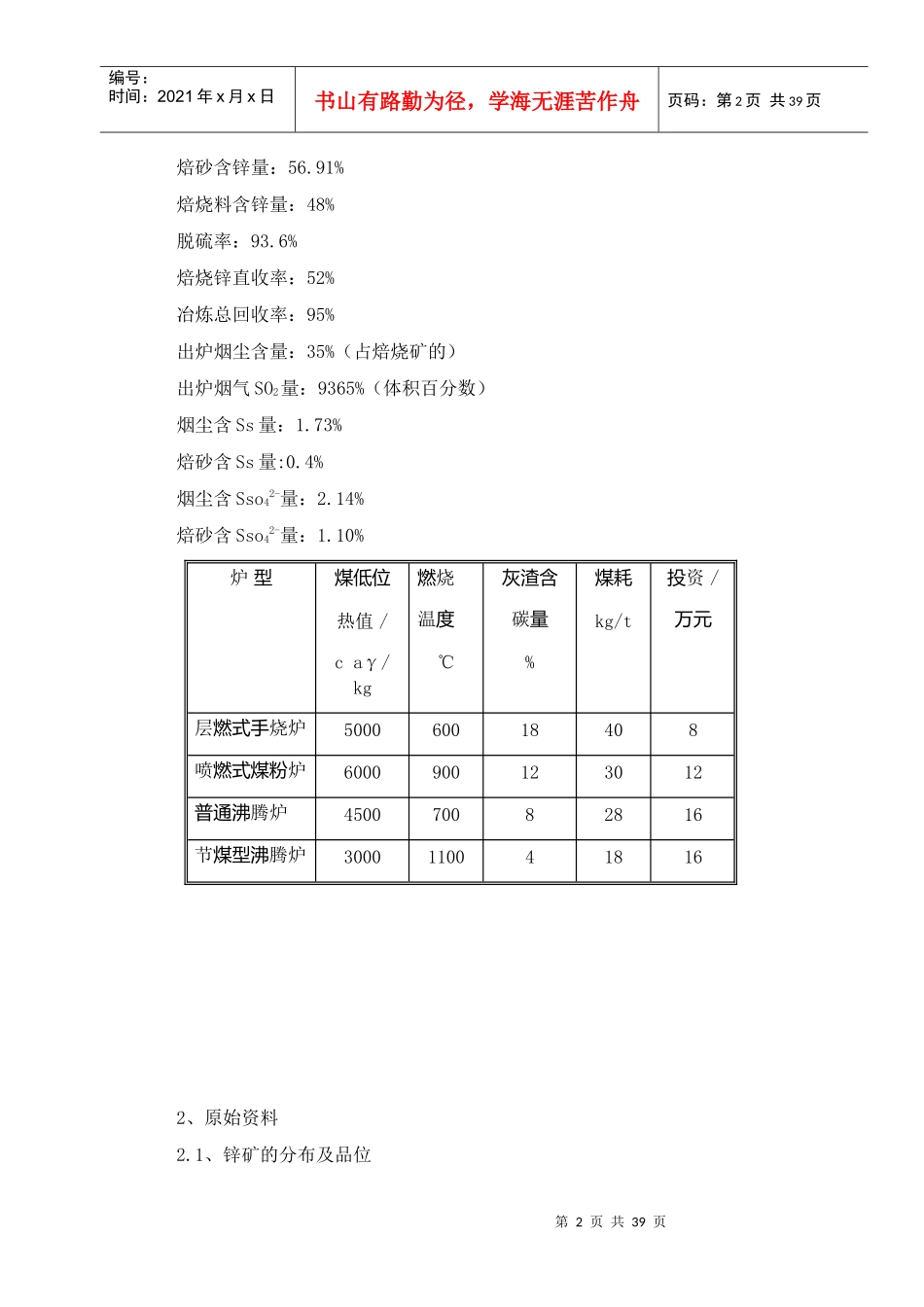
锌精矿焙烧课计_第2页
2/39
锌精矿焙烧课计_第3页
3/39
第1页共39页编号:时间:2021年x月x日书山有路勤为径,学海无涯苦作舟页码:第1页共39页1、设计任务设计一个年产10000吨电锌厂焙烧车间(初步设计)1.1、原始数据电锌年产量:10000吨锌精矿的化学成分(%)成分ZnCdpbCuFeSCaOMgOSiO2B2510.281.80.38.2311.40.53.6锌精矿的粒级及物理性质粒度/mm-0.35~+0.24-0.24~+0.17-0.17~+0.14-0.14~+0.12-012~+0.1-0.1~+0.08-0.08含量/%0.51.55.02.06.02.083注堆积密度1.7t/m3;水分8%。1.2、技术条件选择沸腾层高度:1.5m左右空气过剩系数:1.25沸腾层温度:850~900C炉顶温度:820~870炉顶负压:-10~30Pa直线速度:0.5~0.6m/s出炉烟气量、温度:9001.3、技术经济指标年处理锌精矿:1.3万吨/年年工作日:300天沸腾炉炉床面积:28m2沸腾炉炉床能力:5.2t/(m2d)焙烧矿产出率(包括烟尘和焙砂):88%(占锌精矿的)烟尘含锌量:54.89%第2页共39页第1页共39页编号:时间:2021年x月x日书山有路勤为径,学海无涯苦作舟页码:第2页共39页焙砂含锌量:56.91%焙烧料含锌量:48%脱硫率:93.6%焙烧锌直收率:52%冶炼总回收率:95%出炉烟尘含量:35%(占焙烧矿的)出炉烟气SO2量:9365%(体积百分数)烟尘含Ss量:1.73%焙砂含Ss量:0.4%烟尘含Sso42-量:2.14%焙砂含Sso42-量:1.10%炉型煤低位热值/caγ/kg燃烧温度℃灰渣含碳量%煤耗kg/t投资/万元层燃式手烧炉500060018408喷燃式煤粉炉6000900123012普通沸腾炉450070082816节煤型沸腾炉30001100418162、原始资料2.1、锌矿的分布及品位第3页共39页第2页共39页编号:时间:2021年x月x日书山有路勤为径,学海无涯苦作舟页码:第3页共39页截至2002年,全世界查明锌储量为20000万吨,储量基础为45000万吨,现有储量和储量基础的静态保证年限为23年和51年。锌储量和储量基础占锌资源量的10.52%和3.68%。中国锌的储量和储量基础均居世界首位,已成为世界最大的铅锌资源国家。根据统计资料,在我国铅锌储量中铅锌平均品位只有4.66%,而根据目前铅锌价格水平和成本水平,只有铅锌(1:2.5)合计地质品位在7%~8%以上的地质储量才是能经济利用的储量,目前我国能经济利用的铅锌合计储量只有4513.86万吨,仅占总储量的42.6%。锌在自然界多以硫化物的状态存在,主要矿物是闪锌矿(ZnS),但这种硫化矿的形成过程中有FeS固溶体,成为铁闪锌矿(nZnSmFeS).含铁高的闪锌矿会使提取冶炼过程复杂化。流化床的地表部位还常有一部打分被氧化的氧化矿,如菱锌矿(ZnCO3)、硅锌矿(Zn2SiO4)、导极矿(H2Zn2SiO5)等。我国铅锌储量较多的省(区)主要是云南、广东、甘肃、四川、广西、内蒙古、湖南和青海等八省(区),其铅锌储量占全国总储量的80.7%。大中型锌矿187处,探明资源总量7961万吨,储量1950万吨,其中大型锌矿区44处,探明资源总量5352万吨,储量1553万吨,分别占全国的58.1%和76.6%。目前已探明的储量主要集中在云南、广东、内蒙古、江西、湖南和甘肃等六省。各大区储量见下表:中国铅锌资源各大区分布比例(%)表中国中南西南西北华北华东东北100%27.8%22.7%15.3%16.1%14%4.1%2.2、精矿的组成成分铅锌矿的开采分露天开采和地下开采两种。由于金属品位不高,铅锌共生,并含有大量的脉石和其他杂质金属,矿石需先经过选矿。通过采用浮选法优先选出锌精矿,副产铅精矿和硫精矿。我国某些大型企业铅锌矿产出的锌精矿成分实例如下表。硫化锌精矿是生产锌的主要原料,成分一般为:锌45%~46%,铁5%~15%,硫的含量变化不大,为30%~33%。可见,锌精矿的主要组分为Zn,Fe和S,三者占总重的90%左右。硫化锌精矿是生产锌的主要原料,成分一般为:Zn45~60%,Fe5~15%,S30~33%,浮选精矿粒度较细,90%为0.07mm,堆密度1.7~2.0g/cm3。锌精矿化学成分等级含锌量杂质不大于(%)CuPbFeAsSiO2第4页共39页第3页共39页编号:时间:2021年x月x日书山有路勤为径,学海无涯苦作舟页码:第4页共39页(%)1≥550.81.06.00.34.02≥501.01.58.00.45.03≥451.52.014.00.56.04≥402.03.016.00.57.0锌精矿成分实例(%)表精矿来源ZnPbSFeCuCdAsSbSiO2Ag(g/t)湖南某矿山44.830.9832.4315.600.640.20<0.200.0011.3280黑龙江某矿山51.340.8832.5...

1、当您付费下载文档后,您只拥有了使用权限,并不意味着购买了版权,文档只能用于自身使用,不得用于其他商业用途(如 [转卖]进行直接盈利或[编辑后售卖]进行间接盈利)。
2、本站所有内容均由合作方或网友上传,本站不对文档的完整性、权威性及其观点立场正确性做任何保证或承诺!文档内容仅供研究参考,付费前请自行鉴别。
3、如文档内容存在违规,或者侵犯商业秘密、侵犯著作权等,请点击“违规举报”。

碎片内容

锌精矿焙烧课计

您可能关注的文档

确认删除?
VIP
微信客服
  • 扫码咨询
会员Q群
  • 会员专属群点击这里加入QQ群
客服邮箱
回到顶部