电脑桌面
添加小米粒文库到电脑桌面
安装后可以在桌面快捷访问

自动变速器电气线路图VIP专享VIP免费

自动变速器电气线路图_第1页
1/35
自动变速器电气线路图_第2页
2/35
自动变速器电气线路图_第3页
3/35
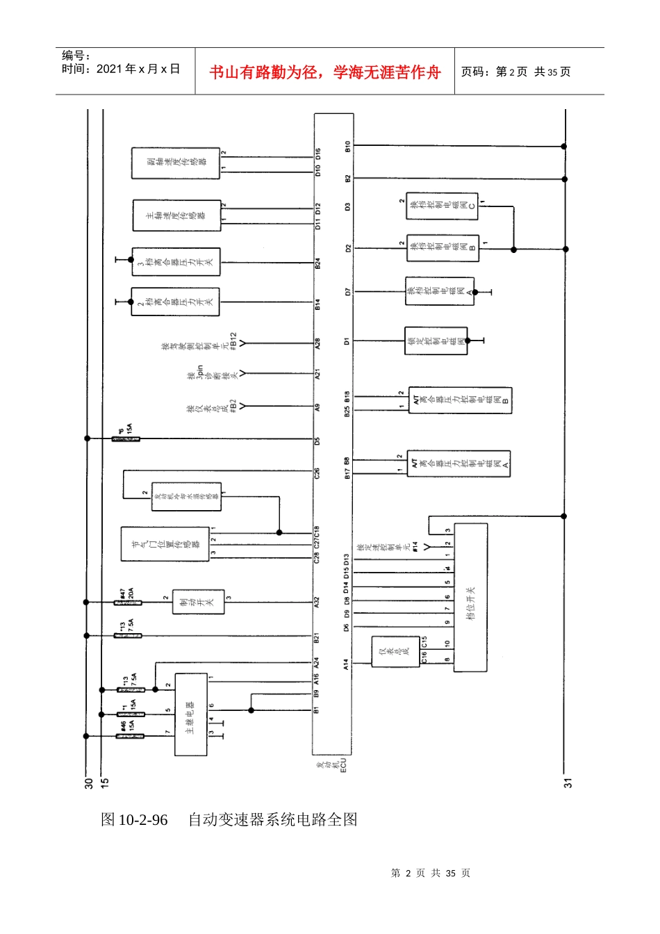
第1页共35页编号:时间:2021年x月x日书山有路勤为径,学海无涯苦作舟页码:第1页共35页六、自动变速器电气线路图广州本田自动速器电气线路如图10-2-96~图10-2-102所示。第2页共35页第1页共35页编号:时间:2021年x月x日书山有路勤为径,学海无涯苦作舟页码:第2页共35页图10-2-96自动变速器系统电路全图第3页共35页第2页共35页编号:时间:2021年x月x日书山有路勤为径,学海无涯苦作舟页码:第3页共35页图10-2-97自动变速器系统电路图(1)第4页共35页第3页共35页编号:时间:2021年x月x日书山有路勤为径,学海无涯苦作舟页码:第4页共35页图10-2-98自动变速器系统电路图(2)第5页共35页第4页共35页编号:时间:2021年x月x日书山有路勤为径,学海无涯苦作舟页码:第5页共35页图10-2-99自动变速器系统电路图(3)第6页共35页第5页共35页编号:时间:2021年x月x日书山有路勤为径,学海无涯苦作舟页码:第6页共35页图10-2-100自动变速器系统电路图(4)第7页共35页第6页共35页编号:时间:2021年x月x日书山有路勤为径,学海无涯苦作舟页码:第7页共35页图10-2-101自动变速器系统电路图(5)第8页共35页第7页共35页编号:时间:2021年x月x日书山有路勤为径,学海无涯苦作舟页码:第8页共35页图10-2-102自动变速器系统电路图(6)第9页共35页第8页共35页编号:时间:2021年x月x日书山有路勤为径,学海无涯苦作舟页码:第9页共35页七、ABS系统电气线路图广州本田轿车ABS系统电气线路图如图10-2-103~图10-2-109所示。第10页共35页第9页共35页编号:时间:2021年x月x日书山有路勤为径,学海无涯苦作舟页码:第10页共35页图10-2-103ABS系统电路全图第11页共35页第10页共35页编号:时间:2021年x月x日书山有路勤为径,学海无涯苦作舟页码:第11页共35页图10-2-104ABS系统电路图(1)第12页共35页第11页共35页编号:时间:2021年x月x日书山有路勤为径,学海无涯苦作舟页码:第12页共35页图10-2-105ABS系统电路图(2)第13页共35页第12页共35页编号:时间:2021年x月x日书山有路勤为径,学海无涯苦作舟页码:第13页共35页图10-2-106ABS系统电路图(3)第14页共35页第13页共35页编号:时间:2021年x月x日书山有路勤为径,学海无涯苦作舟页码:第14页共35页图10-2-107ABS系统电路图(4)第15页共35页第14页共35页编号:时间:2021年x月x日书山有路勤为径,学海无涯苦作舟页码:第15页共35页图10-2-108ABS系统电路图(5)第16页共35页第15页共35页编号:时间:2021年x月x日书山有路勤为径,学海无涯苦作舟页码:第16页共35页图10-2-109ABS系统电路图(6)第17页共35页第16页共35页编号:时间:2021年x月x日书山有路勤为径,学海无涯苦作舟页码:第17页共35页八、空调系统电气线路图广州本田轿车空调系统电气线路图如图10-2-110~图10-2-123所示。第18页共35页第17页共35页编号:时间:2021年x月x日书山有路勤为径,学海无涯苦作舟页码:第18页共35页图10-2-110手动空调冷气系统电路全图第19页共35页第18页共35页编号:时间:2021年x月x日书山有路勤为径,学海无涯苦作舟页码:第19页共35页图10-2-111手动空调冷气系统电路图(1)第20页共35页第19页共35页编号:时间:2021年x月x日书山有路勤为径,学海无涯苦作舟页码:第20页共35页图10-2-112手动空调冷气系统电路图(2)第21页共35页第20页共35页编号:时间:2021年x月x日书山有路勤为径,学海无涯苦作舟页码:第21页共35页图10-2-113手动空调冷气系统电路图(3)第22页共35页第21页共35页编号:时间:2021年x月x日书山有路勤为径,学海无涯苦作舟页码:第22页共35页图10-2-114手动空调冷气系统电路图(4)第23页共35页第22页共35页编号:时间:2021年x月x日书山有路勤为径,学海无涯苦作舟页码:第23页共35页图10-2-115手动空调冷气系统电路图(5)第24页共35页第23页共35页编号:时间:2021年x月x日书山有路勤为径,学海无涯苦作舟页码:第24页共35页图10-2-116恒温空调冷气系统电路全图第25页共35页第24页共35页编号:时间:2021年x月x日书山有路勤为径,学海无涯苦作舟页码:第25页共35页图10-2-117恒温空调冷气系统电路图(1)第26页共35页...

1、当您付费下载文档后,您只拥有了使用权限,并不意味着购买了版权,文档只能用于自身使用,不得用于其他商业用途(如 [转卖]进行直接盈利或[编辑后售卖]进行间接盈利)。
2、本站所有内容均由合作方或网友上传,本站不对文档的完整性、权威性及其观点立场正确性做任何保证或承诺!文档内容仅供研究参考,付费前请自行鉴别。
3、如文档内容存在违规,或者侵犯商业秘密、侵犯著作权等,请点击“违规举报”。

碎片内容

自动变速器电气线路图

中小学教育精品资料+ 关注
实名认证
内容提供者

中小学教育资料,优质文档创作者

确认删除?
VIP
微信客服
  • 扫码咨询
会员Q群
  • 会员专属群点击这里加入QQ群
客服邮箱
回到顶部