电脑桌面
添加小米粒文库到电脑桌面
安装后可以在桌面快捷访问

道路交通流量监测系统技术手册VIP免费

道路交通流量监测系统技术手册_第1页
1/14
道路交通流量监测系统技术手册_第2页
2/14
道路交通流量监测系统技术手册_第3页
3/14
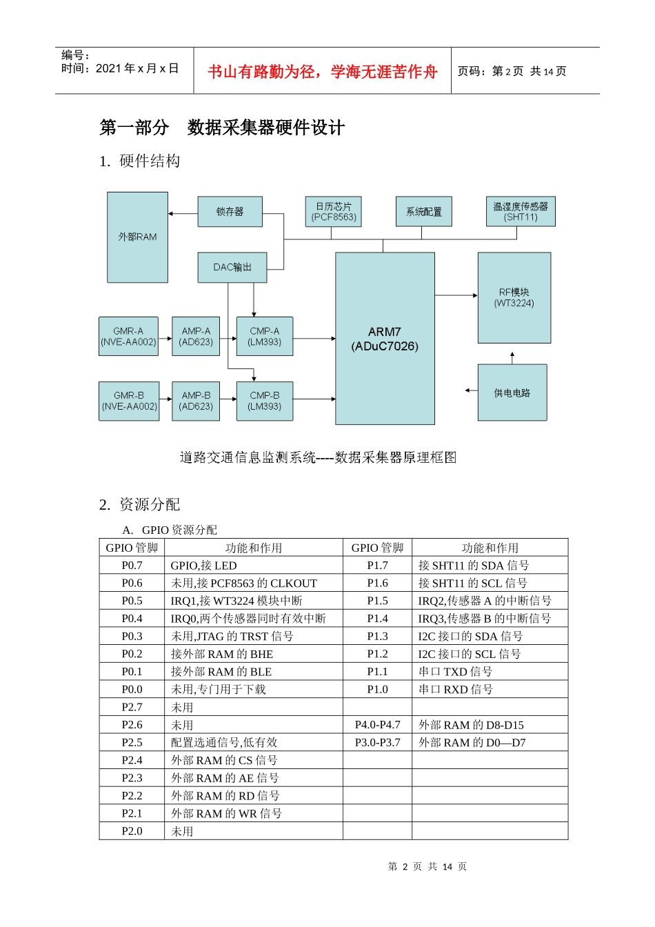
第1页共14页编号:时间:2021年x月x日书山有路勤为径,学海无涯苦作舟页码:第1页共14页道路交通信息监测系统技术手册2010年6月第2页共14页第1页共14页编号:时间:2021年x月x日书山有路勤为径,学海无涯苦作舟页码:第2页共14页第一部分数据采集器硬件设计1.硬件结构2.资源分配A.GPIO资源分配GPIO管脚功能和作用GPIO管脚功能和作用P0.7GPIO,接LEDP1.7接SHT11的SDA信号P0.6未用,接PCF8563的CLKOUTP1.6接SHT11的SCL信号P0.5IRQ1,接WT3224模块中断P1.5IRQ2,传感器A的中断信号P0.4IRQ0,两个传感器同时有效中断P1.4IRQ3,传感器B的中断信号P0.3未用,JTAG的TRST信号P1.3I2C接口的SDA信号P0.2接外部RAM的BHEP1.2I2C接口的SCL信号P0.1接外部RAM的BLEP1.1串口TXD信号P0.0未用,专门用于下载P1.0串口RXD信号P2.7未用P2.6未用P4.0-P4.7外部RAM的D8-D15P2.5配置选通信号,低有效P3.0-P3.7外部RAM的D0—D7P2.4外部RAM的CS信号P2.3外部RAM的AE信号P2.2外部RAM的RD信号P2.1外部RAM的WR信号P2.0未用第3页共14页第2页共14页编号:时间:2021年x月x日书山有路勤为径,学海无涯苦作舟页码:第3页共14页B.数据采集部分1)模拟信号数据采集ADC0----传感器A的输入信号ADC1----传感器B的输入信号ADC2----电池电压ADC16----ADuC芯片内部工作温度2)数字信号采集SHT11----温湿度采集,由P1.7/P1.6接口PCF8563----实际时间采集,标准I2C接口配置信息----由D7—D0数据线连接,由P2.5片选(用GPIO方式采集)C.DAC参考电压输出部分DAC3----传感器A的低阀值DAC2----传感器A的高阀值DAC1----传感器B的低阀值DAC0----传感器B的高阀值DAC输出需要增加一个跟随器以提高阻抗能力D.I2C接口部分用于连接实时时钟芯片PCF8563E.外部扩展存储器RAM部分外部RAM选用ISSI的IS61WV12816,共有64X16K空间F.无线通讯模块部分选用WT3224。G.电源部分选用7.4V锂电池,为了保证电源的稳定性,使用BL1085进行稳压到5V给传感器供电,同时转换到3.3V给主控芯片供电。H.其它(指示灯和配置)指示灯共有三个,其中有3.3V电源指示灯、工作状态指示灯、RF模块工作指示灯,3.3V电源灯可以根据需要使用(实际使用时不需要);工作状态指示灯的表现为工作时亮休眠时灭;RF模块指示灯为模块工作时亮,RF模块不工作时灭。3.数据采集部分原理采用GMR传感器实时采集地磁信号,经放大后送A/D采样,同时送阀值比较电路。当突然来车时,GMR发生变化,阀值比较电路产生信号引起CPU中断,从而获得需要的车流量和相关的车速和车长估计;最后通过RF模块将数据发送出去。为了避免干扰信号造成GMR信号变化,使用CPU的DAC功能输出跟踪地磁信号的变第4页共14页第3页共14页编号:时间:2021年x月x日书山有路勤为径,学海无涯苦作舟页码:第4页共14页化;为了省电,主CPU采用休眠模式工作,RF模块只有在发送的时候才打开工作。另外使用了外部RAM进行数据保存,使用了日历芯片控制程序流程。可以手工配置工作模式、阀值大小和RF模块地址。第二部分数据采集器软件设计1.软件结构软件系统使用u-Vision3.0编写,程序结构如下:TMS-Aproject-----main.c主程序(包括初始化、流程控制程序)------IRQ.c中断服务程序(包括车流量检测程序)-------sub.c子程序(包括各类数据采集、保存、发送子程序)-------myADuC7026.h头文件2.主程序框图数据采集器的设计思路是尽量快速而有效地采集车流量和计算车速和车长,同时为了节约能源,在软件设计时,所有的车辆信息测量(包括车流量、车速、车长)都有GMR传感器的中断服务程序完成(GMR-A管理进入,GMR-B负责退出)。也就是说平常时刻,系统都处于休眠状态,来车后才唤醒工作。为了保证地磁跟踪,采集周期为2秒。整个软件有工作模式配置,分为三个模式:Mode=1为定时发送,一小时为一个循环,包括存取、发送和计数;Mode=2为实时发送模式,即来一辆车发送一次,但计数按天计算;Mode=3为测试方式,每分种发送一次最新的测试数据(即使没有车辆信息),同时第5页共14页第4页共14页编号:时间:2021年x月x日书山有路勤为径,学海无涯苦作舟页码:第5页共14页也实时发送实际测量信息,需要注意的是发送的测试数据地址是0X20,结果数据发送...

1、当您付费下载文档后,您只拥有了使用权限,并不意味着购买了版权,文档只能用于自身使用,不得用于其他商业用途(如 [转卖]进行直接盈利或[编辑后售卖]进行间接盈利)。
2、本站所有内容均由合作方或网友上传,本站不对文档的完整性、权威性及其观点立场正确性做任何保证或承诺!文档内容仅供研究参考,付费前请自行鉴别。
3、如文档内容存在违规,或者侵犯商业秘密、侵犯著作权等,请点击“违规举报”。

碎片内容

道路交通流量监测系统技术手册

确认删除?
VIP
微信客服
  • 扫码咨询
会员Q群
  • 会员专属群点击这里加入QQ群
客服邮箱
回到顶部