电脑桌面
添加小米粒文库到电脑桌面
安装后可以在桌面快捷访问

钢筋工程安全交底记录表VIP免费

钢筋工程安全交底记录表_第1页
1/47
钢筋工程安全交底记录表_第2页
2/47
钢筋工程安全交底记录表_第3页
3/47
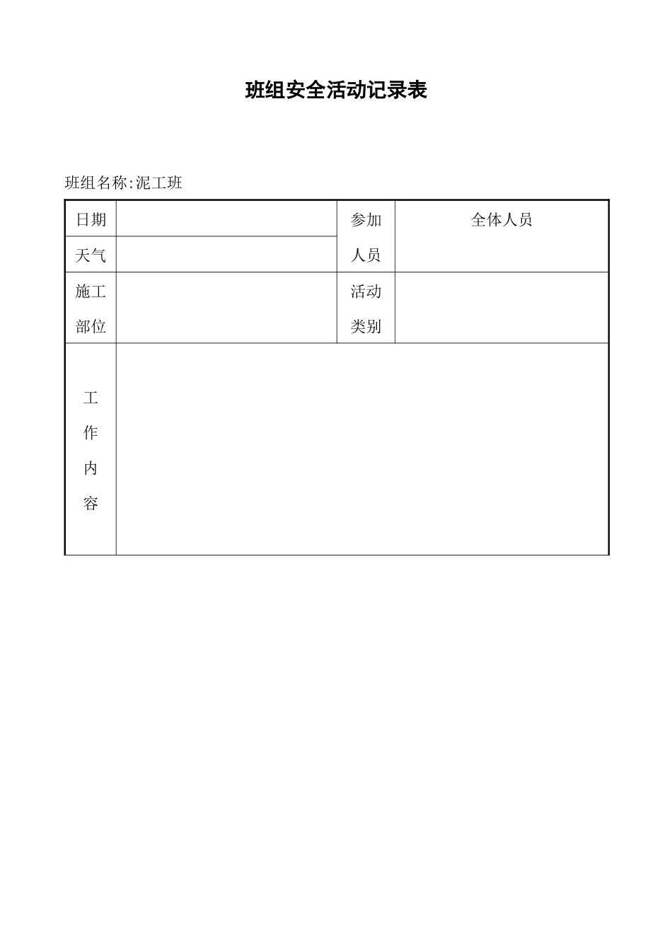
班组安全活动记录表班组名称:泥工班日期参加人员全体人员天气施工部位活动类别工作内容安全生产活动内容班组长签字:2搅拌机安全技术要求和验收表施工单位:山口建筑公司工程名称:十区块安置房4、5、6幢序号验收项目技术要求验收结果1电气安全电器开关箱内应有防雨措施,并单独安装漏电保护器,开关箱及机械外壳应采取接零保护。开关箱防雨,设单独漏保器,开关箱急机械外壳接零保护2安全装置离合器、制动器应灵敏有效,钢丝绳应符合标准,操作手柄应有保险装置;料斗吊钩保险齐全,传动部位设防护罩。安全装置齐全有效3防护搅拌机应搭设防雨棚,临近建筑物的还应搭设防护棚,并设50厘米高翻边。设双层防护棚,并设50CM高翻边4操作平台操作平台应有足够的空间,平台应平整。操作平台空间足够,平整5基础基础应稳固,不得有移位现象,工期超过3个月轮胎应卸掉。基础稳固无移位,轮胎已卸掉3验收结论意见验收人员验收日期:挖土机械安全技术要求和验收表施工单位:工程名称:序号验收项目技术要求验收结果1一般要求挖土机行走和作业场地地面应坚实平整,如地面松软应垫有枕木或垫板,施工区内有地4下电缆和供水管道时,必须有标志,严禁在离电缆1米内作业,雨季施工时,机械作业完毕应停放在较高的坚实地面上,挖土深度超过5米时,应计算土壤稳定性。2空载试验各仪表指示正常,操作控制灵敏有效,离合器接合平稳,分离彻底,无异响、不过热;工作及回转机构,工作正常无卡滞、抖动、撞击现象,制动灵敏可靠;行走机构行驶进无偏磨、啃轨现象。3载荷试验动臂倾斜45度,以正常作业速度用较大切土深度挖掘到满斗,然后收回铲斗卸土;铲斗满载时,伸到最低位置,提升到最大高度后下降铲斗,每下降1米,制动一次;满载提升到离地面2米处,向左、右回转360度;再作挖掘、装载、回转、自由卸载作业循环试验5验收结论意见验收人员验收日期:混凝土搅拌、砂浆搅拌机操作规程1、机身安必须牢靠稳固,电源应由电工搭接,闸也应壳盖齐全,配箱加锁。2、操作人员必须熟悉机械性能,定机定人。3、开动搅拌机前应检查离合器、制动器、钢丝绳等应良好,滚筒内不得有异物。4、进料斗升起时,不准任何人在料斗下通过或停留,工作完毕后,应将料斗固定好。5、运转时,不准将工具伸进滚筒内。66、现场检修时应切断电源,进入滚筒时外面应有人监护。7、上岗作业时思想要集中,不准与他人谈天说地。浙江山口建筑公司手电钻操作规程1、手电钻的电源线不准破皮漏电,使用时应戴绝缘手套。2、操作时应先启动后接触工件,钻薄工件要垫平垫实,钻斜孔要防止滑钻。3、操作时应用杠杆加压,不准用身体直接压在上面。4、按要求做保护接零,开关箱距操作点不大于3米。7浙江山口建筑公司震捣器操作规程1、每次使用前,必须经过外观检查和电气检查,绝缘强度保证合格。2、应使用多芯的橡胶软线,软线架离地面,通过过道时软线应架空,防止砸碾或挂断漏电。3、除机具本身应设开头外,同时附近还应另设开关箱,距操作点不大于3米,并有专人监护,做到经常检查电动机进口的磨损和接点是否牢固,因为经常震动电线容易折断,接点松脱造成全部钢筋带电。4、震动器在楼上使用时,楼上应安装流动闸箱或专用开关。5、震捣圈梁和柱子等高空作业时,应站在架子上操作。8施工现场相关运输车辆操作规程1、严格遵守交通规则和有关规定,驾驶车辆必须证、照齐全,不准驾驶与证件不符的车辆,严禁酒后开车。2、装载构件和其他物件时,宽度左右各不得超出车箱20厘米,高度从地面算起不得超过4米,长度前后共不得超过车身2米,超出部分不得触地,并应摆放平稳,捆扎牢固,如装运异形特殊物件,应备专用搁架。3、运输超宽、超高和超长的设备和构件,除遵守交通部门的有关规定外,还必须事先研究妥善的运输方法,订出安全措施。4、装运易燃、易爆或其他危险物品时,应遵守有关安全行车规定。5、配合挖土机装料时,自卸汽车就位后,拉紧手刹车。如挖斗必须超过驾驶室顶时,驾驶室不得有人。6、卸料时,应选好地形并检视上空和周围有无电线、障碍物以及行人。卸料后,车斗应及时复原,不得边走边落。7、向坑洼地卸料时,必须和坑边保护适当安...

1、当您付费下载文档后,您只拥有了使用权限,并不意味着购买了版权,文档只能用于自身使用,不得用于其他商业用途(如 [转卖]进行直接盈利或[编辑后售卖]进行间接盈利)。
2、本站所有内容均由合作方或网友上传,本站不对文档的完整性、权威性及其观点立场正确性做任何保证或承诺!文档内容仅供研究参考,付费前请自行鉴别。
3、如文档内容存在违规,或者侵犯商业秘密、侵犯著作权等,请点击“违规举报”。

碎片内容

钢筋工程安全交底记录表

确认删除?
VIP
微信客服
  • 扫码咨询
会员Q群
  • 会员专属群点击这里加入QQ群
客服邮箱
回到顶部