电脑桌面
添加小米粒文库到电脑桌面
安装后可以在桌面快捷访问

机械制造企业安全质量标准化考评检查明细表VIP免费

机械制造企业安全质量标准化考评检查明细表_第1页
1/38
机械制造企业安全质量标准化考评检查明细表_第2页
2/38
机械制造企业安全质量标准化考评检查明细表_第3页
3/38
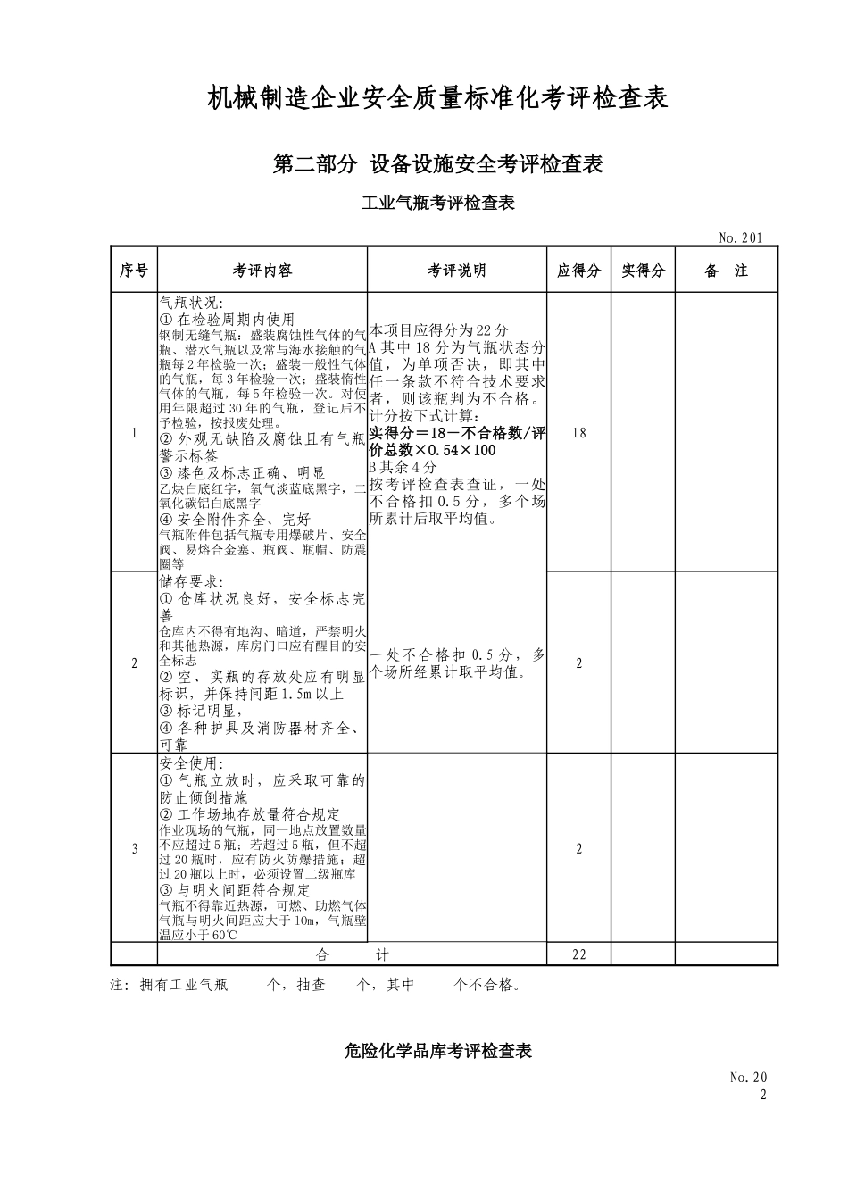
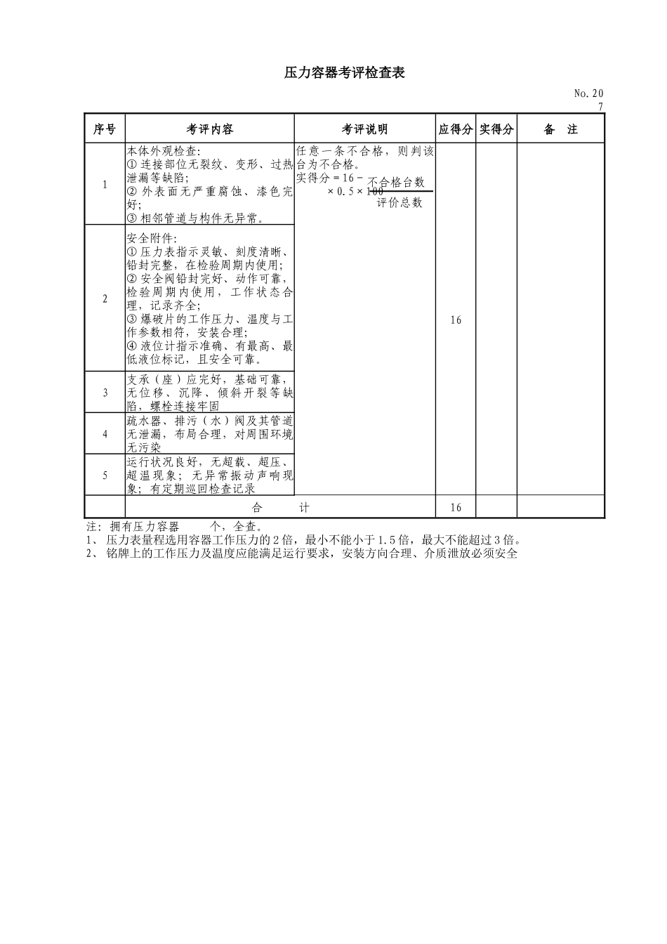
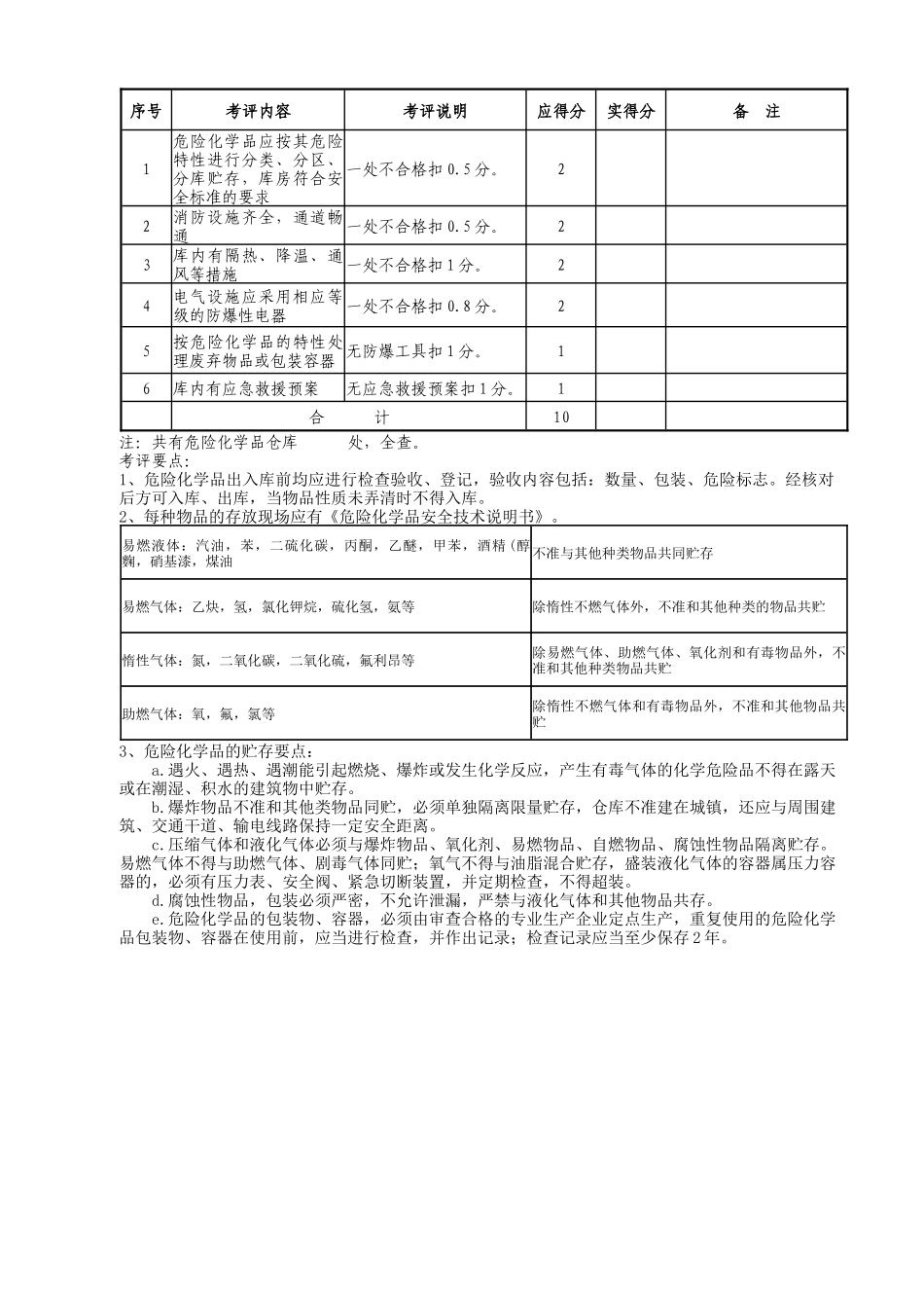
机械制造企业安全质量标准化考评检查表第二部分设备设施安全考评检查表工业气瓶考评检查表No.201序号考评内容考评说明应得分实得分备注1气瓶状况:①在检验周期内使用钢制无缝气瓶:盛装腐蚀性气体的气瓶、潜水气瓶以及常与海水接触的气瓶每2年检验一次;盛装一般性气体的气瓶,每3年检验一次;盛装惰性气体的气瓶,每5年检验一次。对使用年限超过30年的气瓶,登记后不予检验,按报废处理。②外观无缺陷及腐蚀且有气瓶警示标签③漆色及标志正确、明显乙炔白底红字,氧气淡蓝底黑字,二氧化碳铝白底黑字④安全附件齐全、完好气瓶附件包括气瓶专用爆破片、安全阀、易熔合金塞、瓶阀、瓶帽、防震圈等本项目应得分为22分A其中18分为气瓶状态分值,为单项否决,即其中任一条款不符合技术要求者,则该瓶判为不合格。计分按下式计算:实得分=18-不合格数/评价总数×O.54×100B其余4分按考评检查表查证,一处不合格扣0.5分,多个场所累计后取平均值。182储存要求:①仓库状况良好,安全标志完善仓库内不得有地沟、暗道,严禁明火和其他热源,库房门口应有醒目的安全标志②空、实瓶的存放处应有明显标识,并保持间距1.5m以上③标记明显,④各种护具及消防器材齐全、可靠一处不合格扣0.5分,多个场所经累计取平均值。23安全使用:①气瓶立放时,应采取可靠的防止倾倒措施②工作场地存放量符合规定作业现场的气瓶,同一地点放置数量不应超过5瓶;若超过5瓶,但不超过20瓶时,应有防火防爆措施;超过20瓶以上时,必须设置二级瓶库③与明火间距符合规定气瓶不得靠近热源,可燃、助燃气体气瓶与明火间距应大于lOm,气瓶壁温应小于60℃2合计22注:拥有工业气瓶个,抽查个,其中个不合格。危险化学品库考评检查表No.202序号考评内容考评说明应得分实得分备注1危险化学品应按其危险特性进行分类、分区、分库贮存,库房符合安全标准的要求一处不合格扣0.5分。22消防设施齐全,通道畅通一处不合格扣0.5分。23库内有隔热、降温、通风等措施一处不合格扣1分。24电气设施应采用相应等级的防爆性电器一处不合格扣0.8分。25按危险化学品的特性处理废弃物品或包装容器无防爆工具扣1分。16库内有应急救援预案无应急救援预案扣1分。1合计10注:共有危险化学品仓库处,全查。考评要点:1、危险化学品出入库前均应进行检查验收、登记,验收内容包括:数量、包装、危险标志。经核对后方可入库、出库,当物品性质未弄清时不得入库。2、每种物品的存放现场应有《危险化学品安全技术说明书》。易燃液体:汽油,苯,二硫化碳,丙酮,乙醚,甲苯,酒精(醇麴,硝基漆,煤油不准与其他种类物品共同贮存易燃气体:乙炔,氢,氯化钾烷,硫化氢,氨等除惰性不燃气体外,不准和其他种类的物品共贮惰性气体:氮,二氧化碳,二氧化硫,氟利昂等除易燃气体、助燃气体、氧化剂和有毒物品外,不准和其他种类物品共贮助燃气体:氧,氟,氯等除惰性不燃气体和有毒物品外,不准和其他物品共贮3、危险化学品的贮存要点:a.遇火、遇热、遇潮能引起燃烧、爆炸或发生化学反应,产生有毒气体的化学危险品不得在露天或在潮湿、积水的建筑物中贮存。b.爆炸物品不准和其他类物品同贮,必须单独隔离限量贮存,仓库不准建在城镇,还应与周围建筑、交通干道、输电线路保持一定安全距离。c.压缩气体和液化气体必须与爆炸物品、氧化剂、易燃物品、自燃物品、腐蚀性物品隔离贮存。易燃气体不得与助燃气体、剧毒气体同贮;氧气不得与油脂混合贮存,盛装液化气体的容器属压力容器的,必须有压力表、安全阀、紧急切断装置,并定期检查,不得超装。d.腐蚀性物品,包装必须严密,不允许泄漏,严禁与液化气体和其他物品共存。e.危险化学品的包装物、容器,必须由审查合格的专业生产企业定点生产,重复使用的危险化学品包装物、容器在使用前,应当进行检查,并作出记录;检查记录应当至少保存2年。压力容器考评检查表No.207序号考评内容考评说明应得分实得分备注1本体外观检查:①连接部位无裂纹、变形、过热泄漏等缺陷;②外表面无严重腐蚀、漆色完好;③相邻管道与构件无异常。任意一条不合格,则判该台为不合格。实得分=16-×0.5×100162安全附件:...

1、当您付费下载文档后,您只拥有了使用权限,并不意味着购买了版权,文档只能用于自身使用,不得用于其他商业用途(如 [转卖]进行直接盈利或[编辑后售卖]进行间接盈利)。
2、本站所有内容均由合作方或网友上传,本站不对文档的完整性、权威性及其观点立场正确性做任何保证或承诺!文档内容仅供研究参考,付费前请自行鉴别。
3、如文档内容存在违规,或者侵犯商业秘密、侵犯著作权等,请点击“违规举报”。

碎片内容

机械制造企业安全质量标准化考评检查明细表

海纳百川+ 关注
实名认证
内容提供者

热爱教学事业,对互联网知识分享很感兴趣

确认删除?
VIP
微信客服
  • 扫码咨询
会员Q群
  • 会员专属群点击这里加入QQ群
客服邮箱
回到顶部